时间:2025-04-03 14:44
人气:
作者:admin
碳化硅结型场效应晶体管(SiC JFET)相比其他竞争技术具有一些显著的优势,特别是在给定芯片面积下的低导通电阻(称为RDS.A)。为了实现最低的RDS.A,需要权衡的一点是其常开特性,这意味着如果没有栅源电压,或者JFET的栅极处于悬空状态,那么JFET将完全导通。然而,开关模式在应用中通常需要常关状态。因此,将SiC JFET与低电压硅MOSFET以 Cascode 配置结合在一起,构造出一个常关开关模式“FET”,这种结构保留了大部分SiC JFET的优点。第一篇介绍了Cascode结构,本文为第二篇,将介绍Cascode开关特性。
Cascode开关特性
硬开关
大多数 Cascode结构的关断损耗(Eoff)低于开通损耗(Eon)。这一特性在数据手册的开关损耗与电流关系图中明显体现,如图3(a)所示。 Cascode结构的固有开关速度主要由JFET电容及其片上栅极电阻决定,这些参数通过设计进行调整使总开关损耗具有竞争力:Etotal= Eoff+ Eon。
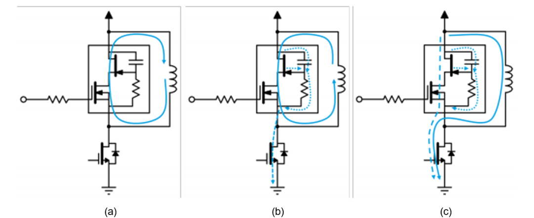
应用 Cascode的主要目的是减慢关断速度,以抑制电压过冲和振铃。因此,理解 Cascode的电容特性非常重要。图1展示了一个带有感性负载的 Cascode在关断时的情况。图中标注了其输出电容(等于JFET的栅漏电容)、片上JFET栅极电阻,以及SiC JFET与Si MOSFET。

图 1 带缓冲电路的Cascode关断情况
图 1 中的实线箭头表示 Cascode 导通时流经感性负载和 Cascode 的电流。当 Cascode关断时,它变为电阻特性,随着 Cascode漏极-源极电压的增加,电流转向输出电容和 JFET 栅极电阻。由于缺乏栅极-漏极电容,只有负载电流会对 Cascode 输出电容充电; Cascode栅极不会强制流过电流。这使得 Cascode的栅极电荷较低,并且不受 dV/dt 感应(寄生)导通的影响,这些都是 Cascode的吸引人之处。
然而,这也对开关速度控制提出了挑战:由于 Cascode输出电容的充电过程不涉及栅极电流,调整 Cascode栅极电阻无法直接调节开关电压压摆率(dV/dt)。栅极电阻可以调整 Cascode MOSFET 的开关速度,从而可以间接调整开关电流压摆率 di/dt。 (这只是一种简化的解释,因为如果 Cascode栅极电阻足够大,dV/dt 就可以调节,但这样开关延迟时间就会过长)。
由于 Cascode的关断速度相对于导通速度更快(见图 3(a)),建议在硬开关应用中使用关断缓冲电路,通常采用电阻电容 (RC) 缓冲器的形式,连接在漏极和源极之间。该设计通过增加外部可调的输出电容和阻尼电阻,对 Cascode结构的固定输出电容进行补偿。图 1 显示了关断期间从 Cascode分流出的额外电流,从而降低了 Cascode的 dV/dt 和 di/dt。这种方式有效弥补了仅通过栅极电阻调节开关速度的局限性。

图2:在硬导通过程中,存储在输出电容Coss及部分缓冲电容中的能量会在 Cascode中耗散。
在图 2 中,输出电容加上额外的缓冲电容由漏极-源极电容表示。在导通过程中,存储在输出电容Coss及部分缓冲电容中的能量会在 Cascode中耗散。缓冲电容的剩余能量则耗散在缓冲电阻中(如果安装的话)。不过,这只会导致总开关损耗略有增加。

图 3 UJ4SC075005L8S 的 (a) 开关损耗与电流的关系,以及 (b) 缓冲电阻能量与电流的关系
图8(a)展示了UJ4SC075005L8S Cascode在硬开关条件下的损耗与电流的关系。从图中可以看出,导通时的开关损耗显著高于关断时的损耗,这是许多 Cascode器件的典型特征。图8(b)则显示了相同器件对应的缓冲电阻的能量损耗。总的缓冲损耗占总硬开关损耗的3%到5%。
需要注意的是,如果没有缓冲电路,通常会出现过多的关断电压过冲和振铃现象。使用缓冲电路后,无论是导通还是关断,Cascode的VDS(漏源电压)、VGS(栅源电压)以及ID(漏极电流)波形都会受到抑制。实践证明,缓冲电路是调节 Cascode开关特性的最有效方法。相比于没有缓冲电路且增加栅极电阻的情况,使用缓冲电路并减少栅极电阻能够降低总开关损耗。SiC JFET Cascode和许多 SiC MOSFET 都是如此。
软开关
软开关通常包括零电压开关(ZVS),这是由于 FET 在反向电流流过之后才导通,从而使漏极-源极电压几乎为零。

图 4 Coss和缓冲电路电容中存储的能量在 ZVS 导通时被回收利用
在图4(a)中,右下侧的 Cascode 正在关断,而右上侧的 Cascode 开始续流(freewheel)。此时,漏源电荷从右上侧 Cascode 循环到负载。类似地,在图4(b)中,左上侧的 Cascode 正在关断,而左下侧的 Cascode 开始续流,漏源电荷从左下侧 Cascode 循环到输入端和负载。
因此,在零电压开关(ZVS)条件下,不仅消除了导通开关损耗,还因回收了存储在输出电容(Coss)和缓冲电容(若存在)中的能量,从而降低了关断损耗。若电路中包含缓冲电阻,缓冲电容中的部分能量当然会在缓冲电阻中耗散。若无缓冲电路,软开关与硬开关的关断损耗(Eoff)差异即为硬开关的Eoff减去Eoss。对于高速开关器件而言,这一差值通常很小。
凭借快速的关断速度、灵活的栅极驱动特性以及低 RDS.Coss(SiC JFET 的低 RDS.A)相结合, Cascode 在软开关应用中展现出显著优势。根据电路中其他地方的缓冲情况(例如变压器和/或输出整流器两端),即使在 ZVS 导通的情况下,仍可能需要为 Cascode配置漏源电容以实现关断缓冲。若电路工作在非谐振模式且硬开关状态,则在缓冲电容上串联一个阻尼电阻可能有助于优化性能。
开关过程中Cascode 的内部动态解析
我们再次以图1中带有感性负载的 Cascode 关断过程为例,图 5重新绘制了这一过程,但包括了杂散电感。当 Cascode 中的MOSFET关断时,其电阻增大,漏源电压随之上升。
实际上,除非 Cascode 的栅极电阻异常大, Cascode 的MOSFET在关断过程中都会发生雪崩击穿,将JFET的栅源电压钳位在-25 V。这对 JFET 来说是完全安全的,因其栅源雪崩电压远低于-25 V。对MOSFET而言亦无风险,因其设计可耐受大电流下的重复雪崩,且雪崩持续时间极短,能量低。此时,负载电流从 JFET 和 MOSFET 沟道分流,对输出电容(和缓冲电容)充电,直到电路中的其他器件续流电流。

图 5 包括杂散电感和相关电容在内的Cascode
Cascode 栅极电阻越小, Cascode的 MOSFET VDS上升越快,MOSFET 将 JFET VGS箝位在 -25 V 的时间越长。当 JFET VGS被箝位在 -25 V 时,即 MOSFET 处于雪崩状态时,JFET VGS与其阈值电压之间的差值最大。此时JFET 的抗噪声能力最强。当存储在杂散电感中的能量充分衰减,MOSFET 就会退出雪崩状态,此时通常会出现振铃。杂散电感主要存在于源极连接线和封装源极引脚中。
雪崩结束后,随着JFET完成关断瞬态,MOSFET的VDS将稳定在接近JFET阈值电压的水平。若此时源极电感噪声过大,就会超过 JFET VGS与 JFET 阈值电压之间的差值,从而导致 JFET 误导通。 Cascode结构尤其受益于配备独立Kelvin源极引脚的封装设计。该设计通过消除栅极驱动回路中负载电流感应电压,有效抑制 Cascode栅极(即其内部MOSFET栅极)的振铃,进而降低内部JFET栅极的振铃。类似原理亦适用于导通过程: Cascode中MOSFET的快速导通可缩短其VDS接近JFET阈值电压的持续时间,从而提升抗噪声能力。
续流后的恢复

图6 续流 Cascode在“反向恢复”过程中的状态转换
现在,让我们考虑一个如图 6(a)所示的续流 Cascode。即使MOSFET在死区时间内被栅极关断,续流 Cascode的 MOSFET 仍能保持 JFET 导通。电流需换向到另一个 Cascode(本例中为下方)并反向,上方 Cascode才能支持漏极-源极电压。续流 Cascode中JFET的栅源电压(VGS)必须从略高于正值转变为低于JFET阈值电压的负值。
首先,续流 Cascode的 MOSFET 会经历真正的反向恢复,由于 30 V MOSFET 的少数载流子寿命很短,此过程速度极快且电荷量极小,如图 6(b) 所示。随后,与前述硬开关关断类似,MOSFET通常进入雪崩状态。JFET的VGS变化取决于其输出电容(栅漏电容)与片上栅极电阻。
与此同时,电流继续流过续流 JFET 及其 MOSFET,直到 JFET 完成关断序列,如图 6(c)所示。其中只有一小部分电流来自续流 Cascode的 MOSFET 体二极管,大部分反向恢复电荷来自续流 Cascode中 JFET 关断时的电流。这种 Cascode反向恢复效应与温度无关,在很大程度上也与电流无关,因为它取决于 JFET 栅极-漏极电容和 JFET 栅极电阻。无论电流大小,恢复电荷都大致相同,这使得大电流下的开关波形看起来相当不错,但在小电流下会产生相对较高的 Eon。

图 7 UF4SC120023K4S(1200 V、23 mΩ第四代 Cascode器件)的开关损耗-电流关系曲线
Cascode器件数据手册中呈现的Eon与电流曲线偏移(基于感性负载硬开关半桥测试数据)直观体现了这一反向恢复效应。图 7 显示了一个通过推断得到的 Eon曲线的示例,若能在接近零电流条件下测量Eon,其值几乎完全由续流 Cascode的反向恢复过程引起的。
Cascode 的权衡
SiC JFET Cascode 结构与 SiC MOSFET 的权衡因素截然不同。在 SiC 上制造 MOS 栅极的挑战与 Cascode 结构无关。 Cascode结构的基本权衡因素在于反向恢复电荷效应及其相关的硬开关导通损耗与关断时的电压过冲、以及易产生振铃和振荡之间的平衡。调节这一权衡的主要“调节点”是 Cascode 中 JFET 的栅极电阻,但由于其封装在器件内部而无法调整,因此需依赖外部缓冲电路和栅极电阻来调节开关。
较高的 JFET 栅极电阻会减慢 Cascode 开关压摆率,从而使器件更易于使用,但代价是较高的反向恢复电荷和硬开关导通损耗。 Gen3 "UJ3 "系列器件提供了这种选择,其内部 JFET 栅极电阻高于安森美(onsemi)所有其他 Cascode产品。UJ3 系列尤其适用于软开关及低频应用场景。而 安森美第三代 "UF3" 系列及所有第四代 Cascode 产品则专门进行了优化以实现行业领先的总开关损耗,同时具有更高的开关压摆率。
应用支持
您可以点击阅读原文查看SiC FET设计技巧页面,找到更多资源以及链接到其他应用笔记和视频。我们也提供专家技术支持服务。
结语
Cascode 配置是在开关模式应用中利用常开型SiC JFET的低RDS.A的一种方法。
灵活的栅极驱动、快速关断以及低RDS. Coss使得 Cascode 在软开关应用中表现出色。
没有栅漏电容带来了低栅极电荷,但同时也限制了栅极电阻对开关速度的控制,因此 Cascode可利用缓冲电路来调节固有的快速关断速度。
Cascode硬开关反向恢复效应在很大程度上与温度和电流无关。
使用Kelvin源连接和尽可能小的栅极电阻时, Cascode 工作效果最佳。
可提供用户指南、应用笔记、视频、仿真文件、免费在线仿真工具和计算器软件以及专业的技术支持。
龙腾半导体SGT MOSFET LSGT085R018在智慧农业无