时间:2025-04-08 15:05
人气:
作者:admin
ALM2403-Q1 是一款双电源运算放大器,其特性和性能使该器件更适合基于旋转变压器的应用。该器件具有高增益带宽和压摆率以及连续高输出电流驱动功能,非常适合为激励旋转变压器初级线圈提供所需的低失真和差分高振幅激励。尤其在易受故障影响的电线上驱动模拟信号时,电流限制和过热检测功能可增强整体系统稳健性。
数据手册:*附件:ALM2403-Q1 适用于旋转变压器应用且具有低失真的汽车类双通道高压功率运算放大器技术手册.pdf
具有散热焊盘和低 RθJA 的小型 HTSSOP 封装能够向负载提供高电流,同时更大程度地减小布板空间。ALM2403-Q1 具有更高增益带宽,该器件可配置为滤波器级,同时仍提供高输出驱动,从而显著减小旋转变压器驱动信号链的总解决方案尺寸。这种缩小的解决方案尺寸是 ALM2403-Q1 在汽车和工业应用中的一项关键优势。
特性
• 符合面向汽车应用的 AEC-Q100 标准:
– 温度等级 1:–40°C 至 +125°C,TA
• 提供功能安全
– 可帮助进行功能安全系统设计的文档
• 高输出电流驱动:500 mA 峰值电流(每通道)
– 取代分立式运算放大器和晶体管
• 两个电源的宽电源电压范围(最高 24 V)
• 过热关断
• 电流限制
• 实现低 IQ 应用的关断引脚
• 21MHz 增益带宽,具有 50V/µs 的压摆率
• 封装:14 引脚 HTSSOP (PWP)
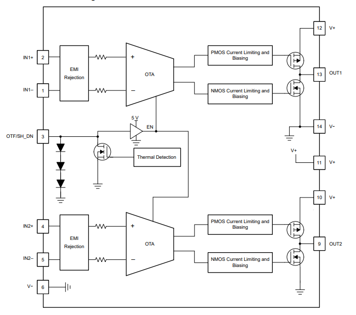
引脚功能和配置
典型特性
功能方框图
应用
• 基于旋转变压器的汽车和工业应用
• 逆变器和电机控制
• 制动系统
• 电动助力转向 (EPS)
• 后视镜模块
• 汽车电子视镜
• 伺服驱动器功率级模块
• 飞行控制系统
典型应用
大功率交流和无刷直流(BLDC)电机驱动应用需要位置反馈,以高效和精确地驱动电机。位置反馈可以通过使用光学编码器、霍尔传感器或解析器。当环境或寿命要求具有挑战性时,解决方案是主要选择广泛。
分解器充当一个变压器,有一个初级线圈和两个次级线圈。初级线圈或励磁线圈位于旋转变压器的转子上。当旋转变压器的转子旋转时,励磁线圈感应出电流进入正弦和余弦传感线圈。这些线圈彼此成90度角,电压来自正弦和余弦线圈的信号由微控制器或旋转变压器转换为数字信号转换器芯片。分解器励磁线圈的直流电阻非常低(<100Ω),需要一个汇和一个高达200Ω的电源mA来自励磁驱动器。ALM2403-Q1可以在提供电流限制的同时提供和吸收电流以及热关机保护。在解析器设计中加入这些保护措施可以延长最终产品。
ALM2403-Q1的输入可以是由解析器到数字转换器芯片生成的模拟正弦波,或者从微控制器I/O引脚生成的脉宽调制(PWM)信号。在后者的情况下,过滤器需要一个级来从PWM信号中提取较低带宽的正弦波。这个正弦波就是ALM2403-Q1的输入信号。由于高增益带宽,ALM2403-Q1可以配置为滤波器级,同时提供所需的输出驱动。这种配置大大减少了整个解决方案分解器驱动信号链的尺寸和设计复杂性。实现这一目标的基本设计步骤该应用示例中显示了功能,并且可以应用于其他电感负载应用。

龙腾半导体SGT MOSFET LSGT085R018在智慧农业无