时间:2025-04-10 09:26
人气:
作者:admin
TL331B 和 TL391B 器件是业界通用 TL331 比较器的下一代版本。下一代器件为成本敏感型应用提供了卓越的价值,其特性包括更低的失调电压、更高的电源电压能力、更低的电源电流、更低的输入偏置电流、更低的传播延迟、更宽的温度范围以及更高的 2kV ESD 性能,并提供了直接替代的便利性。TL331B 是经改进的 TL331I 和 TL331K 版本直接替代产品,而 TL391B 可提供 TL331B 的替代引脚排列,以替代同类竞争器件。
数据手册:*附件:TL391B 36V、标准、单通道比较器技术手册.pdf
如果两个电源的电压差处于 2V 至 36V 范围内且 VCC 比输入共模电压至少高 1.5V,那么也可以使用双电源。漏极电流不受电源电压的影响。可将输出连接到其它集电极开路输出,以实现有线 AND 关联。
特性
• 全新 TL331B 和 TL391B
• 改进了 B 版本的规格
– 最大额定值:高达 38V
– ESD 等级 (HBM):2kV
– 提高了反向电压性能
– 低输入失调电压:0.37mV
– 低输入偏置电流:3.5nA
– 低电源电流:430µA
– 更短的响应时间 (1µs)
– TL391B 提供了替代引脚排列
• TL331B 是经改进的 TL331 直接替代产品
• 共模输入电压范围包括接地
• 差分输入电压范围等于最大额定电源电压:±38V
• 低输出饱和电压
• 输出与 TTL、MOS 和 CMOS 兼容
引脚功能和配置
典型特性
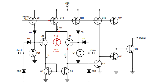
功能方框图
应用
• 扫地机器人
• 单相 UPS
• 服务器 PSU
• 无线电动工具
• 无线基础设施
• 电器
• 楼宇自动化
• 工厂自动化与控制
• 电机驱动器
• 信息娱乐系统与仪表组
龙腾半导体SGT MOSFET LSGT085R018在智慧农业无