时间:2025-03-28 14:48
人气:
作者:admin
INA350 是一款可选增益仪表放大器,提供四种增益选项,涵盖采用小型封装的 INA350ABS 和 INA350CDS 型号。INA350ABS 具有 10 或 20 的增益选项,INA350CDS 具有 30 或 50 的增益选项。可以通过切换增益选择 (GS) 引脚来选择这些增益选项。INA350 是桥式传感以及差分至单端转换应用的理想选择。
数据手册:*附件:INA350 采用8引脚WSON (2mm x 2mm) 封装的低功耗 (100µA) 可选择增益仪表放大器技术手册.pdf
INA350 采用精密匹配的集成电阻器构建而成,无需使用精密或高度匹配的外部电阻器,从而节省了物料清单 (BOM) 成本、贴片机器处理成本和布板空间。该器件直接连接到低速 10 位至 14 位模数转换器 (ADC),非常适合替换使用商品放大器和分立式电阻器构建的仪表放大器的分立式实施。
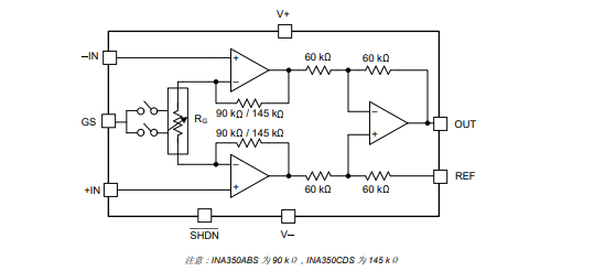
INA350 的设计采用三放大器架构,能够更好地提供性能。它在所有增益选项中实现了 85 dB 的最小 CMRR 和 0.6% 的最大增益误差,以及 1.2 mV 的最大失调电压,而仅消耗 125 µA 的最大静态电流。它有一个集成关断选项,可在空闲时关闭放大器,从而在电池供电应用中进一步节省电能。
特性
• 非常适合具有尺寸、成本和功耗意识的设计
• 可选增益选项
– G = 10 或 G = 20 (INA350ABS)
– G = 30 或 G = 50 (INA350CDS)
• 节省空间的超小型封装选项
– 10 引脚 X2QFN (RUG) – 3mm2
– 8 引脚 WSON (DSG) – 4mm2
– 8 引脚 SOT23-THN (DDF) – 4.64mm2
• 针对 10 位至 14 位系统的优化性能
– CMRR:所有增益均为 95dB(典型值)
– 失调电压:所有增益均为 0.2mV(典型值)
– 增益误差(典型值):
• G = 10 时为 0.05%;G = 20 时为 0.06%
• G = 30 时为 0.075%;G = 50 时为 0.082%
• 带宽:G = 10 时为 100kHz(典型值)
• 驱动 500pF,过冲小于 20%(典型值)
• 优化的静态电流:100µA(典型值)
• 适用于功耗敏感型应用的关断选项
• 电源电压范围:1.8V (±0.9V) 至 5.5V (±2.75V)
• 额定温度范围:–40°C 至 125°C
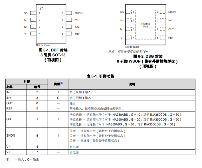
引脚配置和功能

典型特性

功能方框图
应用
• 桥接网络传感
• 差分至单端转换
• 称重计
• 模拟输入模块
• 流量变送器
• 可穿戴健身和活动监测仪
• 血糖监控
• 压力和温度传感
典型应用
INA350 是一款集成仪表放大器,可测量较小的差分电压,同时抑制较大的共模电压。该器件具有 100µA(典型值)的低功耗,并且体积更小巧。
该器件专为便携式应用而设计,其中,传感器测量物理参数,如流体、压力、温度或湿度的变化。医疗领域使用压力传感器的一个例子是便携式输液泵或透析器。
压力传感器由压阻式元件制成,压阻式元件可衍生为经典的 4 电阻器惠斯通电桥。
遮挡(液体、药物或营养物质的注入)仅在一个方向上发生,因此只可导致电阻元件 (R) 膨胀。这种膨胀导致惠斯通电桥的一条支腿上的电压发生变化,从而产生差分电压 VDIFF。
图 9-3 展示了输液泵所需的遮挡压力传感器应用的示例电路。当根据设定点值实施阻塞(遮挡),管道会压下,从而导致压阻式元件膨胀(节点 AD: R + ΔR)。连接到电桥下游的信号链处理压力变化,并可触发警报。
必须使用低容差电桥电阻器,以最大限度地减小失调电压和增益误差。
假设仅施加正差分电压,该电路以单端供电模式布置。到电桥的激励电压 VEXT 必须精确且稳定;否则,会引入测量误差
龙腾半导体SGT MOSFET LSGT085R018在智慧农业无