时间:2025-03-12 14:03
人气:
作者:admin
一、什么是LDO
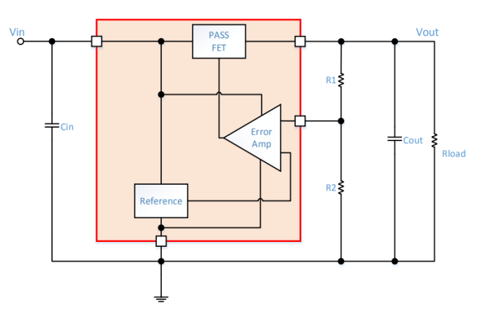
LDO,英文全称是Low Dropout Regulator, 即低压差线性稳压器。输入和输出均为直流,压降较低,可用于稳压。其包含三个基本功能元件:一个参考电压、一个通路元件和一个误差信号放大器,如下图所示。

LDO稳压器设计中通常有四种不同的通路元件:基于NPN型晶体管的稳压器、基于PNP型晶体管的稳压器、基于NMOS的稳压器和基于PMOS的稳压器。

通常,基于晶体管的稳压器比基于 MOSFET 的稳压器具有更高的压差。另外,基于晶体管的稳压器的晶体管通路元件的基极驱动电流与输出电流成比例。这会直接影响基于晶体管的稳压器的静态电流。相比之下,MOSFET 通路元件使用隔离栅极驱动的电压,使其静态电流显著低于基于晶体管的稳压器。
二、LDO的工作原理
如下图所示,以PMOS LDO为例分析其主要工作原理。可以看出这是一个负反馈系统:
当输出电压Vout由于负载变化或者其他原因下降时,误差放大器同相端电压会同比例减小,误差放大器的输出也会随之减小,PMOS的源栅电压Vsg增大。由于Vsg增大时,导通电阻将减小(电流增大),这时输出电压将回升。
同理当输出电压Vout上升时,误差放大器同相端电压会同比例增加,误差放大器输出增加。这时Vsg减小,导通电阻增大(电流减小),输出电压将回落。

稳态时,误差放大器同相端和反相端的电压相等,可以得到输出电压Vout=Vref*(1+R1/R2)。动态过程中,输出电压的变化将改变PMOS的漏源电阻,漏源电阻的变化反过来调节输出电压直至稳定。

动态过程中输出电压是由PMOS的漏源电阻Rds调节的
三、PMOS LDO与NMOS LDO特性对比
1.导通电压的差异
对于PMOS LDO,在特定的点,误差放大器输出将在接地端达到饱和状态,无法驱动Vgs进一步负向增大。此时Rds已达到其最小值。将此Rds值与输出电流Iout相乘,将得到压降电压。随着Vgs负向增大,能达到的Rds值越低。通过提升输入电压,可以使Vgs值负向增大。因此,PMOS架构在较高的输出电压下具有较低的压降。

PMOS LDO结构图
而对于NMOS LDO,在特定的点,Vgs无法再升高,因为误差放大器输出在电源电压Vin下将达到饱和状态。达到此状态时,Rds处于最小值。将此值与输出电流Iout相乘,会获得压降电压。NMOS LDO输入与输出的压差要大于MOS管的导通门限,相比PMOS大很多。

NMOS LDO结构图
很多NMOS LDO都采用辅助电压轨,即偏置电压Vbias,如下图所示。此电压轨用作误差放大器的正电源轨,并支持其输出一直摆动到高于Vin的Vbias。这种配置能够使LDO保持较高Vgs,从而在低输出电压下达到超低压降。

带偏置电压轨的NMOS LDO
有时并未提供辅助电压轨,但仍然需要在较低的输出电压下达到低压降。在这种情况下,可以用内部电荷泵代替Vbias,如下图所示。电荷泵将提升Vin,以便误差放大器在缺少外部Vbias电压轨的情况下仍可以生成更大的Vgs值。

带内部电荷泵的NMOS LDO
2.导通电阻与导通损耗
NMOS的载流子为电子,PMOS的载流子为空穴。由于 n 型半导体的电子浓度比 p 型半导体高,所以 NMOS 的电子迁移率比 PMOS 高,也就是说,在相同的电场下,NMOS 中的电子速度比 PMOS 中的电子速度快。因此,在相同的尺寸条件下,NMOS管沟道导通电阻比PMOS要小,这样开关导通损耗相应也会比NMOS管要小,过流能力更强。
换句话说,在驱动相同的电流时,PMOS版图面积比NMOS大。(器件面积会影响导通电阻、输入输出电容,而这些相关的参数容易导致电路的延迟)
3.瞬态响应与负载调整率
NMOS LDO负载调整率、瞬态响应等动态指标会更好一些。NMOS型LDO系统环路的单位增益带宽较大,具有很好的瞬态响应能力。
4.电源抑制能力
NMOS型功率管采用源跟随接法,具有较好的电源抑制能力。
5.适用场景
PMOS LDO适合轻载,尤其是超低静态电流场合。NMOS LDO更适合大电流输出以及高速开关应用。
6.成本差异
PMOS晶圆的制造成本与NMOS晶圆几乎相同。但是,与NMOS相比,对于相同的导通电阻Rdson,PMOS需要更大的die,原因就是上面说的PMOS的空穴迁移率较低。因为所需的die更大,所以每个晶圆的生产出的die会更少,所以对于相同Rdson的PMOS的die成本会更高。所以对于相同Rdson的NMOS和PMOS而言,PMOS价格会更贵。 在一些电路应用中如果对于Rdson的要求不高,并且使用NMOS需要升压驱动(比如使用charge pump)的话,此时可能整体成本用PMOS更有优势,所以还是要具体情况具体分析。
龙腾半导体SGT MOSFET LSGT085R018在智慧农业无