时间:2025-03-18 10:17
人气:
作者:admin
LOG300 是一款集成模拟前端 (AFE),由低噪声放大器 (LNA) 和对数检测器块组成。该器件支持高达 40MHz 的输入频率范围和 98dB 的典型动态范围,适用于需要宽动态电压范围和信号测量的应用。LOG300 的对数检测器块支持单端和差分输入。集成 LNA 具有低输入噪声,支持测量低至 7µVP 的信号。可以通过调整连接在 Log_Out 引脚上的电容器来调节瞬态输出响应。借助 LOG300 的集成频率检测功能,用户能够提取输入信号频率和过零信息。
数据手册:*附件:LOG300 具有集成式低噪声放大器的40MHz对数检测器技术手册.pdf
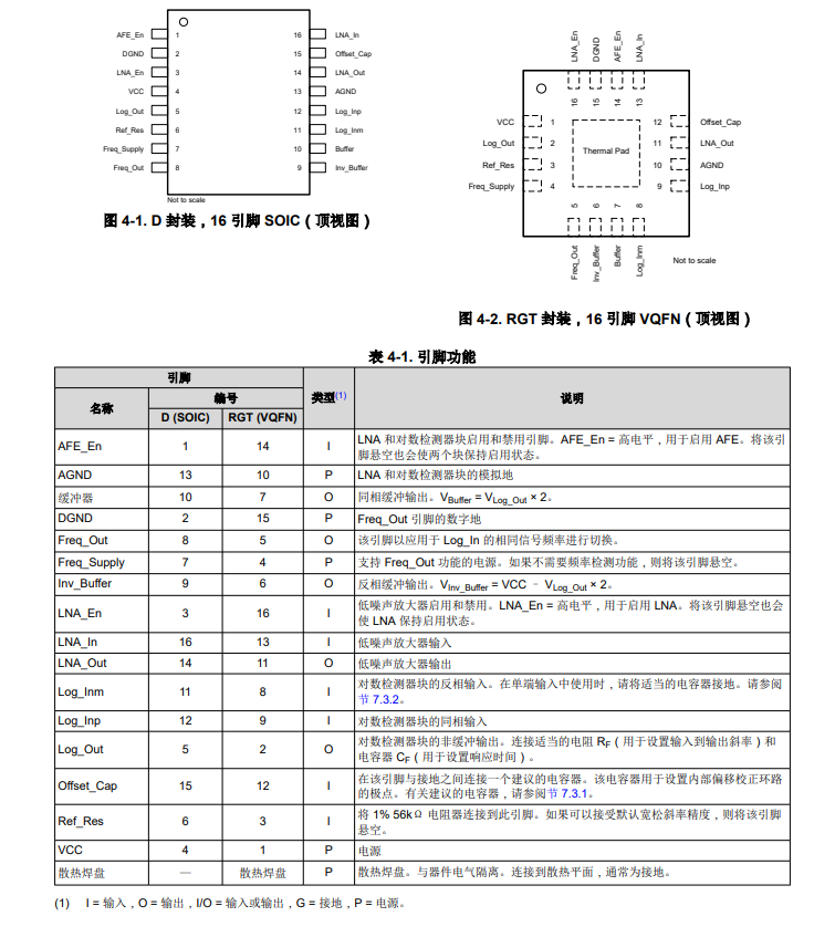
LOG300 采用 16 引脚 SOIC 和 16 引脚 VQFN 封装,在 -40°C 至 +125°C 的整个环境温度范围内由电压为 3V 至 5.25V 的电源供电运行。
特性
引脚配置和功能
典型特性
功能方框图
典型应用
该设计示例演示了基于 LOG300 的电路计算和分立式元件选择,以便为典型超声波距离测量传感器实现高灵敏度接收信号链。
龙腾半导体SGT MOSFET LSGT085R018在智慧农业无