时间:2025-03-20 15:20
人气:
作者:admin
LV 器件系列包含单路、双路和四路独立电压比较器,这些比较器可在宽电源电压范围内运行。LV 器件可直接替代低压 (≤ 5V) 应用中的标准 TL331、LM2xx、LM3xx 和 LM290x 比较器系列,以便提高性能,并增添功能。
数据手册:*附件:TL331LV 具有引脚4输出的1.65V至 5.5V、低电压单路标准比较器技术手册.pdf
LV 器件包含上电复位 (POR) 特性,可确保输出处于高阻态,直到达到最小电源电压,从而防止上电和断电期间出现输出瞬变。该系列还具有可升至 6V 而不会造成损坏或相位反转的轨到轨输入。
LV 器件的额定工作温度范围为 -40°C 至 +125°C,涵盖了 TL331、LM2xx、LM3xx 和 LM290x 比较器系列的范围。
特性
• 1.65V 至 5.5V 的电源电压范围
• 具有失效防护的轨至轨输入
• 低输入失调电压的典型值为 400µV
• 典型传播延迟为 600ns
• 低静态电流典型值为为 25µA/通道
• 低输入偏置电流典型值为 5pA
• 开漏输出
• -40°C 到 +125°C 的全温度范围
• 已知启动的上电复位 (POR)
• 2kV ESD 保护
• 改进了 TL331、LM393 和 LM339 系列的替代品,
适用于 VCC ≤ 5V。
• 单通道的替代引脚 (TL391)
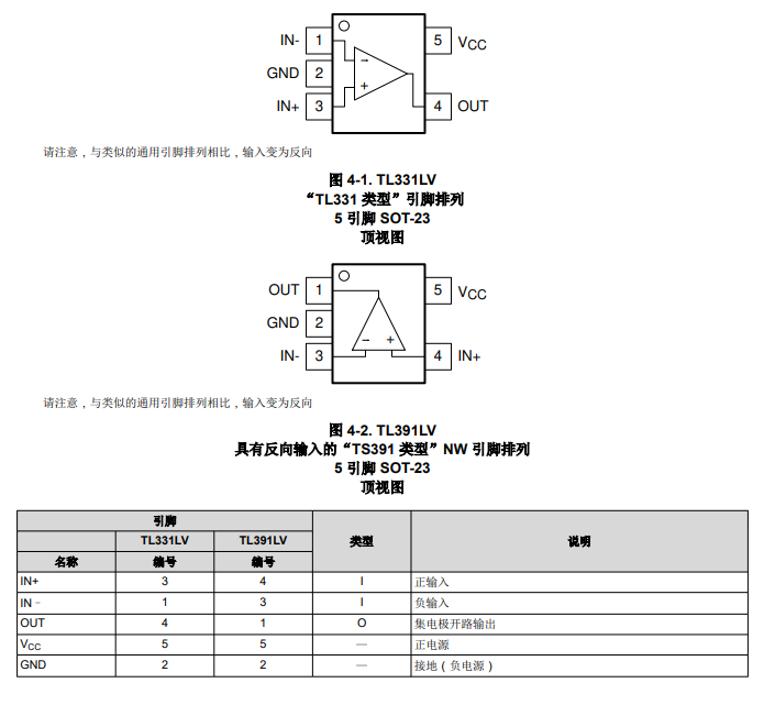
引脚配置和功能
典型特性
功能方框图
应用
• 扫地机器人
• 单相 UPS
• 服务器 PSU
• 无绳电动工具
• 无线基础设施
• 电器
• 楼宇自动化
• 工厂自动化与控制
• 电机驱动器
• 信息娱乐系统与仪表组
典型应用
窗口比较器通常用于检测欠压和过压情况。图 7-7 显示了一个简单的窗口比较器电路。如果输出端直接连接在一起,则窗口比较器需要开漏输出。
龙腾半导体SGT MOSFET LSGT085R018在智慧农业无