时间:2025-02-24 10:52
人气:
作者:admin
简介
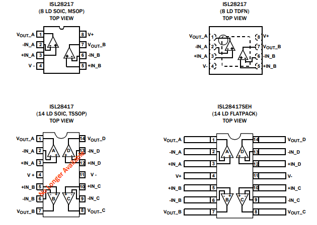
ISL28217 是一款非常高精度的放大器,具有低噪声功耗、低失调电压、低偏置电流和低温度漂移等特点,是需要高直流精度和交流性能的应用的理想选择。精度、低噪声和小尺寸相结合,与同类竞争部件相比,为用户提供了卓越的价值和灵活性。这些放大器的应用包括精密有源滤波器、医疗和分析仪器、精密电源控制和工业控制。ISL28217双通道运算放大器采用 8 L、SOIC、MSOP 和 TDFN 封装。此外,该器件采用标准引脚配置,可在 -40 °C 至 +125 °C 的扩展温度范围内工作。
下载:*附件:ISL28217 40V精密、低功耗运算放大器应用笔记.pdf
特性
应用
双向 3000W UPS 电源
精密仪器
医疗仪器
电源控制
有源滤波器块
热电偶和 RTD 基准缓冲器
数据采集
引脚图

龙腾半导体SGT MOSFET LSGT085R018在智慧农业无