时间:2025-02-24 11:48
人气:
作者:admin
简介
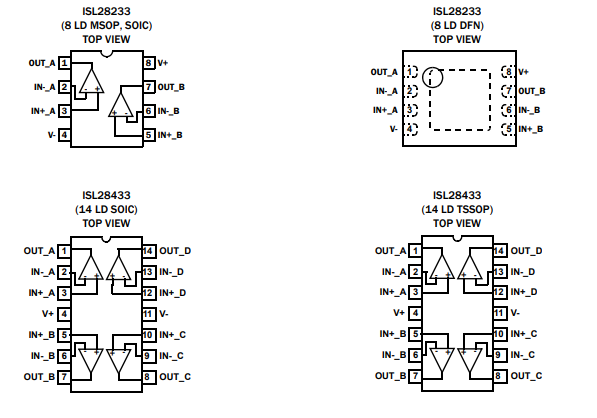
ISL28433 是一款四通道微功率、斩波器稳定运算放大器,针对 1.65V 至 6.0V 和 ±0.825V 至 ± 3.0V 的单电源和双电源作进行了优化。其 18μA 的低电源电流和宽输入范围使 ISL28433 成为适用于各种应用的出色通用运算放大器。ISL28433 非常适合使用 2 节 AA 或单节锂离子电池工作的手持设备。ISL28433 采用 14 Ld TSSOP、14 Ld SOIC 和 14 Ld 3mm x 4mm TDFN 封装。该器件的工作温度范围为 -40 °C 至 +125 °C。
下载:*附件:ISL28433四通道微功率、稳定斩波、RRIO运算放大器应用笔记.pdf
特性
应用


龙腾半导体SGT MOSFET LSGT085R018在智慧农业无