时间:2025-02-24 15:13
人气:
作者:admin
简介
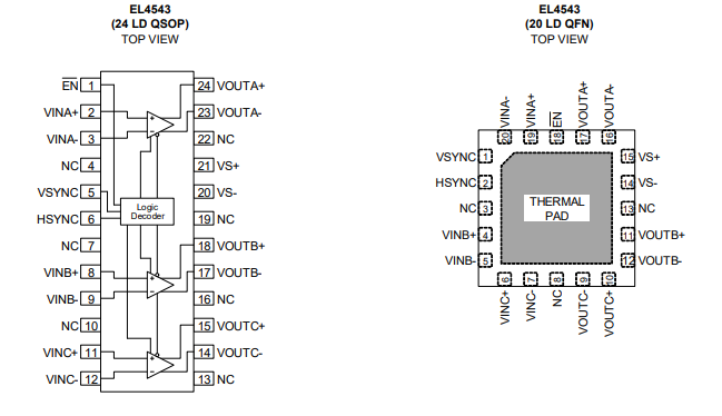
EL4543 是一款高带宽三路差分放大器,集成了视频同步信号编码功能。输入适合处理单端或差分形式的高速视频或其他通信信号,共模输入范围一直扩展到负电源轨,从而在单电源应用中实现以地为参考的信号。高带宽使标准双绞线或同轴电缆的差分信号能够以极低的谐波失真实现,而内部反馈可确保输出端的增益和相位平衡,从而减少辐射 EMI 和谐波。嵌入式逻辑将标准视频水平和垂直同步信号编码到双绞线的共模上,无需额外的缓冲器或传输线即可传输这些附加信息。与分立式线路驱动器相比,EL4543 可显著节省系统成本。EL4543 提供 24 Ld QSOP 封装和 20 Ld QFN 封装,额定工作温度范围为 -40°C 至 +85°C。
下载:*附件:EL4543系列具有共模同步编码的三路差分放大器应用笔记.pdf
特性:
应用
引脚排列

典型性能曲线
龙腾半导体SGT MOSFET LSGT085R018在智慧农业无