时间:2025-02-24 15:27
人气:
作者:admin
简介
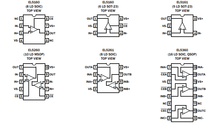
EL5160、EL5161、EL5260、EL5261 和 EL5360 是电流反馈放大器,带宽为 200MHz,工作频率仅为 0。75mA 电源电流。这使得这些放大器成为当今高速视频和监视器应用的理想选择。这些放大器能够采用 5V 至 10V 的单电源电压工作,非常适合手持式、便携式或电池供电设备。EL5160、EL5260 和 EL5360 还具有启用和禁用功能,可将每个放大器的电源电流降低至 14μA (典型值)。允许 CE 引脚悬空或施加低逻辑电平使能相应的放大器。EL5160 采用 6 引脚 SOT-23 和 8 引脚 SOIC、5 引脚 SOT-23 封装的 EL5161、10 引脚 MSOP 封装的 EL5260、8 引脚 SOIC 封装的 EL5261、16 引脚 SOIC 和 QSOP 封装的 EL5360。所有产品均可在 -40°C 至 +85°C 的工业温度范围内工作。
下载:*附件:EL5161系列200MHz低功耗电流反馈放大器应用笔记.pdf
特性
应用


龙腾半导体SGT MOSFET LSGT085R018在智慧农业无