时间:2025-02-25 11:00
人气:
作者:admin
概述
ICL761X 系列是 CMOS 运算放大器系列。这些器件为设计人员提供了在低电源电压和可选静态电流下的高性能作,是需要超低输入电流和低功耗时的理想设计工具。基本放大器将在 ±1V 至 ±8V 的电源电压范围内工作,并且可以由单节锂电池供电。一个独特的静态电流编程引脚允许将待机电流设置为 1mA、100μA 或 10μA,无需外部元件。这导致功耗低至 20μW。输出摆幅范围在电源电压的几毫伏范围内。特别重要的是极低 (1pA) 的输入电流,输入噪声电流为 0。01pA/√Hz 和 10^12^Ω 输入阻抗。这些特性优化了非常高的源阻抗应用的性能。输入受到内部保护。输出受到全面保护,可防止对地或任一电源短路。交流性能非常出色,转换速率为 1。6V/μs,IQ = 1mA 时单位增益带宽为 1MHz。由于功耗低,结温上升和漂移非常低。利用这些功能的应用可能包括稳定的仪器、延长使用寿命的设计或高密度封装。
数据表:*附件:ICL7611 1.4MHz、低功耗CMOS运算放大器应用笔记.pdf
特性
应用
引脚功能图
电气规格
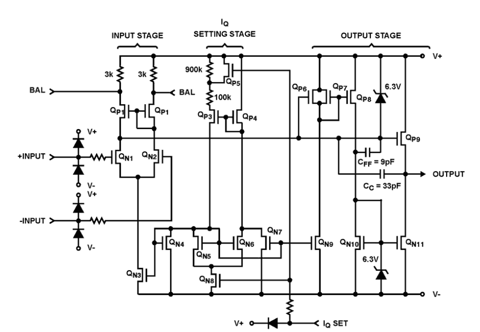
功能框图
双列直插式塑料封装(PDIP)
龙腾半导体SGT MOSFET LSGT085R018在智慧农业无