时间:2025-03-03 16:35
人气:
作者:admin
前 言
在工商业储能系统中,储能变流器(PCS)是核心组件之一,其性能直接影响整个系统的效率和可靠性。随着碳化硅(SiC)功率器件的广泛应用,储能PCS的效率、功率密度和可靠性得到了显著提升。本文将详细介绍基本半导体产品在125kW工商业储能PCS中的应用,并通过仿真数据和实际案例,展示其在高温、满负载(同时满足120%负载要求)环境下的优异表现。
一、125kW工商业储能PCS主流解决方案
工商业储能系统PCS的拓扑结构设计至关重要,我们列举几个较为典型的方案。
1、T型三电平拓扑--IGBT

2、T型三电平拓扑--混合器件

3、I型三电平拓扑--IGBT

4、半桥两电平拓扑-- 碳化硅MOSFET

二、BMF240R12E2G3在125kW工商业PCS应用的仿真数据
基本半导体的碳化硅MOSFET半桥PcoreTM2E2B模块BMF240R12E2G3在125kW工商业储能PCS中表现出色。通过仿真数据,可以看到其在高温、高负载环境下的优异性能。
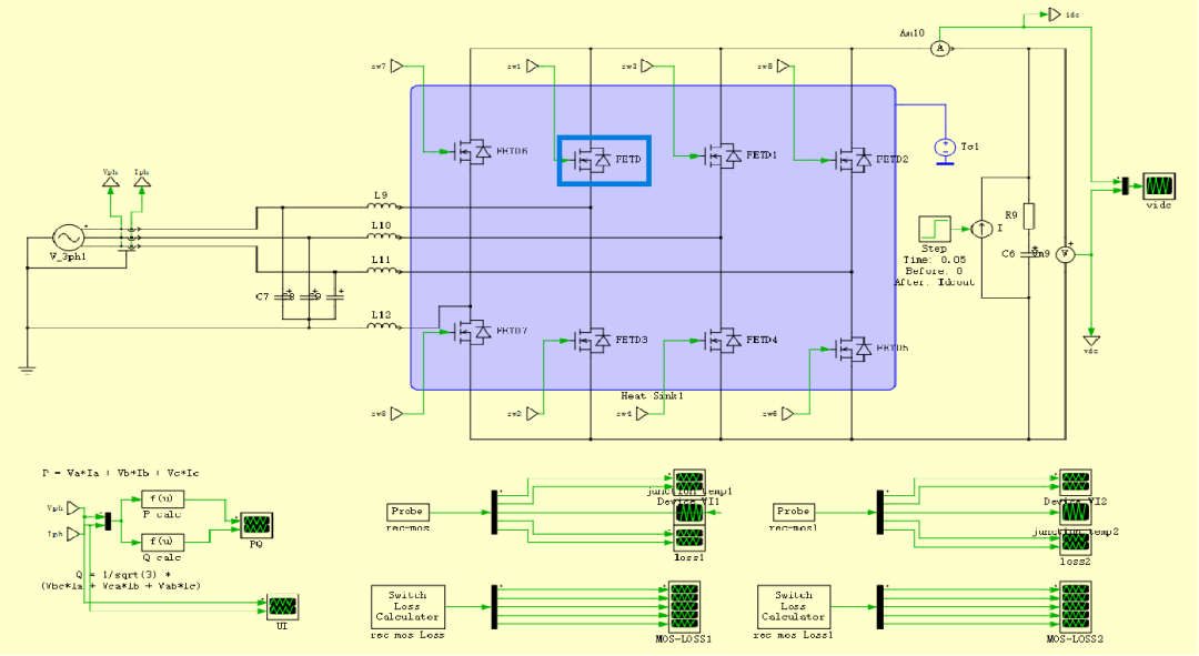
1、仿真条件--BMF240R12E2G3不并联用于125kW 三相四桥臂PCS
仿真65℃/70℃/80℃散热器温度下,PCS整流和逆变三相四桥拓扑中E2B模块1倍负载(125kW)、1.1倍负载(137.5kW)、1.2倍负载(150kW)碳化硅MOSFET的损耗和结温。

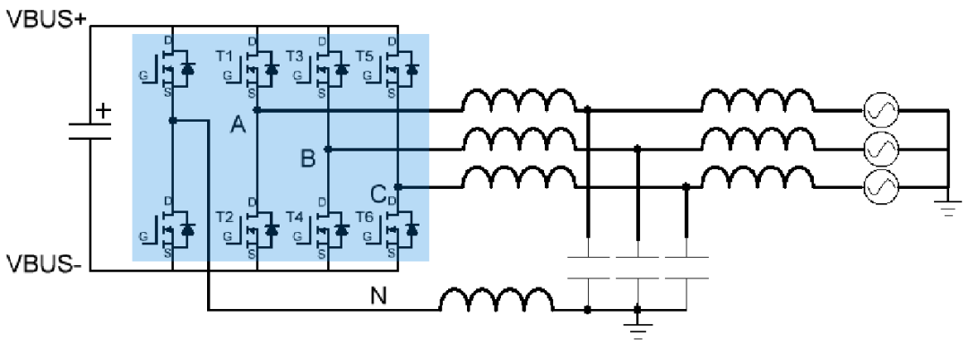
2、仿真拓扑--三相四桥臂PCS
温度和损耗监控U相,V相,W相中其中一桥臂的碳化硅MOSFET,此次仿真监控蓝色框内的碳化硅MOSFET。

3、结温和损耗仿真数据--100%负载(整流工况)
仿真65℃/70℃/80℃散热器温度下,PCS拓扑中E2B模块1倍负载(125kW)碳化硅 MOSFET的损耗和结温情况:在相同的开关频率下,随着散热器的温度升高,碳化硅 MOSFET的开关损耗反而在下降,一定程度上抵消了导通损耗的增加,高温条件下的出流能力更强,这是基本半导体碳化硅模块BMF240R12E2G3本身固有的优秀特性带来的结果。

4、结温和损耗仿真数据--120%负载(整流工况)
不同工况下的结温、损耗对比:仿真65℃/70℃/80℃散热器温度下,PCS拓扑中E2B模块1.2倍负载(150kW)碳化硅MOSFET的损耗和结温如下表格所示。

5、结温和损耗仿真数据--120%负载(逆变工况)
不同工况下的结温、损耗对比:仿真65℃/70℃/80℃散热器温度下,PCS拓扑中PcoreTM2E2B模块1.2倍负载(150kW)碳化硅MOSFET的损耗和结温。

6、碳化硅MOSFET和集成电路在125kW工商业PCS应用中的选型(三相四桥臂)


三、主电路采用的碳化硅 MOSFET器件
1、Pcore2 E2B系列碳化硅MOSFET工业模块
产品亮点
低导通电阻,高温RDS(on)表现优异
内部集成碳化硅SBD,管压降低且基本没有反向恢复行为
低开关损耗,开关损耗随温度上升反而下降
高阈值电压,降低误导通风险
高性能Si3N4 AMB和高温焊料引入,提高产品可靠性
支持Press-Fit压接和Soldering焊接工艺
集成NTC温度传感器
应用领域
大功率快速充电桩
150A APF
125kW PCS
高端工业电焊机
高频DCDC变换器
电机驱动控制


1)碳化硅MOSFET芯片采用内嵌碳化硅SBD的技术
在碳化硅MOSFET的元胞中嵌入碳化硅SBD元胞,可以显著提升碳化硅MOSFET的性能。与MOSFET配合换流的是碳化硅SBD而不是MOSFET的体二极管,比起碳化硅MOSFET的体二极管换流,Eon会有优势。


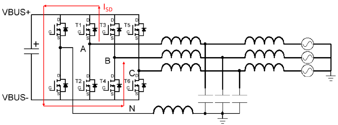
2)BMF240R12E2G3采用芯片内嵌碳化硅SBD二极管给系统带来的优势
可实现MOSFET的源极到漏极更低的VSD,比普通碳化硅 MOSFET的VSD要明显低。当电网电压异常波动时,PCS系统将有可能停止工作,碳化硅MOSFET门极封波,同时电网侧的断路器将断开,切断PCS系统和电网的连接,在断路器完全切断之前的时间内,电网通过体二极管对PCS进行不控整流,整流电流ISD从电网侧涌进PCS的直流母线,这种工况需要靠碳化硅MOSFET的反并联二极管硬扛浪涌电流。由于BMF240R12E2G3的SD间二极管有更低的VSD,这将大大降低导通损耗,从而提高碳化硅MOSFET的对电网浪涌电流的抵御能力。

3)BMF240R12E2G3的开通损耗Eon随温度升高而降低
从以下各品牌曲线图得出,碳化硅MOSFET的Eon的数值远大于Eoff,Eon占总损耗Etotal的60%~80%左右。
其他同行品牌I***和W***的Eon显正温度特性,随着温度上升Eon变大。
BMF240R12E2G3的Eon呈现负温度特性,随着温度上升Eon变小,这使得高温时开关损耗会下降,而Eon的权重很高,所以高温重载时,整机效率就显得很出色,尤其在硬开关的拓扑中,这个特征在PCS应用中很有价值。

4)与国际品牌的静态参数对比
a. 根据静态特性,BMF240R12E2G3 在 BVDSS、VGS(th)、VSD、Crss 方面表现出色,优于其他同行产品。

b. 漏电IGSS 和开启电压VGS(th) 参数

c. RDS(ON) 参数

d. 体二极管VSD (Forward Voltage of Body-Diode) 和栅极电阻RG(int)

5)与国际品牌的动态参数对比
a. 电容参数

b. 双脉冲测试平台

c. 高温和低温,基本半导体BMF240R12E2G3 的Eoff、Etotal性能优异,都优于W***和I***
BMF240R12E2G3在高温(Tj=125℃)时的Eon相比常温(Tj=25℃)时的Eon显著下降,这是BMF240R12E2G3最优秀的一项动态特性。

d. 高温和低温,体二极管的Qrr和Err的性能优于W***
基本半导体BMF240R12E2G3的体二极管的反向恢复电流变化率di/dt,在高温(Tj=125℃)时的数值相比常温(Tj=25℃)时的数量大幅度下降。

e. BMF240R12E2G3(BASiC)开关波形
测试条件: VDC=800V; ID=400A; Rgon=Rgoff=3.3Ω,Vgs(op)=-3V/+18V; Tj=125℃

f. 同行品牌W***开关波形
测试条件: VDC=800V; ID=400A; Rgon=Rgoff=3.3Ω,Vgs(op)=-3V/+18V; Tj=125℃

g. 同行品牌I***开关波形
测试条件: VDC=800V; ID=400A; Rgon=Rgoff=3.3Ω,Vgs(op)=-3V/+18V; Tj=125℃

2、基本半导体B2M 碳化硅MOSFET分立器件
基本半导体化硅MOSFET系列产品基于高性能晶圆平台进行开发,在比导通电阻、品质系数因子FOM、开关损耗以及可靠性等方面表现更为出色。同时,碳化硅 MOSFET系列产品的封装更为丰富,以更好满足客户需求。

基本半导体碳化硅MOSFET分立器件产品型谱

三、碳化硅MOSFET模块的驱动板整体解决方案
为了充分发挥碳化硅MOSFET的性能,基本半导体提供完整的驱动板解决方案BSRD-2423-ES01及其零件。该碳化硅 MOSFET驱动板所应用的三款零件为基本半导体自主研发产品,包括双通道隔离变压器TR-P15DS23-EE13、正激DCDC电源芯片BTP1521x、单通道隔离驱动芯片BTD5350MCWR,客户可单独采用这些零件进行整体方案的设计。
1、碳化硅MOSFET驱动板参考设计

即插即用驱动板型号为BSRD-2423-ES01
两组输入电压,分别是24V和5V
2通道输出,单通道输出功率2W
驱动芯片直接输出峰值拉灌电流10A,无须外置推动级
可支持驱动1200V的功率器件(碳化硅 MOSFET)
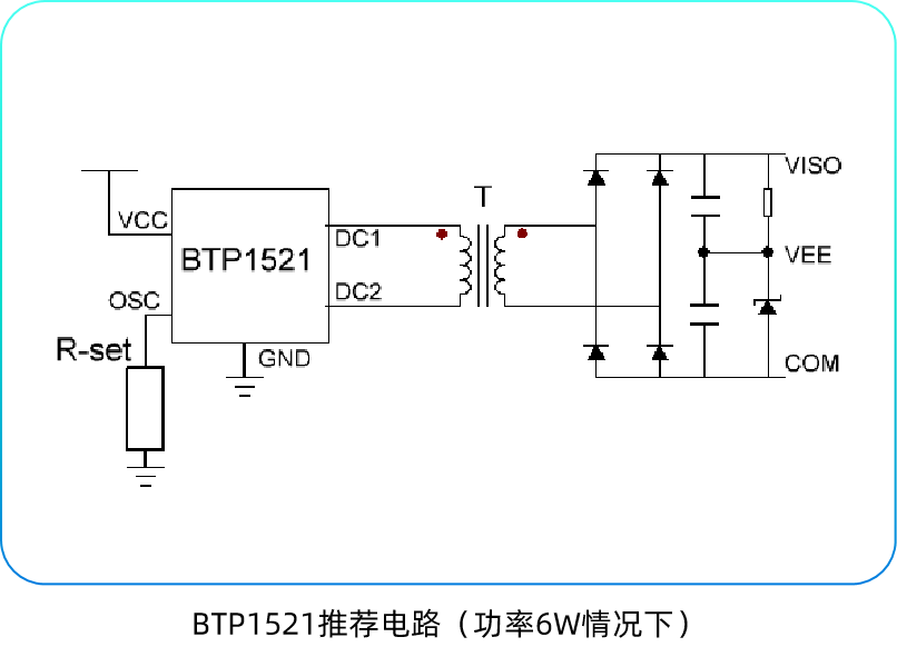
2、隔离驱动专用正激DC-DC芯片BTP1521x

输出功率可达6W
适用于给隔离驱动芯片副边电源供电
正激电路(H桥逆变或推挽逆变)
软启动时间1.5ms
工作频率可编程,最高工作频率可达1.3MHz
VCC供电电压可达24V
VCC欠压保护点4.7V
工作环境-40~125℃
芯片过温保护点150℃, 过温恢复点120℃
超小体积封装
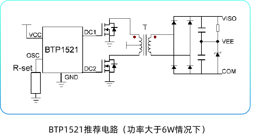
BTP1521x应用推荐电路图
DC1和DC2接变压器原边线圈,副边二极管桥式整流,组成开环的全桥拓扑(H桥逆变),输出功率可达6W, 输出经过电阻和稳压管分压后构成正负压,供碳化硅MOSFET使用,非常适用于给隔离驱动芯片副边电源供电。

当副边需求功率大于 6W 时, 可以使用推挽逆变拓扑,通过DC1和DC2 端控制外接的 MOSFET 来增加输出功率。

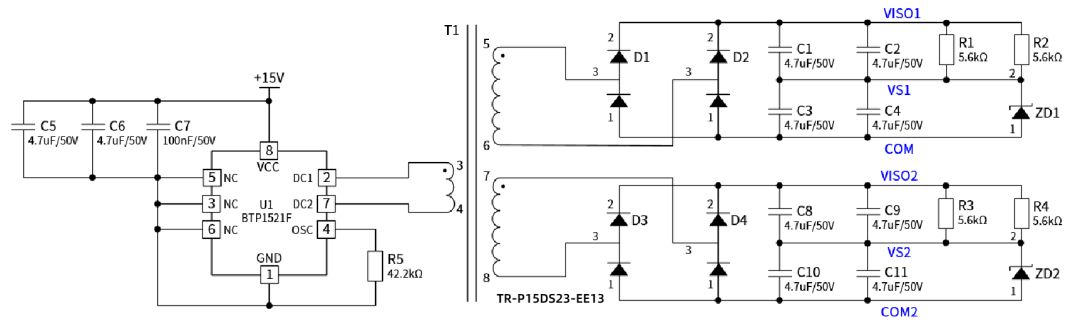
3、双通道隔离变压器TR-P15DS23-EE13介绍
TR-P15DS23-EE13是驱动器专用的隔离电源变压器,采用EE13骨架,可实现驱动器隔离供电,传输功率可达4W(每通道2W)。原理框图中N1是原边线圈,N2和N3是副边线圈,采用EE磁芯,磁芯材质铁氧体。


BTP1521F搭配隔离变压器TR-P15DS23-EE13典型应用介绍

全桥式拓扑,副边两路输出,单路输出功率可达2W,总输出功率4W。
输入电压15V ,副边全桥整流输出全电压(VISO-COM=23V)。
输出全电压通过4.7V的稳压管,将全电压拆分成正电压(VISO-VS=18V),负电压(COM-VS=-4V)。
BTP1521F的OSC管脚通过电阻R5=42.2kΩ接地,设置工作频率为F=477kHz。
工作频率可以通过RF-set电阻设置,本公式提供了RF-set(kΩ)和F(kHz)之间的关系(典型值):

4、隔离驱动BTD5350MCWR典型应用介绍

原方VCC1供电电压5V
BTD5350xx是电压型输入的容隔驱动,输入IN是高阻抗,如果输入信号PCB布线不合理,容易导致输入信号受到干扰,驱动芯片会误动作,建议在PWM输入接电阻R11=10kΩ到地(甚至更低的电阻),目的是使得PWM信号的线路上能产生足够的电流,可以避免芯片输入IN脚受到干扰,同时靠近芯片IN脚接滤波电容C25=100pF到地。
副方电源VISO2接+18V, COM2接-4V ,G2连接到主功率板上的门极电阻。
驱动芯片米勒钳位Clamp连接到主功率板上SiC MOSFET门极。
当R3=22Ω,上下两通道可以实现互锁模式,当去掉R3,上下通道独立控制,无互锁功能。
随着碳化硅技术的不断进步,碳化硅MOSFET在工商业储能PCS中的应用前景广阔。基本半导体的碳化硅产品凭借优异的性能和可靠性,成为125kW工商业储能PCS客户的理想选择。未来,随着碳化硅器件的成本进一步下降,其在储能系统中的应用将更加广泛,推动整个行业向高效、高可靠的方向发展。
关于基本半导体
深圳基本半导体股份有限公司是中国第三代半导体创新企业,专业从事碳化硅功率器件的研发与产业化。公司总部位于深圳,在北京、上海、无锡、香港以及日本名古屋设有研发中心和制造基地。公司拥有一支国际化的研发团队,核心团队由来自清华大学、中国科学院、英国剑桥大学、德国亚琛工业大学、瑞士联邦理工学院等国内外知名高校及研究机构的博士组成。
基本半导体掌握碳化硅核心技术,研发覆盖碳化硅功率半导体的芯片设计、晶圆制造、封装测试、驱动应用等产业链关键环节,拥有知识产权两百余项,核心产品包括碳化硅二极管和MOSFET芯片、汽车级及工业级碳化硅功率模块、功率器件驱动芯片等,性能达到国际先进水平,服务于电动汽车、风光储能、轨道交通、工业控制、智能电网等领域的全球数百家客户。
基本半导体是国家级专精特新“小巨人”企业,承担了国家工信部、科技部及广东省、深圳市的数十项研发及产业化项目,与深圳清华大学研究院共建第三代半导体材料与器件研发中心,是国家5G中高频器件创新中心股东单位之一,获批中国科协产学研融合技术创新服务体系第三代半导体协同创新中心、广东省第三代半导体碳化硅功率器件工程技术研究中心。
上一篇:场效应晶体管入门指南
龙腾半导体SGT MOSFET LSGT085R018在智慧农业无