时间:2024-12-09 14:26
人气:
作者:admin
在上期中,我们介绍了控制 PFC 并实现单位功率因数的新方法。
本期,为大家带来的是《对比双电源分立式和集成式仪表放大器》,目的是比较三种双电源 IA 电路:使用四路运算放大器 (op amp) 的分立式 IA、具有集成增益设置电阻器 (RG) 的通用 IA 和带有外部 RG 的精密 IA。
引言
设计分立式仪表放大器 (IA) 与集成式 IA 的优点和缺点有很多,而且经常争论不休。需要考虑的一些变量包括印刷电路板 (PCB) 面积、增益范围、性能(随温度变化)和成本。本文的目的是比较三种双电源 IA 电路:使用四路运算放大器 (op amp) 的分立式 IA、具有集成增益设置电阻器 (RG) 的通用 IA 和带有外部 RG 的精密 IA。
双电源电路
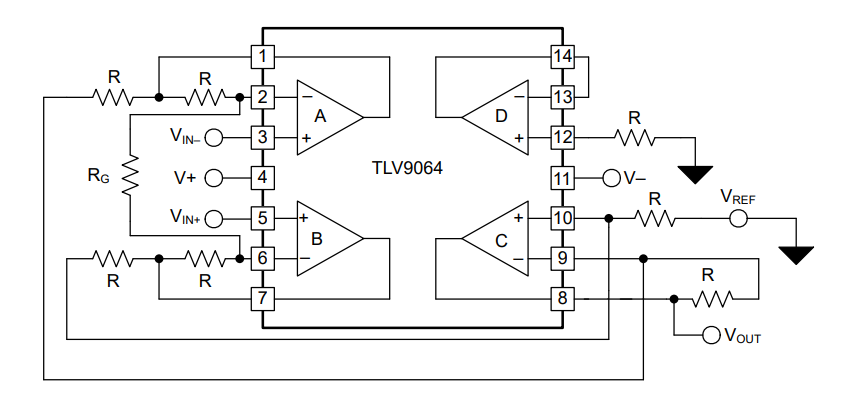
图 1 是使用德州仪器 (TI) TLV9064 四路运算放大器电路的分立式双电源 IA 的简化原理图。在此电路中,四个放大器通道中的三个(A、B 和 C)作为传统的三运算放大器 IA连接。基准电压 (VREF) 接地。由于第四个通道 D 没有使用,因此它作为缓冲器通过一个电阻器连接到 1/2 Vs(接地)以实现瞬态稳定性。所有标有 “R” 的电阻值均为 10kΩ;RG 设置差分增益。差分输入电压为 VIN+ − VIN–,输出电压为 VOUT。一些元件未显示,例如负载电阻器 (10kΩ) 和去耦电容器。从封装角度绘制所有电路说明了外部分立元件的数量。

图 1. 使用四路运算放大器的分立式双电源 IA
方程式 1 提供了该电路的传递函数:

方程式 1
当 PCB 面积和性能次于成本和增益范围时,设计人员通常会选择分立式 IA。之所以选择 TI 的 TLV9064IRUCR 运算放大器进行此次比较,因为它是一款轨到轨输入/输出器件 (RRIO),具有宽带宽 (10MHz) 和低典型初始输入失调电压 (VOS(typ) = 300µV),并且采用小型封装 (RUC = X2QFN =4mm2)。虽然 RUC/X2QFN 封装中存在较便宜的 RRIO 四路运算放大器,但它们会影响带宽和典型失调电压。
为了与分立式 IA 的设计优先级保持一致,安装了价格低廉的 ±1% 容差、±100ppm/°C 漂移电阻器。这些电阻器不仅初始值不同,而且可能会随着温度的变化而发生显着漂移。由于 RG 是外部的,因此该配置的增益主要受运算放大器的输入失调电压限制。
图 2 是 TI INA350ABS 的简化原理图,这是一款集成了 RG 的通用双电源 IA。VREF 接地。该电路集成了 IA 中的所有电阻。差分输入电压为 VIN+ − VIN–,输出电压为 VOUT。一些元件未显示,例如负载电阻器 (10kΩ) 和去耦电容器。IA 的增益根据连接到引脚 1 的开关进行设置(开路 = 20V/V,闭合 = 10V/V)。在实际应用中,开关将不存在。要启用该器件,请将引脚 8 (SHDN) 连接至 V+ 或使其悬空。

图 2. 具有集成 RG 的通用双电源 IA
方程式 2 提供了该电路的传递函数:

方程式 2
当设计人员需要平衡成本、性能和 PCB 面积时,通常会选择此 IA。之所以选择 INA350ABSIDSGR IA 进行本次比较,是因为它性价比高、性能高、采用小型封装(主要DSG = WSON = 4mm2)、可选增益(10V/V 或 20V/V),并且具有低典型输入失调电压 (VOS(typ) = 200µV)。此实现无需外部元件。对于需要更高增益的设计,INA350CDS 的增益为 30V/V 或 50V/V。
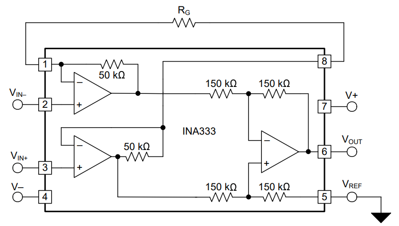
图 3 是具有外部 RG 的 TI INA333 精密双电源 IA 的简化原理图。VREF 接地。在该电路中,IA 集成了除 RG 之外的所有电阻。差分输入电压为 VIN+ − VIN–,输出电压为 VOUT。一些元件未显示,例如负载电阻器 (10kΩ) 和去耦电容器。

图 3. 具有外部 RG 的精密双电源 IA
方程式 3 提供了该电路的传递函数:

方程式 3
当性能具有最高优先级时,设计人员通常会使用精密 IA。之所以选择 INA333AIDRGR 精密 IA 进行本次比较,是因为它电压低 (5V),具有出色的精度 (G = 1 V/V, VOS(typ) = 35µV),并且采用小型封装 (DRG = WSON = 9mm2)。整个温度范围内的性能取决于所选择的外部 RG。因此,为了与主要设计优先事项(性能)保持一致,我们使用了精密 RG来提供增益 10V/V(±0.05%,±10 ppm/°C)。由于集成了精密运算放大器,因此该实现具有出色的增益范围(1V/V 至 1,000V/V)。然而,考虑到集成精密运算放大器和所需的精密 RG,总体成本通常高于其他两种解决方案。
PCB 布局
一个专门为此比较而设计的 PCB 在一个圆形区域中包含上述三个电路,温度强制单元的喷嘴将安装在该区域上。向每个电路提供相同的输入信号时非常小心,以减轻对“泄漏”的担忧。每个输出均单独布线以确保隔离。
图 4 展示了每个 IA 电路的简化布局,以比较每个解决方案的相对大小,包括去耦电容器。出于比较目的,使用了最小的器件封装,以及 0402 封装中的电阻器和电容器。

图 4. 双电源 IA 电路的简化 PCB 布局比较
如您所见,离散 IA 实现明显大于两个集成解决方案。凭借集成的 RG 和更小的内核尺寸,通用 IA 布局的尺寸几乎是精密 IA 布局的一半。
测量结果
增益和失调电压误差用来衡量每个电路在整个温度范围内的相对性能。作为基线测量,精密双电源 IA 的增益为 1V/V(RG =开路)。对于每次扫描,输入信号都会被缩放,以使输出电压范围为 –2V 至 +2V。
表 1 描述了在整个温度范围内 G = 1V/V 时,精度 IA 的基线增益和失调电压误差。该表包含数据表在 25°C 时的典型增益和失调电压误差值,以验证测量系统。

表 1. 精密 IA 增益和失调电压误差
与温度间的关系 (G = 1V/V)。
表 2 描述了在整个温度范围内增益为 10V/V 时,所有 IA 的增益和失调电压误差(参考了输出 [RTO])。绿色阴影表示每个温度下性能最高的实现

表 2. 增益和失调电压误差 (RTO)
与温度的关系(增益 = 10V/V)
表 1 和表 2 显示,从性能的角度来看,如果没有外部 RG,精密的双电源 IA 优于所有其他解决方案。从增益误差的角度来看,通用和精密 IA 解决方案相当。这主要是因为 G = 10V/V 精密 IA 实现需要外部 RG,而通用解决方案集成了 RG。在查看失调电压误差时,精密 IA 解决方案显然是最准确的,而通用失调电压误差约为离散解决方案的一半。总体而言,与两种集成解决方案相比,分立式 IA 的性能明显较差。
结论
虽然许多设计人员通常在低成本应用中实施分立式解决方案,但新的通用 IA(例如,TI 的 INA350)可能会产生更低的总体成本和更好的性能。根据增益的不同,精密 IA(如 INA333)可以提供卓越的性能和增益范围,尽管外部RG是重要的性能因素,尤其是在整个温度范围内。
表 3 对比较结果进行了总结。

表 3. 双电源 IA 电路解决方案比较
下次设计双电源 IA 时,请考虑本文概述的权衡取舍。对于需要最高精度的应用,精密 IA 是必然的选择。对于需要经济高效的性能的应用,选择不再像构建分立式 IA 那么简单。新的通用 IA 可以提供比分立式解决方案明显更好的性能,同时占用更少的 PCB 面积并降低系统成本。
龙腾半导体SGT MOSFET LSGT085R018在智慧农业无