本文主要通过 TPF632A 音频驱动器的电源系统,分析了运算放大器电源设计相关内容,包括设计要点、具体要求和遵循原则等,强调了合理电源设计对电路性能、稳定性和可靠性的重要性。

*附件:[TD]_Analyzing_the_Power_Supply_Design_of_Operational_Amplifiers_with_Examples.pdf
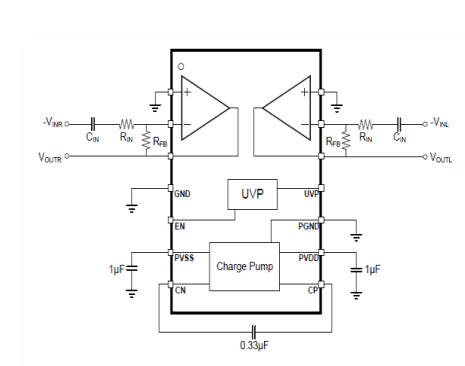
- TPF632A 音频驱动器概述
- 功能与应用 :TPF632A 是 3PEAK 设计的用于音频信号处理的音频驱动器,广泛应用于机顶盒、电视、扬声器等产品,其集成设计简化了电路结构,PVDD 为单电源输入引脚,内置电荷泵可转换电压并供电,还内置抗爆音噪声电路。
- 电源设计要点
- 外部元件选择
- 电容选择 :根据纹波和启动电流要求提供了参考值,电容材料需为 X5R 或更高等级,否则可能在特定温度下性能下降或导致开关电源故障。
- 电荷泵工作原理 :以约 330kHz 频率开关,一个周期内前半周期两组晶体管导通,后半周期另外两组导通。
- 布局考虑 :电荷泵的三个电容应靠近芯片放置,尽量不使用过孔走线,以减少布线路径和寄生参数,避免瞬时电压过冲或下降。
- 去耦电路 :PVDD 电源引脚前级源可能含高频噪声,可引入 RC 或 LC 去耦网络,C1 推荐 1μF 及以上电容,L1 简化可使用电阻(不超 10 欧姆),更好的选择是磁珠(具有低直流电阻和大交流阻抗等优点)。
- 电源系统设计原则总结
- 布局优先 :电路板布局时优先考虑电源电路,区分电源和信号路径,优化走线和接地。
- 元件选择 :考虑各种重要参数确保设计余量。
- 特殊要求 :高压大电流系统需考虑安全和 EMC 要求。