时间:2025-01-15 10:22
人气:
作者:admin
驱动隔离电源专用的正激DCDC芯片BTP1521x

基本半导体自主研发的BTP1521x是一款正激DCDC开关电源芯片,集成上电软启动功能及过温保护功能,输出功率可达6W。该电源芯片工作频率通过OSC脚设定,最高工作频率可达1.3MHz,适用于给隔离驱动芯片副边电源供电。芯片有SOP-8封装、DFN3*3-8封装两种封装形式。
功能框图

产品特点
输出功率可达6W
软启动时间1.5ms
工作频率可编程,最高工作频率可达1.3MHz
VCC供电电压可达20V
VCC欠压保护点4.7V
工作环境温度-40~125℃
芯片过温保护点160℃,过温恢复点120℃
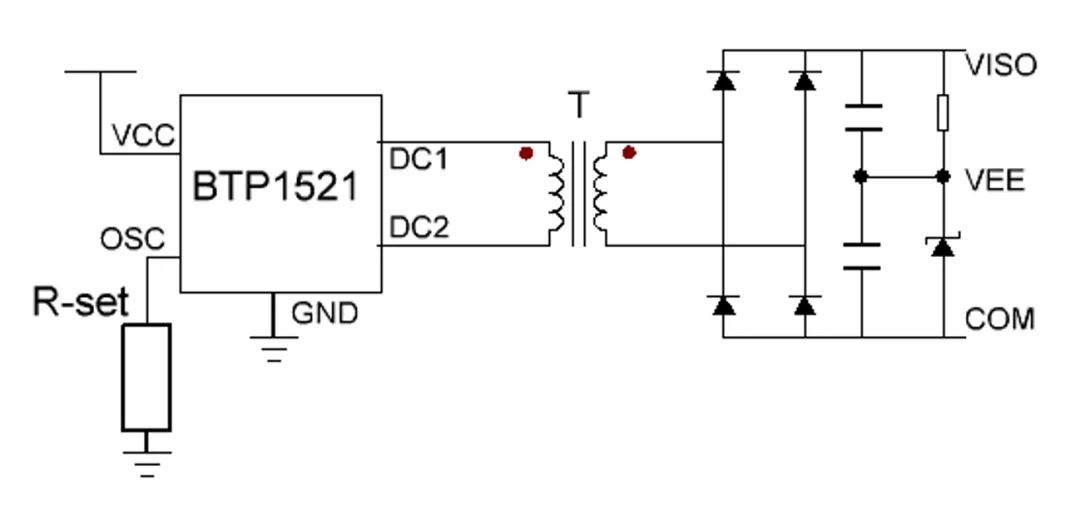
推荐电路
BTP1521x推荐电路(功率小于6W情况下)

DC1和DC2接变压器原边线圈,副边二极管桥式整流,组成开环的全桥拓扑(H桥逆变),输出功率可达6W, 输出经过电阻和稳压管分压后构成正负压,供SiC MOSFET使用,非常适用于给隔离驱动芯片副边电源供电。
BTP1521x推荐电路(功率大于6W情况下)

当副边需求功率大于6W时, 可以使用推挽逆变拓扑,通过DC1和DC2 端控制外接的MOSFET来增加输出功率。
应用领域
充电桩模块
焊机电源
伺服电机驱动
光伏逆变器
储能PCS
典型应用
针对碳化硅MOSFET的隔离驱动电源应用
(BTP1521x搭配电源变压器TR-P15DS23-EE13)

针对+18/-4V碳化硅MOSFET隔离驱动电源
副边两路输出,单路输出功率可达2W,总输出功率4W
输入电压15V,副边全桥整流输出全电压(VISO-COM=23.3V)
输出全电压通过4.7V的稳压管,将全电压拆分成正电压(VISO-VS=18.6V)、负电压(COM-VS=-4.7V)
BTP1521的OSC管脚通过电阻R5=43kΩ接地,设置工作频率为f=469kHz
建议在PCB布局时,将底部散热焊盘连接到芯片GND(针对DFN3*3-8封装)
双通道电源变压器TR-P15DS23-EE13介绍

TR-P15DS23-EE13是驱动器专用的隔离电源变压器,采用EE13骨架,可实现驱动器隔离供电,传输功率可达4W (每通道2W)
如上原理框图中,N1原边线圈,N2和N3是副边线圈
采用EE13磁芯,磁芯材质铁氧体
参考设计
碳化硅MOSFET驱动板参考设计一
(针对34mm碳化硅MOSFET模块)

即插即用驱动板型号为BSRD-2427-ES01
2通道输出,单通道输出功率2W
驱动芯片直接输出峰值拉灌电流10A,无须外置推动级
可支持1200V的功率器件(34mm碳化硅MOSFET模块)
碳化硅MOSFET驱动板参考设计二
(针对Easy系列碳化硅MOSFET模块)

即插即用驱动板型号为BSRD-2423-ES01
两组输入电压,分别是24V和5V
2通道输出,单通道输出功率2W
驱动芯片直接输出峰值拉灌电流10A,无须外置推动级
可支持驱动1200V的功率器件(SiC MOSFET)
产品列表

关于基本半导体
深圳基本半导体股份有限公司是中国第三代半导体创新企业,专业从事碳化硅功率器件的研发与产业化。公司总部位于深圳,在北京、上海、无锡、香港以及日本名古屋设有研发中心和制造基地。公司拥有一支国际化的研发团队,核心团队由来自清华大学、中国科学院、英国剑桥大学、德国亚琛工业大学、瑞士联邦理工学院等国内外知名高校及研究机构的博士组成。
基本半导体掌握碳化硅核心技术,研发覆盖碳化硅功率半导体的芯片设计、晶圆制造、封装测试、驱动应用等产业链关键环节,拥有知识产权两百余项,核心产品包括碳化硅二极管和MOSFET芯片、汽车级及工业级碳化硅功率模块、功率器件驱动芯片等,性能达到国际先进水平,服务于电动汽车、风光储能、轨道交通、工业控制、智能电网等领域的全球数百家客户。
基本半导体是国家级专精特新“小巨人”企业,承担了国家工信部、科技部及广东省、深圳市的数十项研发及产业化项目,与深圳清华大学研究院共建第三代半导体材料与器件研发中心,是国家5G中高频器件创新中心股东单位之一,获批中国科协产学研融合技术创新服务体系第三代半导体协同创新中心、广东省第三代半导体碳化硅功率器件工程技术研究中心。
上一篇:安森美高效电机架构与解决方案
下一篇:安森美如何引领电源技术的绿色变革
龙腾半导体SGT MOSFET LSGT085R018在智慧农业无