时间:2025-01-21 17:18
人气:
作者:admin
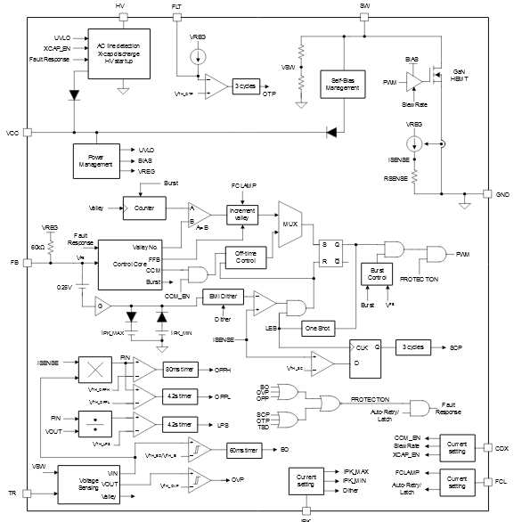
UCG28826 是一款高频准谐振反激式转换器,内置 170mΩ GaN 高电子迁移率晶体管(HEMT),可将交流电转换为直流电,适用于高达 65W的电源转换器。它非常适合高功率密度应用,例如手机快速充电器和笔记本电脑适配器。该器件的主要特性是自偏置和无辅助检测方案,这种方案完全消除了对辅助绕组的需求,简化了系统设计并提高了效率。
*附件:UCG28826 中文数据手册具有集成式 GaN 的自偏置高频 QR 反激式转换器.pdf
*附件:用户指南UCG28826EVM-093 65W USB-C PD 高密 GaN集成式准谐振反激式转换器.pdf
该器件还具有智能模式转换(CCM/QR/DCM) 功能,可在宽功率范围内实现高效率,待机功耗小于 30mW。此外,UCG28826还包含一系列完整的保护功能,例如过压/欠压保护、SCP、OVP、OLP、OFB 和OTP。逐周期电流限制可确保快速响应故障情况,从而保护系统并提高可靠性。我们实施了基于输入前馈和输出电压的 OLP 校正以满足 LPS要求。此外,UCG28826 还具有专用的配置引脚,从而提高了灵活性。只需使用电阻器,即可调整每个系统的特定参数,从而通过单个器件实现平台设计。

龙腾半导体SGT MOSFET LSGT085R018在智慧农业无