时间:2025-02-05 17:04
人气:
作者:admin
一、三端稳压器
典型三端稳压器(也称标准稳压器)的输出晶体管使用NPN型晶体管或N沟道MOSFET。
这类稳压器工作需要输入输出电压差,称为压差(VDO),如下图所示。NPN型稳压器,VDO最小值必须满足VIN-VOUT>RIN×IIN+2×VBE。

采用MOSFET的稳压器,VDO的最小值必须满足VIN-VOUT> RIN×IIN+VGS。假设RIN=1kΩ, IIN=1mA,VBE=0.7V,VGS=1V。那么,经计算生成5V输出电压所需最小输入电压,NPN型稳压器为7.4V,基于MOSFET的稳压器为7V。

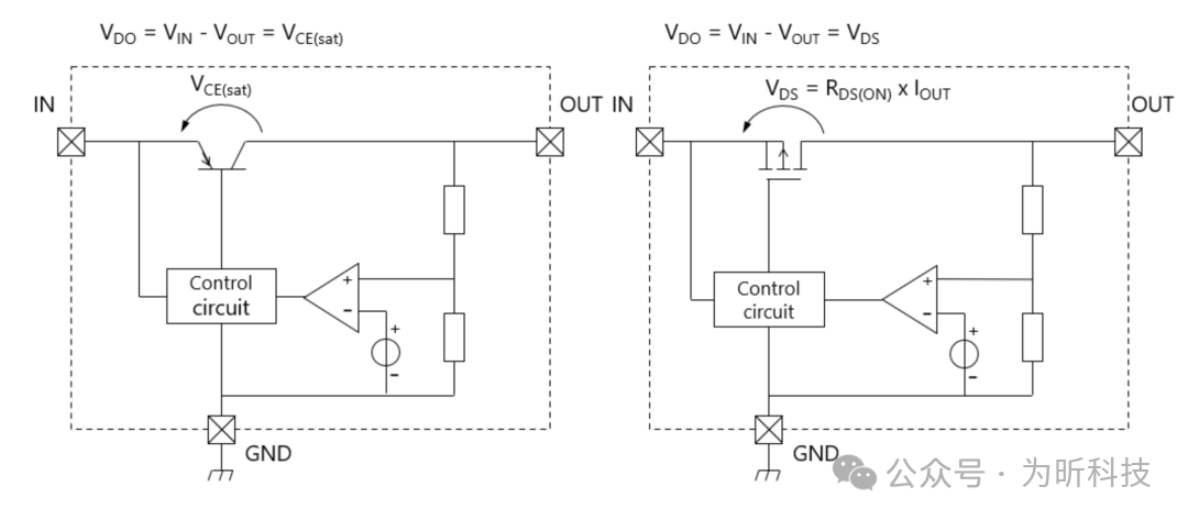
二、LDO稳压器
LDO稳压器主要使用PNP晶体管或P沟道MOSFET作为输出晶体管。这种LDO稳压器的最小压差由集电极-发射极电压(VCE(sat))和漏源电压(VDS=RDS(ON)×ID)决定。因此,LDO稳压器的工作压差小于三端稳压器。

还有一种新型LDO稳压器压差更小。它使用导通电阻小于P沟道MOSFET的N沟道MOSFET作为输出晶体管,配有专门用于控制电路(包括MOSFET驱动电路)的电源引脚。

三、构成一个振荡器
LMS1587CT-3.3原本是一个串联式稳压集成芯片,它的输出与GND之间保持一个稳定的5V的电压。实际上是输出与GND形成一个跟随器。利用这一个,可以在其输出的基础上增加LC构成一个正弦振荡电路。下面通过实验来验证一下这个想法。

原理图

实验结果
LMS1587CT-3.3 原本是一个串联式稳压电源,但它实际上可以看成一个射极跟随器,它的输出与输入之间具有较大的电流增益。因此,利用这个特点可以使用 LC 电路基于它形成Colpits振荡器。
上一篇:利用信号切换估量设备的功耗
龙腾半导体SGT MOSFET LSGT085R018在智慧农业无