时间:2024-07-26 09:12
人气:
作者:admin
在电源系统中,通常需要设计防反接保护,以防止现场电源接线错误导致的短路大电流烧毁元器件的情况出现。在防反接保护电路中,大多数设计采用二极管或PMOS管的方案,如下图所示。
肖特基二极管防反接保护电路

①主要工作原理:利用二极管的单向导电性,正向导通,反向截止。当电源反接时,二极管不导通,不会损坏任何器件
②优点:电路简单,成本低,占用空间少。
③缺点:二极管PN结在导通时,会存在一定的压降,一般在0.7V左右(主要根据选型的二极管参数决定),在大电流电路中会导致较高的能量损耗以及温升,需要考虑散热成本以及元器件选型等问题。
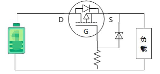
PMOS防反保护电路

①主要工作原理:上电瞬间,PMOS管的寄生二极管导通,系统形成回路,源极S的电位大约为Vbat-0.7V,而栅极G的电位为0,PMOS管的开启电压极为:Vgs=-(Vbat-0.7)<-Vgs(th),所以PMOS导通,系统通过PMOS导通形成回路,若电源接反,PMOS的导通电压大于0,PMOS关断,寄生二极管反向截止,电路是断开的,从而形成保护。 ②优点:正向导通时,PMOS相对二极管压降较小,损耗和温升较低。 ③缺点:PMOS载流子是空穴,同样导通电流芯片die size较大,成本价格较高,可选的参数规格相对NMOS较少,而且需要搭建电阻和稳压管等外围元器件配合,也会影响整体的待机功耗。
基于华太理想二极管控制器的防范保护电路
N型MOSFET成本低,可选择型号多,但是VGS电压超过阈值才能开启,需要升压电路才能实现,使用专用理想二极管产品或者理想二极管控制器,可以实现N型MOSFET的驱动。针对于肖特基二极管的替换,在不改变原始硬件设计的基础上,可以实现更低的压降,更低损耗,有效降低系统温度。

华太理想二极管控制器具有超低工作静态电流、超低反向漏电流、超低正向压降(与MOS Rds有关)和快速反向电流响应等重要特性,因此能够在各种应用中仿真理想二极管。华太公司理想二极管产品具有内部电荷泵,可在正常工作期间充分驱动 MOSFET 栅极电平高于源极使MOSFET在正向导通,正向压降和功率耗散将显著降低,并在检测到反向电流时关断MOSEFT,从而让 MOSFET 寄生二极管完全阻断反向直流电流。
华太的理想二极管系列产品主要有两种封装形态,分别是
①MSOP8控制器型,可以外接MOSFET实现最大100V 电压防反接、防倒灌保护电路设计
②TO-263型,提供 100V-25A (HAD0230), 40V-40A (HAD0140), 40V-30A (HAD0130) 三个产品,内部集成了驱动器和N型MOSFET, 可以实现肖特基二极管的原位替换。 华太理想二极管产品在Oring中的应用示例:

如上图所示,当两个电池包进行并包的时候,电池包充电和放电通路的理想二极管可以防止被其它的电池包充电或者放电带来环流问题,尤其是电压高的电池包向电压低的电池包发生倒灌等问题。相对于肖特基二极管具有反向漏电低,正向导通电压小,能量损耗低等特点。
以下为华太理想二极管模组 VS 二极管 / PMOS 综合测试对比
(1)华太理想二极管模组 VS 二极管/ PMOS- 温升测试对比

(2)华太理想二极管模组 VS PMOS- 功率损耗对比

(3)华太理想二极管模组 VS PMOS- 导通正向压降对比

综上所述,华太理想二极管模组产品在防反接,防倒灌,ORING等应用中对比对于肖特基二极管或PMOS 具有反向漏电低,正向导通电压小,能量损耗低,温升小等更大优点。
关于华太
苏州华太电子技术股份有限公司(简称:华太),成立于2010年3月,是一家拥有半导体产业链多环节底层核心技术、多领域布局协同发展的平台型半导体公司。公司主要从事射频系列产品、功率系列产品、专用模拟芯片、工控SoC芯片、高端散热材料的研发、生产与销售,并提供大功率封测业务,产品可广泛应用于通信基站、光伏发电与储能、半导体装备、智能终端、新能源汽车、工业控制等大功率场景。
我们的团队精通器件设计、工艺开发、功放设计、大信号模型开发、单片微波集成电路设计、封装设计、可靠性测试和量产。未来,华太将继续培育新兴技术,为全球客户提供创新解决方案。
龙腾半导体SGT MOSFET LSGT085R018在智慧农业无