时间:2024-10-05 14:33
人气:
作者:admin
ADC(Analog-to-Digital Converter,模数转换器)采样保持电路是ADC转换过程中的一个重要组成部分,其工作原理和技术指标对于确保ADC转换的精度和可靠性至关重要。以下是对ADC采样保持电路工作原理和技术指标的详细阐述。
ADC采样保持电路,又称为采样保持放大器(Sample and Hold Amplifier,简称S/H),主要作用是在ADC进行模数转换时,保持输入模拟信号的电平值在一段时间内基本不变,以确保转换的准确性。其工作原理可以概括为两个阶段:采样阶段和保持阶段。
在采样阶段,采样保持电路的开关(通常是模拟开关)处于导通状态,允许输入模拟信号通过开关进入保持电容。此时,电容开始充电,其充电速度取决于电容的容值、开关的导通电阻以及输入信号的幅度和频率。如果电容值较小,电容可以在很短的时间内完成充电,使得输出信号能够紧密跟随输入信号的变化。在这个阶段,采样保持电路的输出信号基本上与输入信号保持一致。

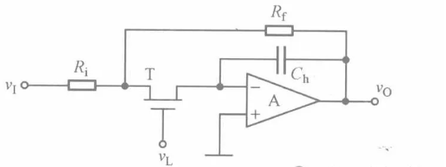
N沟道MOS管T作为采样开关用。当控制信号比为高电平时,T导通,输入信号VL经电阻Ri和T向电容Ch充电。若取Ri=Rf则充电结束后Vo=-Vi=VC。当控制信号返回低电平,T截止。由于Ch无放电回路,所以Vo的数值被保存下来。缺点:采样过程中需要通过Ri和T向Ch充电,所以使采样速度受到了限制。同时,Ri的数值又不允许取得很小,否则会进一步降低采样电路的输入电阻。
当采样阶段结束后,采样保持电路的开关断开,此时电容与输入信号隔离,开始进入保持阶段。由于开关的断开以及集成运放(通常作为信号跟随器使用)的输入端呈高阻状态,电容的放电变得非常缓慢。因此,即使输入信号发生变化,输出信号也会保持为断开瞬间的信号电平值,直到下一次采样开始。这样,就为ADC提供了足够的时间来完成模数转换过程,而无需担心输入信号的变化对转换结果的影响。
ADC采样保持电路的技术指标是衡量其性能优劣的重要依据,主要包括以下几个方面:
偏移电压是指在采样模式下,当输入端电压为零时,输出端的输出电压值。偏移电压的存在会引入额外的误差,影响ADC的转换精度。因此,为了保证ADC能够准确地采样,偏移电压的值应当尽可能小,并满足系统对精度的要求。
最大变化频率是指在采样模式下,输出电压能够跟随输入信号变化的最高频率。这个频率值受到保持电容容值大小的影响。如果电容容值较小,电容的充电时间就较短,能够较好地跟踪变化频率较高的信号;反之,如果电容容值较大,电容的充电时间就较长,可能无法及时跟踪高频信号的变化。因此,在选择保持电容的容值时,需要根据实际应用场景综合考虑。
降压速率是指在保持模式下,输出端的输出电压值随输入时间变化的速率。降压速率越小,说明电容在保持状态下的放电越慢,输出信号的稳定性越好。然而,过小的降压速率也可能导致系统响应速度变慢,影响实时性。因此,在设计采样保持电路时,需要权衡降压速率和响应速度之间的关系。
馈通衰减量是指在保持模式下,输入信号的电压值到经过采样保持电路后,在输出端输出时的减少量。馈通衰减量越小,说明电路对输入信号的衰减越小,输出信号的保真度越高。为了使ADC能够准确地采样出信号,馈通衰减量应小于ADC的最低有效位(LSB)的1/2。
采样时间是指当电路由保持状态切换为采样状态时,获取输入信号电压值所需的最大时间。采样时间越短,说明电路对输入信号的响应速度越快。然而,过短的采样时间也可能导致采样结果不稳定或引入噪声。因此,在设置采样时间时,需要根据ADC的转换速率和输入信号的稳定性综合考虑。
孔径延时是指当电路由采样状态变为保持状态时,电容由充电开始到电压稳定所经历的时间。孔径延时是一个十分重要的技术指标,它直接影响着采样的速率和精确度。较短的孔径延时意味着电路能够更快地进入保持状态并稳定输出电压值,从而提高采样精度和响应速度。
ADC采样保持电路作为ADC转换过程中的关键组成部分,其工作原理和技术指标对于确保ADC转换的精度和可靠性至关重要。通过合理设计采样保持电路的参数和结构,可以优化其性能并满足不同应用场景的需求。同时,随着半导体工艺和集成电路技术的不断发展,未来ADC采样保持电路的性能将得到进一步提升和完善。
上一篇:∑-∆A/D转换器概述和工作原理
龙腾半导体SGT MOSFET LSGT085R018在智慧农业无