时间:2024-09-13 09:22
人气:
作者:admin
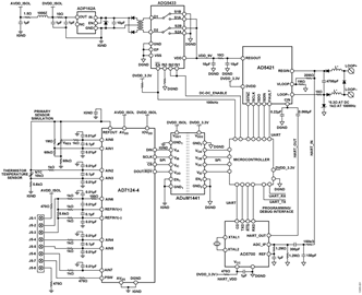
1所示的电路是一个隔离式智能工业现场仪表,可连接多种类型的模拟传感器,如温度传感器(Pt100、Pt1000和热电偶)或桥式压力传感器。仪器通过4 mA至20 mA模拟输出和高速可寻址远程传感器(哈特®)接口进行通信。哈特是一种数字双向通信,其中1 mA峰峰值频移键控(FSK)信号调制在标准4 mA至20 mA模拟电流信号之上。哈特接口允许远程校准、故障询问和过程变量传输等功能,这些功能在温度和压力控制等应用中是必需的。
该电路采用AD 7124 -4,这是一款超低功耗、精密24位、ADC-Δ模数转换器,具有温度和压力系统所需的所有特性。该电路还包括:16位、4 mA至20 mA环路供电数模转换器(DAC)AD 5421;业界功耗最低、尺寸最小的HART兼容IC调制解调器AD 5700;提供超低功耗串行外设接口(SPI)隔离的ADuM 1441;CMOS开关ADG 5433;以及隔离电源电路中的低功耗3.3 V稳压器ADP 162。
*附件:压力工业变送器.pdf

](https://www.analog.com/en/_/media/analog/en/reference-circuits/images/cn0382_00_1024.gif?w=900&thn=1&rev=5453adadc90648d3889b58300804552f&sc_lang=en)
图1. 4 mA至20 mA,环路供电现场仪表,带哈特接口(原理示意图:未显示所有连接和去耦)
### 模拟前端接口
AD 7124 -4是一款低功耗、低噪声、完全集成的模拟前端,适合高精度测量应用。该器件内置一个低噪声、24位、ADC,可配置为4路差分输入或7路单端或伪差分输入。片内低噪声增益级可确保小幅度信号可直接连接到ADC。
AD 7124 -4的主要优势之一是,用户可以灵活采用三种集成电源模式之一。功耗、输出数据速率范围和均方根噪声可根据所选的电源模式进行调整。该设备还提供多种过滤器选项,确保用户具有最高程度的灵活性。
当以25 SPS(单周期建立)的输出数据速率工作时,AD 7124 -4可以同时实现50 Hz和60 Hz抑制。
AD 7124 -4实现了最高程度的信号链集成。该器件内置一个精密、低噪声、低漂移内部带隙基准电压源,还支持一个外部差分基准电压源,可在内部进行缓冲。其他关键集成特性包括可编程低漂移激励电流源、烧毁电流和偏置电压发生器,后者可将通道的共模电压设置为AVDD/2。低端电源开关使用户能够在转换之间关闭桥接传感器,确保系统的功耗绝对最低。该设备还允许用户选择使用内部时钟或外部时钟进行操作。
集成通道序列器允许同时使能多个通道,AD 7124 -4在每个使能通道上依次进行转换,从而简化与器件的通信。任何时候都可以启用多达16个通道;通道被定义为模拟输入或诊断,例如电源检查或参考检查。此独特功能允许诊断与转换交错进行。AD 7124 -4还支持单通道配置。该设备允许八种配置或设置。每种配置都包括增益、滤波器类型、输出数据速率、缓冲和基准源。用户可以逐个通道地分配这些设置中的任何一个。
AD 7124 -4还集成了广泛的诊断功能,作为其全面特性集的一部分。这些诊断包括循环冗余校验(CRC)、信号链检查和串行接口检查,从而提供更可靠的解决方案。这些诊断减少了对外部元件的需求,从而减少了电路板空间需求,缩短了设计周期,节省了成本。根据IEC 61508,典型应用的故障模式影响和诊断分析(FMEDA)显示安全故障分数(SFF)大于90%。
该电路通过8针连接器支持3线和4线RTD、热电偶和压力传感器。AD 7124 -4具有与这些传感器接口所需的所有构建模块。对于连接的所有传感器类型,ADC均在中功率模式下使用。使用后置滤波器是因为它在25 SPS下转换时能够同时实现50 Hz和60 Hz抑制。当传感器连接到电路时,ADC配置为适合所连接的传感器类型。还可以执行内部满量程和失调校准,以最大限度地减小失调误差和满量程误差,校准由UART或哈特命令启动。
AD 7124 -4片内集成多种诊断功能,可确保设计的稳健性。在该电路中,开路检测确保传感器连接,状态寄存器中的上电复位(POR)受到监控,以便在上电复位发生时通知用户。每次转换都读取错误寄存器,其内容通过哈特沿着传感器结果发送。
电阻式温度检测器(RTD)可以测量−200°C至+600°C的温度。典型的RTD是Pt100和Pt1000,由铂制成。该电路使用Pt100。
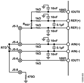
图2显示了4线Pt100 RTD如何连接到电路。
[

](https://www.analog.com/en/_/media/analog/en/reference-circuits/images/cn0382_01_1024.gif?w=900&thn=1&rev=2121f268ff4048e78b37eae5c5816af4&sc_lang=en)
图2. 4-线RTD
AD 7124 -4的一个片内激励电流激励Pt 100。Pt100的最大电阻为313.71 Ω(600°C时)。如果激励电流编程为250 μA,则Pt100两端产生的最大电压为

当可编程增益阵列(PGA)的增益设置为16时,调制器输入端的最大电压为

一个5.6 kΩ精密电阻(0.05%,10 ppm/°C)产生基准电压。选择基准电阻RREF的值,使其两端产生的电压在本电路中具有最小值1.25 V,也就是说,由于模拟输入,调制器输入端的电压小于或等于基准电压。为Pt 100供电的250 μA电流也流经5.6 kΩ电阻,从而形成比率配置。因此,激励电流的任何变化对电路的性能没有影响。精密电阻器两端产生的电压为

模拟输入和基准电压输入端包括抗混叠滤波器。这些滤波器可防止调制器采样频率倍数处的任何干扰混叠进入目标频带。为确保这些滤波器和外部电阻不会导致增益误差,基准电压缓冲器使能。模拟输入缓冲器自动使能,因为这些缓冲器在使用PGA时使能。基准电压缓冲器需要一定的裕量(电源轨内为100 mV)。因此,在低压侧包括一个470 Ω电阻,以提供此裕量。
250 μA激励电流需要370 mV裕量。此引脚上的电压为(470 + 5600 + 313.71)Ω × 250 μA = 1.6 V,可以接受。
AIN4和AIN5引脚用作AINP和AINM模拟输入。
连接器引脚上的1 kΩ电阻具有双重用途:它们组成抗混叠滤波器,并且在发生过压(例如,由于布线错误)时保护模拟输入。
电路笔记CN-0383提供了有关4线式Pt100传感器与AD 7124 -4接口以及转换线性化或后处理的更多详细信息。
图1所示电路还支持4线Pt1000 RTD。电路连接与Pt100所用的相同。所用ADC配置如本节前面所述,但PGA增益设置为1。
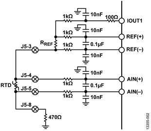
图3显示了三线制Pt100 RTD如何连接到电路。
[

](https://www.analog.com/en/_/media/analog/en/reference-circuits/images/cn0382_02_1024.gif?w=900&thn=1&rev=de2bd2ef831847fd95ce213b547f9caf&sc_lang=en)
图3. 3-线RTD
AD 7124 -4具有两个匹配的激励电流。两者都与3线RTD一起使用,以便可以执行引线补偿。由于Pt100的最大电阻为313.71 Ω(600 °C时),因此激励电流编程为250 μA。基准电阻RREF连接在顶部。因此,一个250 μA激励电流(IOUT 0)在引脚AIN 6上输出,流经5.6 kΩ精密基准电阻(0.05%,10 ppm/°C),然后流经Pt100。第二个250 μA电流(IOUT 1)通过引脚AIN 7输出。该电流由于引线电阻而产生电压,该电压与由于AIN 6上的电流而产生的引线电阻电压相反。因此,由于引线电阻引起的误差被最小化。
5.6 Ωk基准电阻上产生的电压为

Pt100两端产生的最大电压为

当PGA设置为增益16时,在AD 7124 -4调制器处观察到的电压为

此电压在范围内,因为它小于参考电压。
模拟输入和基准电压输入端包括抗混叠滤波器。这些滤波器可防止调制器采样频率倍数处的任何干扰混叠到目标频带中。为确保这些滤波器和外部电阻不会导致增益误差,基准电压缓冲器使能。模拟输入缓冲器自动使能,因为这些缓冲器在使用PGA时使能。基准电压缓冲器需要一定的裕量(电源轨内为100 mV)。因此,在低压侧包括一个470 Ω电阻,以提供此裕量。
250 μA激励电流需要370 mV裕量。此引脚上的电压为(470 Ω × 2 × 250 μA)+(5600 + 313.71)Ω × 250 μA = 1.713 V,可以接受。
电路笔记CN-0383详细介绍了如何将三线式Pt100传感器与AD 7124 -4接口,以及如何对转换进行线性化或后处理。
图1所示电路还支持三线制Pt1000 RTD。电路连接与Pt100所用的相同。所用ADC配置与本节前面所述相同,但PGA增益设置为1。
图4显示了热电偶如何连接到电路。
[

](https://www.analog.com/en/_/media/analog/en/reference-circuits/images/cn0382_03_1024.gif?w=900&thn=1&rev=ac63186d98bb46f8acf02b3980d915df&sc_lang=en)
图4. t型热电偶
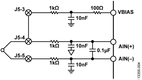
热电偶由两种不同类型的导线连接而成。产生电压,其取决于温度。例如,T型热电偶通常在温度发生1°C变化时产生40 μV的电压。
热电偶电压必须偏置到某个电压。AD 7124 -4内置一个VBIAS源,可将热电偶偏置至(AVDD − AVSS)/2。偏置电压在AIN 6通道上使能并施加到热电偶,如图4所示。偏置电压也可以通过模拟输入的AINM引脚使能。但是,在这种情况下,必须限制外部R和C值,因为AINM上的偏置电压与AINP上的滤波电压之间存在差异;此差异非常大,会影响转换结果。
热电偶测量是绝对测量,内部2.5 V基准电压源用于转换。使用T型热电偶。该热电偶可以测量−200°C至+400°C的温度,从而产生−8 mV至+16 mV的电压范围。PGA设定为128。
对于冷端补偿,使用NTC热敏电阻(10 kΩ,1%,3435 K)。
[

](https://www.analog.com/en/_/media/analog/en/reference-circuits/images/cn0382_04_1024.gif?w=900&thn=1&rev=afb8be19c109485e9e0e906fc08500ce&sc_lang=en)
图5.热敏电阻
内部基准电压源为热敏电阻供电,该转换的增益设置为1。电阻RREF用于热敏电阻的低端。这是一个精密5.6 kΩ电阻(0.05%,10 ppm/°C)。热敏电阻VNTC两端的电压为

其中:
VREF为基准电压。ADC CODE是从AD 7124 -4读取的代码。2 24是ADC的最大代码。
热敏电阻的电阻RNTC为:

其中:
RREF = 5.6 kΩ。V REF为基准电压。
结合这些方程,

其中:
ADCCODE是从AD 7124 -4读取的代码。R REF = 5.6 kΩ。FS CODE是来自AD 7124 -4(224)的满量程代码。
然后在微控制器中使用基于热敏电阻方程的查找表将电阻转换为温度:

其中:
T是热敏电阻记录的温度(K)。R 0 = 10 kΩ。β = 3435 K。T0 = 298.15K。
得到的温度为T − 273.15 °C。
5.6 kΩ电阻还为模拟输入提供裕量,因为模拟输入缓冲器使能,需要100 mV裕量。这个电阻器还保护电路,因为它限制了电流,如果错误布线发生。
电路笔记CN-0384详细介绍了热电偶传感器与AD 7124 -4的接口以及转换的线性化或后处理。
电压激励压力传感器的连接方式如图6所示,而电流激励压力传感器的连接方式如图7所示。使用Honeywell压力传感器(Honeywell S C 24PCDFA6D)。
[

](https://www.analog.com/en/_/media/analog/en/reference-circuits/images/cn0382_05_1024.gif?w=900&thn=1&rev=0f75f82e080345b6894d478ce29b7b79&sc_lang=en)
图6.电压激励压力传感器
[

](https://www.analog.com/en/_/media/analog/en/reference-circuits/images/cn0382_06_1024.gif?w=900&thn=1&rev=8bba2e8424124231892176b99f59e714&sc_lang=en)
图7.电流激励压力传感器
对于电压激励架构,AVDD(3.3 V)激励传感器。如果AVDD用于激励称重传感器,则激励电压可直接用作ADC参考。请注意,在传感器的高端和低端添加了一个电阻,以确保满足AD 7124 -4缓冲器的裕量要求。使用的增益为16。
对于电流激励模式,AD 7124 -4的两个100 μA激励电流均指向引脚AIN 6,从而为传感器提供200 μA激励电流。再次将增益设置为16。基准电压源由一个5.6 kΩ精密电阻产生。这种布置导致比率配置,即励磁电流值的任何偏差对系统精度没有影响。
该电路板包括将传感器低端连接到GND或AD 7124 -4电源开关的选项。
如前所述,模拟输入和基准电压输入具有抗混叠滤波器,可抑制ADC采样频率倍数时产生的任何干扰。如果出现过压,串联电阻器也会限制电流。
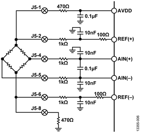
该电路包括一个电阻网络和电位计,用于传感器模拟(图1所示的主传感器模拟电路)。利用电位计,施加在AIN 0(AINP)和AIN 1(AINM)之间的电压可在约−0.09 V至约+1.36 V范围内变化。该电路使用内部基准电压源进行转换; AD 7124 -4增益设为1,模拟输入缓冲器使能。这种配置允许用户评估电路,而无需连接外部传感器。
演示软件(包含在CN-0382设计支持包中)执行初始化和配置,处理模拟输入数据,控制模拟输出,并执行哈特通信。所有提到的传感器都需要线性化或补偿。该线性化在软件中执行。有关RTD和热电偶传感器以及所需线性化的更多详细信息,请参见电路笔记CN-0383和电路笔记CN-0384。
AD5421集成了一个低功耗、精密、16位DAC和一个4 mA至20 mA环路供电输出驱动器,并提供现场仪表模拟输出所需的所有功能。
AD5421通过SPI接口与微控制器连接。
AD 5421还包括一系列与4 mA至20 mA环路相关的诊断功能。辅助ADC可以通过连接到VLOOP引脚的20 MΩ/1 MΩ电阻分压器测量仪表回路端子上的电压。ADC还可以通过集成传感器测量芯片温度。微控制器可以配置和读取AD 5421的所有诊断信息;但AD 5421也可以自主工作。
例如,如果控制器与AD5421之间的通信失败,AD5421会在规定时间后自动将其模拟输出设置为3.2 mA报警电流。该报警电流向主机指示现场仪表无法运行。
软件控制输出电流从一个值到另一个值的任何变化,以防止干扰哈特通信。
AD5700集成了完整的哈特FSK调制解调器。调制解调器通过标准的UART接口连接到微控制器,并通过请求发送(RTS)和载波检测(CD)信号进行补充。
哈特输出通过0.068 μF/0.22 μF容性分压器缩放至所需幅度,并耦合至AD 5421 CIN引脚,在此与DAC输出结合,以驱动和调制输出电流。
哈特输入通过一个简单的无源RC滤波器从LOOP+耦合到AD 5700 ADC_IP引脚。RC滤波器作为哈特解调器的第一级带通滤波器工作,还提高了系统的电磁抗扰度,这对于在恶劣工业环境中工作的鲁棒应用非常重要。
AD5700低功耗振荡器利用直接连接到XTAL 1和XTAL 2引脚的3.6864 MHz外部晶振为哈特调制解调器生成时钟。
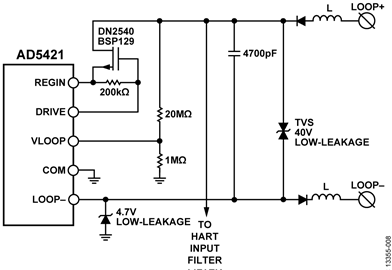
瞬态电压抑制器(TVS)可保护4 mA至20 mA哈特接口免受过压影响。选择TVS额定电压,使其不超过AD 5421 REGIN引脚上的绝对最大电压60 V。请注意,TVS漏电流会影响电流输出精度;因此,在选择此器件时,请注意给定环路电压和温度范围下的漏电流。
外部耗尽型FET可与AD5421配合使用,以提高环路电压最大值。
该电路由一对与环路输出串联的二极管提供反极性保护。
与环路串联的铁氧体磁珠以及4700 pF电容可提高系统EMC性能。由于哈特网络规范,请勿在回路端子之间使用较高的电容。
4.7 V低泄漏齐纳二极管可在AD5421 COM引脚与LOOP−引脚之间出现意外外部电压时(例如,调试电路时)保护片内50 Ω环路检测电阻。
整个现场仪表电路(包括传感器驱动电流)必须在4 mA至20 mA环路的有限可用功率下工作。这是任何环路供电现场仪表设计中的常见挑战。图1中的电路提供了一个同时提供低功耗和高性能解决方案的示例。该应用中使用的所有集成电路均为低功耗设计,该电路利用其集成特性提供灵活的电源管理结构和最佳环路供电解决方案。
AD 5421由4 mA至20 mA环路电压供电,并为电路的其余部分提供稳压低电压。根据电路要求,AD 5421 REGOUT电压可在1.8 V至12 V范围内进行引脚编程。图1中的电路使用9 V电源电压选项。传感器侧通过简单的推挽式DC-DC转换器与4-20 mA环路隔离。ADG 5433由微控制器提供时钟,产生9 V非重叠方波,驱动一个Transformer。Transformer工作电压比为2:1。副边的4.5 V电压由ADP 162整流和调节,为AD 7124 -4提供低噪声3.3 V电源。AD 7124 -4的模拟和数字3.3 V电源均由ADP 162调节器供电。然而,包括滤波器(L1/R19)以防止来自数字电路的噪声被馈送到模拟部分。
AD5421在环路侧提供3.3 V逻辑电源。微控制器和AD5700直接使用该电源。
REGOUT RC滤波器(10 μF/10 Ω/10 μF)有助于防止来自环路的任何干扰影响模拟电路。它还可防止电路(特别是控制器和数字电路)产生的任何干扰耦合回环路,这对于可靠的哈特通信非常重要。
AD 5700哈特调制解调器通过一个附加RC滤波器(470 Ω/1 μF)供电。该滤波器在环路供电应用中非常重要,因为它可以防止来自AD 5700的电流噪声耦合到4 mA至20 mA环路输出,否则会影响哈特通信。AD 5700调制解调器使用带8.2 pF电容的外部晶振在XTAL 1和XTAL 2引脚上接地,这是功耗最低的选项。
AD 7124 -4的主要优势之一是,用户可以灵活采用三种集成电源模式之一。lt;电流消耗、输出数据速率范围和均方根噪声可根据所选电源模式进行调整。因此,对于4 mA至20 mA或便携式设备,低或中功率模式是最佳选择。对于功耗不是问题的过程控制系统,可以使用全功率模式,从而降低噪声。对于该环路供电电路,使用中功率模式。有关电源模式的更多信息,请参见AD 7124 -4数据手册。
连接压力传感器时,AD 7124 -4的PSW接地开关引脚控制激励/电源。仪器上电时,开关默认关闭。此默认值允许在开启传感器之前对系统进行完全配置,包括适当的电源模式,从而最大限度地减少4 mA至20 mA环路输出上可能出现的上电尖峰。
当连接RTD传感器时,它由AD 7124 -4的可编程电流源供电,因此其电源完全由软件控制。同样,对于热电偶传感器,偏置电压和绝对基准电压源嵌入在AD 7124 -4中,因此由软件控制。
微控制器通过SPI接口与AD 7124 -4和AD 5421连接。它通过UART接口UART 0与AD 5700通信。软件通过微控制器上的第二个UART接口UART 1下载到微控制器。
启动时,微控制器配置所有三个器件,AD 7124 -4配置为T型热电偶。AD 7124 -4工作在连续转换模式下。因此,其DOUT/RDY引脚也连接到微控制器上的中断。每当ADC有转换可用时,微控制器就会产生一个中断,并读取转换结果。然后微控制器对数据进行线性化和处理。结果发送至AD 5421 DAC,通过4 mA至20 mA环路传输。用于演示电路功能和性能的软件包含在CN-0382设计支持包中。该软件支持本电路笔记中提到的所有传感器类型。CN-0382设计支持包中还提供了有关如何针对不同传感器类型更改软件的文档以及有关将软件下载到微控制器的详细信息。
代码示例包括一个基本的哈特从机命令响应,以演示硬件功能和能力。然而,代码示例不包括哈特通信的协议层。
## 常见变化
AD 7124 -4具有高性能和非常灵活的模拟前端,具有4个差分或7个伪差分模拟输入引脚,以及用于基准电压源和低端电源开关的额外引脚。它允许直接接口到不同类型的多个模拟传感器,如任何电阻桥式传感器,电阻温度传感器或热电偶。因此,不要将现场仪表解决方案仅限于本电路笔记中列出的传感器类型,因为它几乎可以用于任何传感器现场仪表。
AD 7124 -8可用作AD 7124 -4的替代产品。AD 7124 -4和AD 7124 -8具有相同的性能。然而,AD 7124 -8提供8路差分或15路伪差分输入,因此适合需要高通道数的应用。
AD5421可以通过保护直接连接到环路。也可以在AD5421和环路电源之间连接一个耗尽型N沟道MOSFET,如图8所示。在此配置中使用附加MOSFET可使AD5421两端的压降保持在约12 V,降低AD5421封装中的功耗,从而提高4 mA至20 mA模拟输出精度。它还将环路中允许的最大电压提高到MOSFET额定值。附加MOSFET对哈特通信没有影响。
[

](https://www.analog.com/en/_/media/analog/en/reference-circuits/images/cn0382_07_1024.gif?w=900&thn=1&rev=eb77176c340449edab51f33af99d25e4&sc_lang=en)
图8. MOSFET连接到AD5421环路电源
该电路采用3.6864 MHz晶振,这是实现最低功耗的配置。或者,也可以使用集成0.5%精度内部振荡器的AD 5700 -1。与晶体振荡器相比,内部振荡器可将调制解调器电源电流最大增加225 μA;但是,由于不需要外部晶体,因此该选项既节省了成本,又降低了电路板面积要求。
对于非环路供电的应用,AD5410、AD5420、AD5422或AD5755是4 mA至20 mA DAC的理想选择。
最 后 , 有 很多 可以 使用 的 绝缘 体 产品 可 供 选择阿杜 1441: The阿杜 1440, 阿杜 1442, 阿杜 1445, 阿杜 1446, 阿杜 1447, adum 1240 的, adum 1241 的, adum 1245 的, 且阿杜 1246.
## 电路评估测试
### 电路硬件
图1所示电路构建在图9所示的DEMO-AD 7124-DZ印刷电路板(PCB)上。
[

](https://www.analog.com/en/_/media/analog/en/reference-circuits/images/cn0382_08_1024.gif?w=900&thn=1&rev=ede67cdf7cea49b4989c92fed5914940&sc_lang=en)
图9. DEMO-AD 7124-DZ印刷电路板
DEMO-AD 7124-DZ电路板还具有其他特性,便于系统评估。RTD、热电偶或压力传感器可通过8针连接器J5连接。哈特RTS和CD有测试点。4针连接器允许将代码下载到微控制器。
CN-0382设计支持包还包括一个完整的现场仪表C代码示例,适用于3线和4线Pt100和Pt1000 RTD、热电偶和电压/电流激励压力传感器,可对所有硬件模块和电路特性进行全面验证和评估,并对哈特接口功能进行有限验证。有关哈特接口规范和资源的详细信息,请联系哈特通信基金会。
为了便于在线测量,该电路有许多测试点来测量电流。AD5421的REGOUT引脚和DVDD引脚的路径中包含一个10 Ω电阻。ADP162的输出路径中也包含一个类似的10 Ω电阻。10 Ω电阻的每一侧都有测试点。这种设置允许测量每个电阻上的电压降,并在不中断电源电流或干扰电路的情况下计算电流。
电路配置如下:
表1.电路电流消耗| 模式 | AD5421内部(mA) | DVDD 3.3 V(mA) | REGOUT 9.0 V(mA) | 总断开回路(mA) | 隔离3.3 V(mA) |
| --------------------------------------------------------------------------------------------------- | ------------------ | ------------------ | -------------------- | ------------------ | ----------------- |
| 仿真 | 0.28 | 0.63 | 0.82 | 1.73 | 0.48 |
| RTD 4线 | 0.28 | 0.63 | 1.00 | 1.91 | 0.84 |
| RTD 3线 | 0.28 | 0.63 | 1.12 | 2.03 | 1.08 |
| TC | 0.28 | 0.63 | 0.89 | 1.80 | 0.61 |
| 压力 | | | | | |
| V模式 | 0.28 | 0.63 | 1.16 | 2.07 | 1.15 |
| I模式 | 0.28 | 0.63 | 0.98 | 1.89 | 0.79 |
表1显示了各个模块的电源电流:AD 5421本身(估计值,通过将AD 5421置于最小环路电流中进行验证)、DVDD 3.3 V供电电路(微控制器、哈特调制解调器和SPI隔离的原边)以及隔离电源的原边9 V。这些分量加在一起,构成电路本身从环路中取出的总电流,然后再加上可变电流分量,产生4 mA至20 mA输出。隔离式3.3 V列是来自隔离式3.3 V的电流,为传感器、AD 7124 -4和SPI隔离的副边供电。
该电路具有所有相关的模拟和数字模块,包括输入传感器,其功耗在最小4 mA环路输出电流允许的预算范围内。
图10显示了连接到4线RTD时的系统性能。使用B级Pt100传感器。AD 7124 -4配置如下:
[

](https://www.analog.com/en/_/media/analog/en/reference-circuits/images/cn0382_09_1024.gif?w=900&thn=1&rev=ec1eba5f73ac46d9a6e4a5ddcdd15fb2&sc_lang=en)
图10. 4-线RTD测量
从ADC读取的转换在微控制器内线性化。当电路板保持在25°C时,Pt100传感器上的温度从0°C扫描到100°C。图10显示了演示的准确性。演示的测量精度在B级Pt 100传感器的规定精度范围内。
图11显示了连接到3线RTD时的系统性能。使用B级Pt 100。AD 7124 -4配置如下:
[

](https://www.analog.com/en/_/media/analog/en/reference-circuits/images/cn0382_10_1024.gif?w=900&thn=1&rev=0c6bf360fd8d4ce692982a9dae30086a&sc_lang=en)
图11. 3-线RTD测量
当电路板保持在25°C时,Pt100传感器上的温度从0°C扫描到100°C。从ADC读取的转换在微控制器内线性化。图中显示了强制温度与电路板测量温度之间的误差。在温度扫描之前,在25°C下进行内部失调和满量程校准。校准后,3线Pt 100完全在B级Pt 100允许的范围内。图11显示了演示的准确性。演示的测量精度在B级Pt 100传感器的规定精度范围内。
图12显示了连接到T型热电偶时的系统性能。AD 7124 -4配置如下:
AD 7124 -4的满量程误差在增益为1时经过工厂校准,因此无需执行额外校准。
[

](https://www.analog.com/en/_/media/analog/en/reference-circuits/images/cn0382_11_1024.gif?w=900&thn=1&rev=2a36712a01f24fc0bf882fc3b6c0d466&sc_lang=en)
图12. T型热电偶测量(环境温度下的冷结)
在图12中,冷端保持在25°C,热电偶从0°C扫描到100°C。从ADC读取的转换在微控制器内进行处理和线性化。
T型热电偶的精度为1°C或0.75%,以较大者为准。热敏电阻也增加了一些误差。电路中使用的热敏电阻的精度为1%或1°C,以较大者为准。图12显示了强制温度和测量温度之间的差异。结果完全符合热电偶/热敏电阻组合的质量标准。
重复测量,热电偶保持在25°C,冷端从0°C扫描到80°C(见图13)。该系统的整体精度为1.75°C,可以通过使用更精确的冷端(如Pt100传感器)来提高。
[

](https://www.analog.com/en/_/media/analog/en/reference-circuits/images/cn0382_12_1024.gif?w=900&thn=1&rev=0f4fce1362054ed884ab264eb9ab576f&sc_lang=en)
图13. T型热电偶测量(冷端扫描和热电偶保持在环境温度下)
在连接压力传感器的情况下,进行噪声测试。噪声电平是模拟前端与电路板上其余电路相互作用的主要影响因素。因此,进行了测试,重点是系统的噪声和相关分辨率性能。
演示配置为通过哈特通信传输数据,以kPa为单位表示压力。采集了100个样本,并完成了量化性能的基本数据分析。第一个测试是在连接标准压力传感器(Honeywell 24PCDFA6D)的情况下进行的。第二个测试是用短路输入产生的输入信号进行的。
在传感器被电流源和电压激励的情况下进行测试。在电压模式下,AD 7124 -4配置如下:
在电流激励模式下,AD 7124 -4配置如下:
性能总结如表2所示,信号图如图14至图17所示。
表2.压力传感器:噪声和分辨率| 参数 | 电压模式 | 电流模式 | 单元 |
| ---------------------------------- | ---------- | ---------- | ------ |
| 压力传感器 | 短路输入 | 压力传感器 | 短路输入 |
| 满量程 | 391.47 | 391.47 | 438.45 | 438.45 | kPa |
| 噪声RMS | 0.66 | 0.61 | 1.76 | 1.69 | Pa |
| 峰间噪声 | 3.5 | 3.2 | 11.1 | 9.8 | Pa |
| 有效(RMS)分辨率 | 19.2 | 19.3 | 17.9 | 18 | 比特 |
| 无噪声(峰间)分辨率 | 16.8 | 16.9 | 15.3 | 15.4 | 比特 |
[

](https://www.analog.com/en/_/media/analog/en/reference-circuits/images/cn0382_13_1024.gif?w=900&thn=1&rev=ccfee68baf1346379dc464bb55c4cc59&sc_lang=en)
图14.电压模式-压力传感器输入波形
[

](https://www.analog.com/en/_/media/analog/en/reference-circuits/images/cn0382_14_1024.gif?w=900&thn=1&rev=55ccb28b65dd4c9380cfe27b87f7e11e&sc_lang=en)
图15.电压模式短路输入波形
[

](https://www.analog.com/en/_/media/analog/en/reference-circuits/images/cn0382_15_1024.gif?w=900&thn=1&rev=b20043d7c45440f9a53c2fee9bf40fc3&sc_lang=en)
图16.当前模式-压力传感器输入波形
[

](https://www.analog.com/en/_/media/analog/en/reference-circuits/images/cn0382_16_1024.gif?w=900&thn=1&rev=d337ee1b20334925bd0ea5c8b4e2873e&sc_lang=en)
图17.电流模式短路输入波形
龙腾半导体SGT MOSFET LSGT085R018在智慧农业无