时间:2024-11-24 15:53
人气:
作者:admin
引言

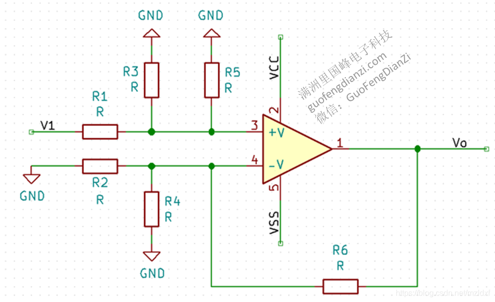
图1:待分析电路图
图1中的电路哪里是负反馈?放大倍数怎么计算?一起来看本文吧。
运放分析的要义
虚短与虚断

图2:运算放大器示意图
(1)虚短
如图1所示,虚短是指运放的输入端V+和V-可视为电压差很小,即近似相等:V-=V+,由于并没有实际的物理连接,故我们称其为虚短(以区别物理连接的短路),若其中一端接地,则另一端在必要时,可认为虚地。
(2)虚断
由于运放是高阻抗器件,可以认为两个输入端向运放内部流动的电流数值为0,即I+=0,I_=0,直观感觉是两个端口之间像断开的,故称为虚断。
在电路分析中,根据情形使用这两个概念可以很方便的分析出电路的增益,输入输出阻抗等信息。
线性电路的可叠加性
在电路基础的课程中,我们学过线性电路的可叠加性,线性电路中,任一支路电压或电流都是电路中各个独立电源单独作用时,在该支路分别产生的电压或电流的叠加。
实际应用中,若有把AB两个电压源,可以把A接地,单独分析电路,再把B接地,分析电路,然后把两个结果相加即可。
实战分析
图1是一个比较复杂的运放电路,我们对其做分析,由于电路中只有运放和电阻,故为线性电路,满足线性叠加原理,故令V2= 0:

图3
对比模电课本可知这是个正向放大器:
Vo1 = V+∗ (1+R6 / ( R2//R4))
V+=V1*(R3//R5)/(R1+R3+R5)
故:
Vo1 = V1∗( R3//R5)/(R1+R3//R5)∗(1+R6/(R2//R4))

图4
令V1=0,对照模电课本可知该电路为反向放大器:
Vo2=−V2∗R6/R2
综上输出电压V0:
V0 = V01+V02
V0= V1∗( R3//R5)/(R1+R3//R5)∗(1+R6/(R2//R4))-V2∗R6/R2
若R1, R2= 50,R3, R4,R5, R6=200,且如输入端为差分电压(V1 =-V2)则有放大倍数A:
A=V0/(V1−V2)=V0/2V1=4
反向放大器中为什么没有R4?

图5
如图5所示,由于虚断的原因,在运放的负输入端相当于接地,这样一来,R4相当于被短路了,故没有R4参与运算,这个是个标准的反相放大器。

仿真验证
为了验证分析是否正确,我们使用TI 公司的SPICE仿真软件TINA [1]验证一下,该软件可以免费申请,其使用方式见我的博文:《TI运放仿真软件TINA》。

图6:TINA仿真结果
从图6中可以看出,测试点3和点4的电压分别为100mV/-90度和100mV/+90度(相位相差180度),故差分信号V4-V3(从运放正输入端到负输入端)为200mV/90度,测试点5为输出电压,数值为800mV/90度,故放大倍数为:800mV/200mV=4,和分析得到的数值相同,验证完毕。
差分输出运放分析

图7:差分输入的情况 [2]

图8:单端输入的情况 [2]
龙腾半导体SGT MOSFET LSGT085R018在智慧农业无