时间:2024-05-17 11:42
人气:
作者:admin
一、前言
高压MOS管在很多场景应用,通常高压MOS的特点是沟道区宽、漏极区大、导通损耗小、低导通电阻、耐高电压、高开关速度、栅极采用特殊工艺等,这些特点使得它的管子能够承受高电压。本期,合科泰给大家推荐一款经典且应用很广的高压MOS管HKTD7N65,可用于高压电源、快充、开关调节器和电机驱动等应用。
二、特性

这款产品具有很好的电学特性,它采用N沟道制作,漏源电压650V,栅源电压±30(V),连续漏极电流7A,漏源导通电阻1.08欧姆,最小栅极法阈值电压2V,最大栅极阈值电压4V,耗散功率27.2mW。它具有高密度电池设计、耐高压能力强大、高速开关、大电流承受能力以及超低功耗特点,充分表征雪崩电压,重量约0.33克。




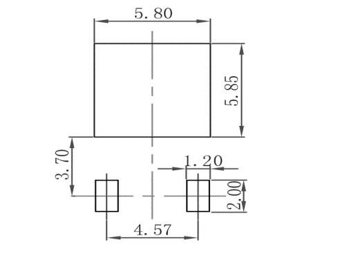
合科泰这款HKTD7N65采用TO-252封装,它具有占用空间小、节约插件成本、更高的可靠性、更低的热阻、更少的信号传输损失等特点。非常成熟的面贴装型封装类型,易于集成,产品质量值得信赖。HKTD7N65产品散热性能好,适用于中等功率和电压的应用,通常能够承受几十伏至几百伏的电压,并具有相应的电流承受能力,合科泰生产的这款产品最大连续漏极电流达7A,非常高。高压MOS适用于包括电源管理、电机驱动、开关电路等场景,客户需要根据具体的应用需求考虑电压、电流、功率以及其他特性,以确保选取合适的器件。
三、应用
高压MOSFET是一种特殊的金属氧化物半导体场效应晶体管,主要用于高压电源、开关调节器、功率因数校正装置、电机驱动、频率变换器、PD快充和其他高功率电子设备中。合科泰生产的高压MOS管HKTD7N65可用于工业电机的驱动和控制、频率调制、电源转换和逆变器等高功率工业设备,电动机驱动、充电桩和车载充电器等高压电源电路也可以选择它,HKTD7N65还可应用于LED照明系统、磁性变压器、继电器和调光器等照明设备中。

在上图的18W PD快充充电器应用案例中,合科泰的HKTD7N65在里面起到开关的作用,充分发挥了高压MOSFET的高压和、开关速度很快大电流承受能力以及其低压驱动特性。
龙腾半导体SGT MOSFET LSGT085R018在智慧农业无