时间:2024-03-06 10:09
人气:
作者:admin
在功率转换市场中,尤其对于通信/服务器电源应用,不断提高功率密度和追求更高效率已经成为最具挑战性的议题。对于功率密度的提高,最普遍方法就是提高开关频率,以便降低无源器件的尺寸。零电压开关(ZVS)拓扑因具有极低的开关损耗、较低的器件应力而允许采用高开关频率以及较小的外形,能够以正弦方式对能量进行处理,开关器件可实现软开闭,因此可以大大地降低开关损耗和噪声。
在这些拓扑中,移相ZVS全桥拓扑在中、高功率应用中得到了广泛采用,因为借助功率MOSFET的等效输出电容和变压器的漏感可以使所有的开关工作在ZVS状态下,无需额外附加辅助开关。然而,ZVS范围非常窄,续流电流消耗很高的循环能量。
关于移相全桥拓扑中功率MOSFET的失效问题,其主要原因是:在低反向电压下,MSOFET体二极管的反向恢复较慢。另一失效原因是:空载或轻载情况下,出现Cdv/dt直通。在LLC谐振变换器中的一个潜在失效模式与由于体二极管反向恢复特性较差引起的直通电流相关。即使功率MOSFET的电压和电流处于安全工作区域,反向恢复dv/dt和击穿dv/dt也会在如启动、过载和输出短路的情况下发生。
LLC谐振半桥变换器
LLC谐振变换器与传统谐振变换器相比有如下优势:
宽输出调节范围,窄开关频率范围
即使空载情况下,可以保证ZVS
利用所有的寄生元件,来获得ZVS
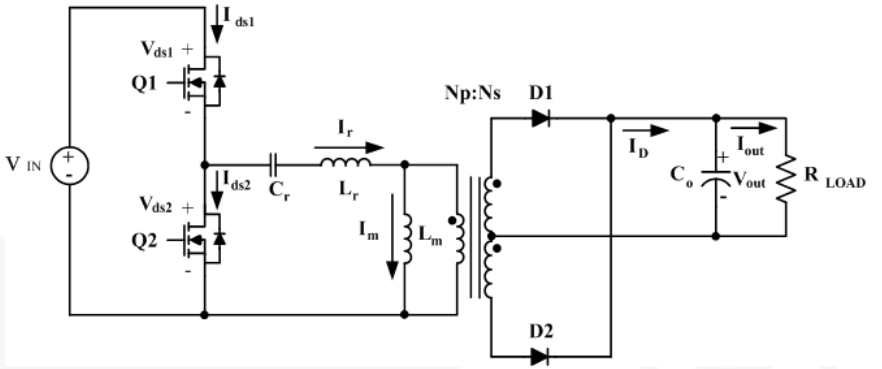
LLC谐振变换器可以突破传统谐振变换器的局限。正是由于这些原因,LLC谐振变换器被广泛应用在电源供电市场。LLC谐振半桥变换器拓扑如图1所示,其典型波形如图2所示。图1中,谐振电路包括电容Cr和两个与之串联的电感Lr和Lm。作为电感之一,电感Lm表示变压器的励磁电感,并且与谐振电感Lr和谐振电容Cr共同形成一个谐振点。
重载情况下,Lm会在反射负载RLOAD的作用下视为完全短路,轻载情况下依然保持与谐振电感Lr串联。因此,谐振频率由负载情况决定。Lr和Cr决定谐振频率fr1,Cr和两个电感Lr、Lm决定第二谐振频率fr2,随着负载的增加,谐振频率随之增加。谐振频率在由变压器和谐振电容Cr决定的最大值和最小值之间变动,如公式1、2所示。
(
公式1)

(公式2)

图1.LLC谐振变换器

图2.LLC谐振变换器的典型波形
LLC谐振变换器的失效模式
启动失效模式

图3. 启动时功率MOSFET的测得波形

图4. 启动时功率MOSFET的仿真波形
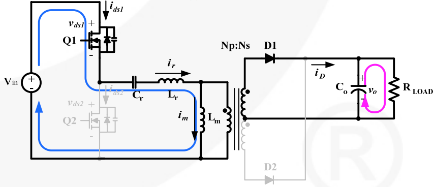
图3和图4给出了启动时功率MOSFET前五个开关波形。在变换器启动开始前,谐振电容和输出电容刚好完全放电。与正常工作状况相比,在启动过程中,这些空电容会使低端开关Q2的体二极管深度导通。因此流经开关Q2体二极管的反向恢复电流非常高,致使当高端开关Q1导通时足够引起直通问题。启动状态下,在体二极管反向恢复时,非常可能发生功率MOSFET的潜在失效。图5给出了LLC谐振半桥变换器启动时的简化波形。
图6给出了可能出现潜在器件失效的工作模式。在t0~t1时段,谐振电感电流Ir变为正。由于MOSFET Q1处于导通状态,谐振电感电流流过MOSFET Q1沟道。当Ir开始上升时,次级二极管D1导通。因此,式3给出了谐振电感电流Ir的上升斜率。因为启动时vc(t)和vo(t)为零,所有的输入电压都施加到谐振电感Lr的两端。这使得谐振电流剧增。

(公式3)

图5. 启动状态下潜在失效模式的简化波形
在t1~t2时段,MOSFET Q1门极驱动信号关断,谐振电感电流开始流经MOSFET Q2的体二极管,为MOSFET Q2产生ZVS条件。这种模式下应该给MOSFET Q2施门极信号。由于谐振电流的剧增,MOSFET Q2体二极管中的电流比正常工作状况下大很多。导致了MOSFET Q2的P-N结上存储更多电荷。
在t2~t3时段,MOSFET Q2施加门极信号,在t0~t1时段剧增的谐振电流流经MOSFET Q2沟道。由于二极管D1依然导通,该时段内谐振电感的电压为:
。该电压使得谐振电流ir(t)下降。然而,
很小,并不足以在这个时间段内使电流反向。在t3时刻,MOSFET Q2电流依然从源极流向漏极。另外,MOSFET Q2的体二极管不会恢复,因为漏源极之间没有反向电压。下式给出了谐振电感电流Ir的上升斜率:

(公式4)
在t3~t4时段,谐振电感电流经MOSFET Q2体二极管续流。尽管电流不大,但依然给MOSFET Q2的P-N结增加储存电荷。在t4~t5时段,MOSFET Q1通道导通,流过非常大的直通电流,该电流由MOSFET Q2体二极管的反向恢复电流引起。这不是偶然的直通,因为高、低端MOSFET正常施加了门极信号;如同直通电流一样,它会影响到该开关电源。这会产生很大的反向恢复dv/dt,有时会击穿MOSFET Q2。这样就会导致MOSFET失效,并且当采用的MOSFET体二极管的反向恢复特性较差时,这种失效机理将会更加严重。

(a) t0-t1

(b) t1-t2

(c) t2-t3

(d) t3-t4

(e) t4-t5
图6. LLC谐振半桥变换器的潜在失效工作模式
过载失效模式
图7给出了不同负载下LLC谐振变换器的直流增益特性曲线。根据不同的工作频率和负载可以分为三个区域。谐振频率fr1的右侧(蓝框)表示ZVS区域,空载时最小第二谐振频率fr2的左侧(红框)表示ZCS区域,fr1和fr2之间的可能是ZVS或者ZCS,由负载状况决定。所以紫色的区域表示感性负载,粉色的区域表示容性负载。图8给出了感性和容性负载下简化波形。当开关频率fs,谐振电路的输入阻抗为容性。因此,谐振电路电流超前于mosfet两端电压的基波量;mosfet电流在其开通后为正,在其关断前为负。<>

图8. 容性负载(a)和感性负载(b)时的简化波形
MOSFET在零电流处关断。在MOSFET开通前,电流流过另一个MOSFET的体二极管。当MOSFET开关开通,另一个MOSFET体二极管的反向恢复应力很大。由于大反向恢复电流尖峰不能够流过谐振电路,它将流过另一个MOSFET。这就会产生很大的开关损耗,并且电流和电压尖峰能够造成器件失效。因此,变换器需要避免工作在这个区域。
对于开关频率fs>fr1,谐振电路的输入阻抗为感性。MOSFET电流在开通后为负,关断前为正。MOSFET开关在零电压处开通。因此,不会出现米勒效应从而使开通损耗最小化。
MOSFET的输入电容不会因米勒效应而增加。而且体二极管的反向恢复电流是正弦波形的一部分,并且当开关电流为正时,会成为开关电流的一部分。因此,通常ZVS优于ZCS,因为它可以消除由反向恢复电流、结电容放电引起的主要的开关损耗和应力。
图9给出了过载情况下工作点移动轨迹。变换器正常工作在ZVS区域,但过载时,工作点移动到ZCS区域,并且串联谐振变换器特性成为主导。过载情况下,开关电流增加,ZVS消失,Lm被反射负载RLOAD完全短路。
这种情况通常会导致变换器工作在ZCS区域。ZCS(谐振点以下)最严重的缺点是:开通时为硬开关,从而导致二极管反向恢复应力。此外,还会增加开通损耗,产生噪声或EMI。

图9. 依赖负载条件LLC谐振变换器的工作点
二极管关断伴随非常大的dv/dt,因此在很大的di/dt条件 下,会产生很高的反向恢复电流尖峰。这些尖峰会比稳态开关电流幅值大十倍以上。该大电流会使MOSFET损耗大大增加、发热严重。MOSFET结温的升高会降低其dv/dt的能力。在极端情况下,损坏MOSFET,使整个系统失效。在特殊应用中,负载会从空载突变到过载,为了能够保持系统可靠性,系统应该能够在更恶劣的工作环境中运行。

图10. 过载时功率MOSFET的测量波形

图11. 过载时功率MOSFET的仿真波形

图12. 过载时潜在失效模式的简化波形
图10和图11给出了过载时功率MOSFET开关波形。电流尖峰发生在开通和关断的瞬间。可以被认作是一种“暂时直通”。图12给出了过载时LLC谐振变换器的简化波形,图13给出了可能导致器件潜在失效问题的工作模式。
在t0~t1时段,Q1导通,谐振电感电流Ir为正。由于MOSFET Q1处于导通状态,谐振电流流过MOSFET Q1沟道,次级二极管D1导通。Lm不参与谐振,Cr与Lr谐振。能量由输入端传送到输出端。
在t1~t2时段,Q1门极驱动信号开通,Q2关断,输出电流在t1时刻为零。两个电感电流Ir和Im相等。次级二极管都不导通,两个输出二极管反向偏置。能量从输出电容而不是输入端往外传输。因为输出端与变压器隔离,Lm与Lr串联参与谐振。
在t2~t3时段,MOSFET Q1依然施加门极信号,Q2关断。在这个时段内,谐振电感电流方向改变。电流从MOSFET Q2的源极流向漏极。D2开始导通,D1反向偏置,输出电流开始增加。能量回流到输入端。
在t3~t4时段,关断MOSFET Q1和Q2的门极信号,谐振电感电流开始流过MOSFET Q2的体二极管,这就为MOSFET Q1创造了ZCS条件。
在t4~t5时段,MOSFET Q2开通,流过一个很大的直通电流,该电流由MOSFET Q1体二极管的反向恢复电流产生。这不是偶然的直通,因为高、低端MOSFET正常施加了门极信号;有如直通电流一样,它会影响到该开关电源。这会形成很高的反向恢复dv/dt,时常会击穿MOSFET Q2。这样就会导致MOSFET失效,当使用的MOSFET体二极管的反向恢复特性较差时,这种失效机理会更加严重。

(a) t1-t2

(b) t1-t2

(c) t2-t3

(d) t3-t4

(e) t4-t5
图13. 过载时LLC谐振半桥变换器的潜在失效工作模式
短路失效模式
最坏情况为短路。短路时,MOSFET导通电流非常高(理论上无限高),频率也会降低。当发生短路时,谐振回路中Lm被旁路。LLC谐振变换器可以简化为由Cr和Lr组成的谐振电路,因为Cr只与Lr发生谐振。因此图12省略了t1~t2时段,短路时次级二极管在CCM模式下连续导通。短路状态下工作模式几乎与过载状态下一样,但是短路状态更糟糕,因为流经开关体二极管的反向恢复电流更大。

图14. 短路时功率MOSFET的测量波形

图15. 短路时功率MOSFET的仿真波形
图14和图15给出了短路时功率MOSFET的开关波形。短路的波形与过载下的波形类似,但是其电流的等级更高,MOSFET结温度更高,更容易失效。
审核编辑:刘清
上一篇:多级放大电路的变压器耦合方式
龙腾半导体SGT MOSFET LSGT085R018在智慧农业无