时间:2024-02-05 14:35
人气:
作者:admin
所谓低频,是相对于高频而言的术语,是相对性的。因此,没有明确的定义,通常用以指声波频率,约为数十Hz至20kHz的范围。
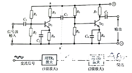
具有对这类低频声波信号进行放大作用的放大器称作低频放大器。作为此类电路的一例,图中所示的电路被称作CR耦合放大电路(亦称阻容耦合电路),例如:放大器、录音机、麦克风、喇叭等等。

将输入电压Vi加到输入端,则增加到基极与发射极之间的输入电压使基极电流ib发生变化,集电极流过电流ic =βib,从而得到输出电压Vo。
放大器用复数个晶体管纵向连接比用单个晶体管构成的情况要多。以电阻为负载的放大器一般采用电容为中介连接到下一级。前级的晶体管与后级的晶体管通过用电容连接,使得各晶体管工作所需的直流电压各自独立,而交流信号则可自由地通过(参见图)。我们将此电容称为耦合电容。与前一节的旁路电容起通过交流成分的作用相比,耦合电容的作用是传输交流信号。

图显示的CR耦合2级放大器的常规电路,以图中的虚线a-a’将电路分为前后2级比较一下就可以发现,被纵向连接在一起的是相同结构的电路。

例如,收音机的放大检测波后的声音信号,选台电路-频率变换器-中频放大器-检波器-低频放大器-功率放大器。
耦合电容C3发挥的作用是:在Tr1的集电极负载电阻R3所产生的直流与交流信号重叠的电压中,只将交流成分传递给Tr2的基极,而直流成分则使Tr1的集电极与Tr2的基极无关。

| 元件 | 作用 |
|
R1、R2 R5、R6 |
Tr1和Tr2的基极偏置用电阻 ※省去R2和R6也可以,但加入R2和R6后偏置点稳定 |
| R3、R7 | 集电极负载电阻,用以生成输出 |
| R4、R8 |
发射极电阻,起稳定晶体管偏置的作用 ※如果不并联C2和C4,则对于交流信号的变化变小,放大倍数降低 |
| C1、C3、C5 | 耦合电容,起将信号源与第1级、第1级与第2级、第2级与输出回路交流性连接,不让直流通过 |
| C2、C4 | 与R4和R8并联的旁路电容,交流成分不走R4和R8,而走易通过的C2和C4 |
变压器耦合电路是用在低频放大电路中的另一种级间耦合电路。变压器不仅具有与电容相同的、在前后级的晶体管之间阻碍直流通过而只传递交流信号成分的作用,而且具有与线圈匝数的平方成比例的阻抗之特长。
审核编辑:黄飞
上一篇:浅谈功率放大的原理
龙腾半导体SGT MOSFET LSGT085R018在智慧农业无