时间:2024-02-06 14:51
人气:
作者:admin
由于光敏继电器在自动控制系统中是常用的器件,光敏继电器是利用光敏元件把光信号转换成电信号的光敏器材,广泛用于计数、测量和控制等方面。光敏继电器分亮通和暗通两种电路,亮通是指光敏元件受到光照射时,继电器吸合,暗通是指光敏元件无光照射时,继电器吸合。
D型光敏继电器通常与光源、负载等元件组合使用,以实现光控功能。例如,在自动照明系统中,当环境光线低于一定阈值时,D型光敏继电器触发动作,使照明设备自动开启;当环境光线达到一定亮度时,继电器断开,照明设备自动关闭。这样可以实现节能和智能化的照明控制。
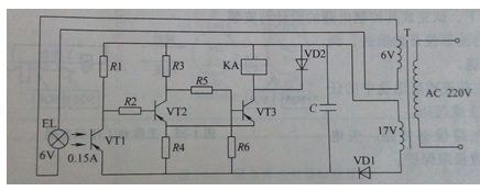
图为JG—D型光敏继电器电路原理。此电路属于亮通电路,适合于自动控制系统中指示工件是否存在或所在位置。继电器KA的动作电流大于1.9mA,释放电流小于1.5mA,发光头EL与接收头VT1的最大距离可达50m。

光敏继电器工作原理:220V交流电经过变压器T减压、二极管VD1整流、电容C滤波后作为继电器的直流电源。在T的二次侧另一组6V交流电源直接向发光头EL供电。晶体管VT2、VT3组成射极耦合双稳态触发器。在光线没有照射到接收头光敏晶体管VT1时,VT2基极处于低电位而导通,VT3截止,继电器KA不吸合;当光照射到VT1上时,VT2基极变为高电位而截止,VT3就导通,KA吸合,能准确地反应被测物是否到位。
必须注意的是,在安装、使用光敏继电器时,应避免振动及阳光、灯光等其他光线的干扰。
d型光敏继电器的作用
D型光敏继电器是一种使用光敏电阻(也称为光敏电阻器或光敏电阻元件)作为感光元件的继电器。它的主要作用是根据光敏电阻对光照强度的变化产生的电阻变化来控制继电器的触发和断开。
D型光敏继电器通常用于光控、光敏控制、光开关、照明控制等方面。它的工作原理基于光敏电阻的特性,当光照强度改变时,光敏电阻的电阻值也会随之改变。根据光敏电阻的电阻变化,D型光敏继电器可以实现对其他电路或设备的控制。
具体而言,D型光敏继电器的作用可以总结如下:
1. 光敏感应:D型光敏继电器使用光敏电阻作为感光元件,可以根据光照的强度变化产生相应的电阻变化,对光信号进行感应。
2. 控制信号转换:通过对光敏电阻的感应,D型光敏继电器可以将光信号转换为控制信号。例如,当光敏电阻的电阻值变化时,继电器触发,并将控制信号传递给其他电路或设备。
3. 控制开关:D型光敏继电器可以用于控制其他电路或设备的开关。它可以根据光照的强度变化实现对其他电路或设备的触发和断开。
D型光敏继电器通过光敏电阻对光照强度的感应,实现对其他电路或设备的控制。它在照明控制、光敏控制等领域具有广泛的应用。
审核编辑:黄飞
上一篇:TVS二极管在交直流电路中的应用
下一篇:IGBT过流故障和短路故障的区别
龙腾半导体SGT MOSFET LSGT085R018在智慧农业无