时间:2024-01-15 09:03
人气:
作者:admin
电平转换器(Level Shifter,LS)是一个在SOC设计中经常会用到的器件。它的主要作用是将数字信号从一个电压域切换到另一个电压域。
随着汽车电气化和智能化的发展,汽车电子系统越来越复杂,各种功能模块之间的通讯也越来越多。
由先进工艺制造的主控芯片只能输出低压域的数字逻辑电平,而在被控制端,由于工艺限制只能接收高电压域的数字逻辑电平,因此,两者之间通常需要电平转换器。
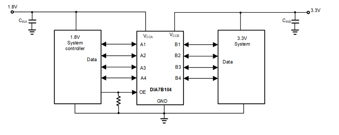
针对不同接口需求的电平转换,帝奥微推出了4通道的电平转换器产品:DIA7B104。
DIA7B104是一款4通道自动感应传输方向的电平转换器,它无需传输方向控制引脚即可自动感应信号的传输方向,器件具有更低的工作电压(1.08V)、更高的转换速率(最高速率100Mbps)和更小的功耗等优势。通过使用两个独立的电源轨,DIA7B104可以实现1.2V-5V电压节点之间的任意双向电平转换。
器件的工作状态由输入使能端EN来控制,当EN为低电平时,内部电路关断,所有的输入输出被置为高阻状态。DIA7B104使用缓冲架构,此架构采用了one-shot方案,以此来提升转换速率。此器件适用于转换推挽CMOS逻辑输出。
产品应用
在汽车智能座舱、ADAS和Tbox系统中,主流SOC的接口电平多为1.8V甚至1.2V,而MCU、DSP、Wifi等其他功能器件接口电平目前还多为3.3V甚至5V。这些接口包括UART/SPI/I2S/GPIO等。为能保证通讯双方电平匹配,必须使用电平转换器。

产品优势
1.支持低端口电压
SOC产品多为先进工艺制造,具有很低的接口逻辑电平。目前常见为1.8V甚至1.2V,这就要求电平转换器能支持很低的逻辑电平转换。DIA7B104采用独有结构,支持端口电压最低到1.08V,完全可以满足1.2V接口电平应用,扩展了客户应用的范围。

图1. VCCA=1.2V VCCB=1.8V 10MHz
2.支持高速低延迟的电平转换
DIA7B104器件内部具有one-shot,可以提升电平转换速率和降低数据传输延迟。在VCCA=3.3V条件下,数据速率最大可支持100Mbps。在VCCA=1.8V条件下,数据速率最大也可支持55Mbps。DIA7B104支持推挽CMOS逻辑输出,可满足绝大部分通讯接口的电平转换需求。

图2. VCCA=1.8V VCCB=3.3V 30MHz
3.功耗低
DIA7B104采用独有电路设计,器件的最大静态功耗仅1uA,非常适合功耗要求严苛的系统。
功能特性:
•符合AEC-Q100规范,满足Grade1等级
•端口A电压范围1.08-3.6V;B端口电压范围1.65-5.5V,要求VCCA≤VCCB
•最大转换速率100Mbps,支持推挽逻辑输出
•最大静态电流1μA
• ESD性能:±8kV(HBM), ±2kV(CDM)
•封装尺寸: TSSOP-14/QFN-14/QFN-12
自动感应方向电压转换器采用双电源配置。使用电平转换器,能够实现信号的电压适配、阻抗匹配、逻辑转换和信号保护等功能。可广泛应用于汽车系统中GPIO、SPI、UART、JTAG、I2S接口间的双向信号电平转换。
DIA7B104有车规级应用和工规级应用产品,提供TSSOP-14,QFN-14和QFN-12封装选择。其中车规级产品符合汽车AEC-Q100 Grade 1标准,为诸多严苛的汽车应用提供更加可靠稳定的解决方案。

目前DIA7B104已经开始送样,未来更多的一系列电平转换器产品会陆续量产发布。
审核编辑:刘清
龙腾半导体SGT MOSFET LSGT085R018在智慧农业无