时间:2024-01-19 15:30
人气:
作者:admin
什么是共射放大电路
共射放大电路是一种常见的三极管放大电路。它将三极管的发射极作为输入端,集电极作为输出端,而基极则通过输入信号与一个偏置电压相连。在共射放大电路中,输入信号是通过改变三极管的基极电压来控制输出信号的幅度。
在共射放大电路中,当输入信号的幅度增大时,三极管的基极电压也会相应地增大。这导致三极管发射极电流的增加,从而使输出信号的幅度增大。因此,共射放大电路可以放大输入信号的幅度。
共射放大电路的一个特点是输出信号与输入信号的相位差为180度,即反相放大。此外,由于三极管的发射极被接地,共射放大电路的输入电阻较低,输出电阻较高。
共射放大电路广泛应用于各种电子设备中,例如音频放大器、射频放大器等。它具有良好的放大性能和较宽的频率响应范围,是一种常用的放大电路拓扑结构。
如何判断放大电路是共集还是共射?
有简单的方法:
观察信号的输入端和输出端,就看信号正极。
共射电路:信号从基极进入,从集电极取出。
共基电路:信号从发射极输入,从集电极取出。
共集电路:信号从基极进入,从发射极取出。

直流工作点:

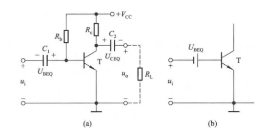
阻容耦合共射放大电路(B极输入,C极输出)

特点:
共射放大电路既能放大电流又能放大电压,输入与输出反相;输出电阻较大,频带较窄。常作为低频
电压放大电路的单元电路。
基本共集放大电路(射极输出器,B极输入,E极输出)
共射放大电路和共基放大电路区别
共射放大电路和共基放大电路是两种常见的三极管放大电路拓扑结构,它们在输入输出特性、输入输出阻抗等方面有不同的特点。
共射放大电路:
- 输入信号连接到三极管的发射极,输出信号从三极管的集电极获取。
- 放大倍数较高,具有较大的电压增益。
- 输入电阻较低,输出电阻较高。
- 进行反相放大,输出信号与输入信号相位相反(180度相位差)。
- 可以提供较高的电流放大能力。
共基放大电路:
- 输入信号连接到三极管的基极,输出信号从三极管的发射极获取。
- 放大倍数较低,具有较小的电压增益。
- 输入电阻较高,输出电阻较低。
- 进行正相放大,输出信号与输入信号相位相同。
- 可以提供较高的电压放大能力。
因为共基放大电路具有较高的输入阻抗和较低的输出阻抗,所以常常被用作信号调理和匹配电路,可以将输入信号的阻抗与后续电路匹配。而共射放大电路则常用于需要较大电流放大和较高电压增益的场合,如音频放大器和功率放大器。
审核编辑:黄飞
龙腾半导体SGT MOSFET LSGT085R018在智慧农业无