时间:2024-02-09 05:32
人气:
作者:admin
什么是LC三端式振荡器
LC三端式振荡器是一种基于LC(电感和电容)谐振回路的振荡器。它是一种常见且被广泛应用的振荡器类型,可用于产生稳定的正弦波信号。
LC三端式振荡器由三个主要部分组成:
1. LC谐振回路:LC谐振回路是振荡器的关键部分,由一个电感(L)和一个电容(C)组成。它们一起形成一个谐振频率,决定了振荡器输出信号的频率。
2. 放大器:振荡器需要包含一个放大器来提供正反馈放大作用。放大器可以是活动放大器(如晶体管、操作放大器等)或被动放大器(如变压器耦合放大器)。放大器提供必要的增益和能量补偿,使振荡器能够产生实际输出信号。
3. 反馈回路:振荡器的反馈回路将一部分输出信号引导回到输入端,形成正反馈。这个反馈回路通常是通过与LC谐振回路相连的一个电感元件和相应的调谐电容来实现。
LC三端式振荡器工作原理如下:
1. 开始时,放大器将其放大的输出信号反馈到LC谐振回路中。
2. 由于谐振回路,反馈信号会与输入信号进行相位和幅度调整。
3. 正反馈使得输出信号在谐振频率处增强,并继续被放大器放大。
4. 输出信号再次经过LC谐振回路,反馈到输入端,形成闭环反馈。
5. 当系统增益与反馈路径相等并满足相位平衡条件时,振荡器将稳定地产生正弦波输出信号。
LC三端式振荡器具有频率稳定性高、构造简单、成本低廉的特点。它在许多应用中被广泛使用,如无线通信、射频电路和音频发生器等。不同类型的LC三端式振荡器(如Hartley振荡器、Colpitts振荡器)可以通过调整电路构造和参数进行优化和选择。
构成lc三端式振荡器的准则是什么
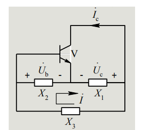
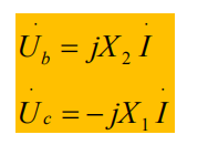
三端式(又称三点式)的振荡器,LC回路的三个端点与晶体管的三个电极分别连接而成的电路。电抗元件×1,Xz,×3可为电感或电容。

一般情况下,回路Q值很高,因此回路电流远大于晶体管的基极电流lb、集电极电流lc以及发射极电流lco

为Ub和Uc反相,说明X1与×2具有相同的电抗特性。
LC三端式振荡器电路的相位平衡判别准则
LC三端式振荡器电路的相位平衡判别准则通常是确保输出信号和正反馈信号之间的相位差为0度或360度。换句话说,振荡器的输出信号需要与正反馈信号保持完全同相或反相。
在LC三端式振荡器电路中,常用的相位平衡判别准则包括以下两种方法:
1. 示波器法(观察法):通过使用示波器测量振荡器的输出信号和反馈信号,观察它们的相对相位关系。如果输出信号和反馈信号的相位差为0度或360度,即完全同相或反相,则可以认为振荡器达到了相位平衡状态。这种方法可以直观地判断相位平衡,但需要使用示波器进行观测。
2. 相位比较法:该方法使用相位比较器(Phase Comparator)或相位鉴别器(Phase Discriminator)来比较输出信号和反馈信号的相位差。相位比较器通常为数字电路或专用芯片,能够测量和比较两个信号的相位差,并输出一个相应的判别结果。如果相位差为0度或接近0度,则可以判断振荡器达到了相位平衡状态。
综合使用示波器法和相位比较法,可以较准确地判断LC三端式振荡器电路是否达到相位平衡。相位平衡的实现对于振荡器的稳定性和正常工作至关重要,因此在设计和调试时需要特别注意保持相位平衡。
审核编辑:黄飞
龙腾半导体SGT MOSFET LSGT085R018在智慧农业无