时间:2024-02-17 14:47
人气:
作者:admin
什么是IGBT?
IGBT,中文名字为绝缘栅双极型晶体管,它是由MOSFET(输入级)和PNP晶体管(输出级)复合而成的一种器件,既有MOSFET器件驱动功率小和开关速度快的特点(控制和响应),又有双极型器件饱和压降低而容量大的特点(功率级较为耐用),频率特性介于MOSFET与功率晶体管之间,可正常工作于几十kHz频率范围内。
理想等效电路与实际等效电路如图所示:

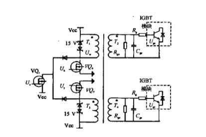
IGBT的驱动要求

IGBT的驱动要求主要包括以下几个方面:
1.电压要求:IGBT的驱动电压通常在15V到20V之间,具体取决于IGBT的型号和应用场合。驱动电压过高会导致IGBT损坏,而驱动电压过低则可能导致IGBT无法正常开关。
2.电流要求:IGBT的驱动电流通常在几安培到十几安培之间,具体取决于IGBT的型号和应用场合。驱动电流过大会导致IGBT损坏,而驱动电流过小则可能导致IGBT无法正常开关。
3.速度要求:IGBT的驱动速度应该足够快,以确保在实际应用中能够快速响应外部信号的变化。驱动速度过慢可能导致IGBT无法及时开关,从而影响系统的性能。
4.稳定性要求:IGBT的驱动电路应该具有良好的稳定性,以确保在实际应用中能够稳定工作。驱动电路的稳定性不足可能导致IGBT无法正常工作,甚至损坏。
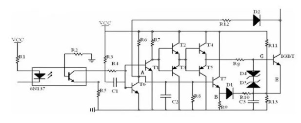
IGBT的过电流保护
IGBT的过电流保护分析
一种包含隔离光耦和过电流保护的IGBT驱动电路,如下图所示。

为了防止IGBT在运行过程中出现过电流现象,通常需要采取一定的过电流保护措施。以下是一些常见的过电流保护方法:
1.采用保险丝或断路器:在IGBT的输入端串联一个保险丝或断路器,当电流超过设定值时,保险丝熔断或断路器断开,从而切断IGBT的输入电源,实现过电流保护。这种方法简单可靠,但可能会导致系统停机。
2.采用热敏电阻:在IGBT的散热器上安装一个热敏电阻,当温度超过设定值时,热敏电阻的阻值发生变化,从而改变IGBT的驱动电压或电流,实现过电流保护。这种方法可以实现自动保护,但可能会影响系统的性能。
3.采用过电流检测电路:通过检测IGBT的输出电流,当电流超过设定值时,通过控制电路切断IGBT的输入电源,实现过电流保护。这种方法可以实现精确的保护,但需要额外的检测电路和控制电路。
4.采用软关断技术:通过控制IGBT的驱动电压和电流,使其在关断过程中逐渐降低,从而实现软关断。这种方法可以减少关断过程中产生的电压和电流冲击,降低过电流的风险。
IGBT的开通过程
在这个阶段,栅极电压逐渐升高,使得MOS管从截止状态转为导通状态。随着电导调制现象,N-基区内部充满了自由载流子(电子和空穴)。这些载流子的注入使得IGBT导通。然而,大功率IGBT器件内部续流二极管的反向恢复过程可能会增加开通损耗,因此这一过程越来越受到工程师们的关注。

IGBT的关断过程
关断过程中,器件栅压由正压降低至0或负栅压。这时,MOS管从反型开通转为空穴堆积,导致电子沟道关断。BJT基极电流消失,电子空穴被逐步建立的空间电荷区抽离体区。随着这个过程的继续,空间电荷区扩展至芯片背面,背面空穴通过复合消失,这被称为拖尾电流。此外,随着载流子寿命控制等技术的应用,IGBT的关断损耗得到了明显改善。

龙腾半导体SGT MOSFET LSGT085R018在智慧农业无