时间:2024-01-23 16:46
人气:
作者:admin
模数转换器(analog to Digital Converter,简称ADC)是一种数据转换器,它通过将模拟信号编码为二进制代码,使数字电路能够与现实世界进行接口。
模数转换器(adc)允许微处理器控制电路,Arduinos,树莓派和其他此类数字逻辑电路与现实世界通信。在现实世界中,模拟信号具有不断变化的值,这些值来自各种来源和传感器,可以测量声音,光,温度或运动,许多数字系统通过测量来自这些传感器的模拟信号与环境相互作用。
ADC处理
ADC处理一般要经过采样,保持,量化和编码四个步骤,如下所示:

ADC处理过程中各个步骤的详细介绍:
采样:这个步骤将时间上连续变化的信号转换为时间上离散的信号。换句话说,它把时间上连续变化的模拟量转换为一系列等间隔的脉冲,脉冲的幅度取决于输入模拟量。这个过程遵循奈奎斯特采样定理,即采样频率必须大于信号中最高频率成分的两倍,这样才能保证采样值能够不失真地反映原来的模拟信号。
保持:在采样步骤之后,得到的一系列样值脉冲需要在下一个采样脉冲到来之前暂时保持,以便进行下一步的转换。因此,在采样电路之后通常会加入保持电路。

模拟信号经采样后,得到一系列样值脉冲,如上右上图。采样脉冲宽度一般是很短暂的,在下一个采样脉冲到来之前,应暂时保持所取得的样值脉冲幅度以便进行转换。因此,在采样电路之后须加保持电路。
量化:这个步骤是将采样后的模拟电平归化为离散的数字电平。换句话说,它是把采样后的N个点数值按照一定的标准和步骤转化为数字式的0和1。这个过程可以根据不同的方式和标准进行分类,例如抗噪声能力强、分辨率不够等。
编码:最后一步是将量化后的结果按照一定的数制形式表示,例如二进制、十进制等。这一步是ADC的输出,可以直接供数字电路或系统进行处理和应用。
通过以上四个步骤,ADC完成了模拟信号到数字信号的转换,使得数字电路或系统能够更好地处理和应用这些信号。
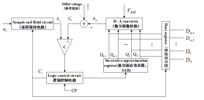
ADC的工作原理是将连续变化的模拟电压信号分割成离散的取样,并对每个取样进行量化,生成相应的数字表示。通常,ADC使用一种称为逐次逼近法(successive approximation)的转换技术,通过逐步比较模拟输入信号和一个内部参考电压来逼近原始模拟信号的值,并将其转换为对应的数字值。
审核编辑:黄飞
龙腾半导体SGT MOSFET LSGT085R018在智慧农业无