时间:2024-01-25 17:18
人气:
作者:admin
一、服务器电源介绍
服务器电源主要用在数据中心场景中,主要应用于服务器、存储器等设备。它和PC电源一样,都是一种开关电源。
服务器电源按照标准可以分为ATX电源和SSI电源两种。
ATX标准是Intel在1997年推出的一个规范,使用较为普遍,输出功率一般在125瓦~350瓦之间主要用于台式机、工作站和低端服务器。 SSI(Server System Infrastructure)规范是Intel联合一些主要的IA架构服务器生产商推出的新型服务器电源规范,SSI规范的推出是为了规范服务器电源技术,降低开发成本,延长服务器的使用寿命而制定的,主要包括服务器电源规格、背板系统规格、服务器机箱系统规格和散热系统规格。
目前,大多数数据中心运营商都是将12V DC输入作为主板电源。在传统架构中,不间断电源 (UPS) 将在整个数据中心为两个独立AC分配方案提供备用电源。在典型服务器主板中,两个AC-DC电源相互之间提供冗余,每个电源足以满足服务器主板的全部电力需求。
二、服务器电源市场分析
AI、ChatGPT应用火热,除了最核心的计算芯片以外,电源供应器也是市场讨论的焦点话题之一。
目前市场上部分服务器电源的功率已经超过3000W,有厂家预测未来的AI服务器电源功率会达到5000W甚至是8000W。
根据IDC数据,全球TOP5服务器厂商市场集中度高,基本维持在50%, 主要玩家依次为戴尔,HPE,浪潮,联想和SuperMicro,预计至2025年全球服务器出货量将达1440.7万 台,中国达416.2万台,全球占比29%。2025年全球服务器电源市场规模将达316亿元,2020~2025年CAGR达11%,中国市场规模将达91亿元,2020~2025年CAGR达11%。
三、服务器电源拓扑及龙腾产品优势
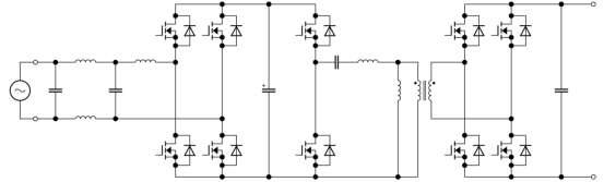
通常钛金级高效电源由无桥或半无桥PFC级(如图腾柱级)和谐振DC-DC级(如LLC转换器)组成(参见下图 )。12V的输出电压多半使用中心抽头变压器,而48V系统则应考虑全桥整流。

图腾柱PFC+LLC拓扑
图腾柱PFC+LLC拓扑:第一级PFC电路,电路启动时,冲击电流较大,要求MOSFET有较强的EAS能力,高频桥臂要求MOS的开关性能好,低频桥臂要求MOS导通小;后级LLC谐振电路,要求MOSFET的Body Diode具有较强的di/dt能力,较小的Qrr。
服务器电源市场应用,龙腾半导体的高压SJ MOS,其产品优势:
针对PFC拓扑,优化EAS,增强抗雪崩能力,增强抗浪涌能力;
针对LLC拓扑,优化体二极管,增强di/dt能力,降低Qrr和驱动干扰;
优化Qg和Coss/Ciss比值,降低驱动损耗,提升驱动抗干扰能力。
服务器电源市场应用,龙腾半导体的SGT MOS,其产品优势:
优化Qg和Vth,高一致的Vth让并联更安全可靠;
优化Coss和Rdson,更大程度地降低开关损耗和导通损耗,降低温升。
以上优点,使得龙腾产品在服务器电源上的应用简单。
四、服务器电源龙腾MOSFET选型表
| 功能 | 拓扑 | 产品系列 | 产品型号 |
| AD-DC | PFC | 600-700V SJ MOS 650VIGBT | LSB65R070GT LSB65R099GT LKB40N65TM1 |
| 隔离 DC-DC (初级) | PSFB LLC DAB | LSB65R070GF LSB65R099GF LSC65R135GF | |
| 隔离 DC-DC (次级) | 同步整流 12V Vout | 40-60V SGT MOS | LSGN04R011WE LSGN04R013WE |
| 同步整流 24V Vout | 80-100V SGT MOS | LSGN08R036 LSGE08R036 LSGN10R042 | |
|
同步整流 48V Vout |
150V SGT MOS |
开发中 |
注:以上信息与数据出自龙腾半导体
审核编辑:刘清
下一篇:MOS和IGBT在充电桩上的应用
龙腾半导体SGT MOSFET LSGT085R018在智慧农业无