时间:2023-12-08 18:20
人气:
作者:admin
一、参数解读
极限值
01
一般来说任何情况下MOSFET工作状态超过以下指标,均可能造成器件的损坏,以龙腾650V99mΩ器件规格书为例:

第一列为参数名称,漏源极电压、漏极连续电流、源极脉冲电流、栅源极电压、单次雪崩能量、耗散功率、结温和储存温度、二极管连续反向电流、二极管脉冲电流。第二列为参数符号,第三列为参数的极限值,第四列为参数的单位。
重点介绍漏极连续电流Id的计算
| Tc | 25°C | 100°C |
| PD | (TJ,max-Tc)/RthJC | (TJ,max-Tc)/RthJC |
| PD | (150-25)/0.35≈357W | (150-100)/0.35≈143W |
| iD | √(357/2.3*0.2277)≈40A | √(357/2.3*0.2277)≈25A |
| 此外,有时规格书中Id的值要小于实际计算得到的值,这是由于封装连接线的电流限制。 |
![]() |
静态参数
02
BVDSS表示漏源极之间能承受的电压值,这里标注的是最小值650V。VGS(th)表示MOSFET的开启电压,它是负温度系数,随着温度的增加,器件的开启电压逐渐减小,以100℃为例,此时开启电压已经降低到25℃时的0.77倍
IDSS表示漏极的漏电流,在VDS=250V时,最大不超过1uA;
IGSSF、IGSSR分别表示栅极正向漏电流、反向漏电流,在VGS=±30V时,不超过100nA;
RDS(on)表示器件的导通电阻,它与器件的测试条件及温度有关。
当温度升高时,RDS(on)逐渐变大,呈现正温度系数;
测试条件VGS=10V固定,测试电流ID不断增加时,RDS(on)也不断加大。
![]() |
![]() |
动态参数
03

电容参数:
规格书参数部分只标注了一个点的值,即在测试条件VDS=100V,VGS=0V,f=250kHz时,Ciss=3250pF、Coss=115pF、Crss=4.5pF。
功率器件的结电容是随着电压变化的,规格书中的C-V 曲线上可以读出在各个电压下的结电容值。

开关参数:
| td(on)=10%VGS – 90%VDS |
| tr=90%VDS – 10%VDS |
| td(off)=90%VGS – 10%VDS |
| tf=10%VDS – 90%VDS |
测试条件中包含VDD、ID、Rg、VGS,注意在不同的测试条件下,参数测试值不相同。

栅电荷参数
04

注:栅极电荷参数注意测试条件中VGS=0to10V,即规格书中的Qg表示栅极从0V充电到10V所需的电荷量,往往实际使用时不是这个驱动电压。

体二极管参数
05

注:VSD表示体二极管正向导通时的压降,其值随着IS的增大而增大,随着温度的升高而减小。

注:trr表示反向恢复过程的时间,Qrr表示反向恢复过程的电荷量,Irrm表示反向恢复过程的电流尖峰

二、参数测试和曲线解读
静态测试
01
静态测试项目包含: BVDSS、VTH、IDSS、IGSSF、IGSSR、RDSON,一般使用功率器件静态测试仪进行测试,每一颗器件出厂前在封装完成之后,都会经过在100%的FT测试中进行静态参数的测试才会交到用户手中。
其中BVDSS,我们通过灌电流读电压的方式得到,在栅极VGS=0V时让器件流过ID=250uA,此时器件的两端电压值就是器件的耐压BVDSS。
VTH:器件开启的电压,将栅-漏极短接,持续增加VGS当器件流过ID=250uA,此时栅极所施加的电压值为VTH。
IDSS:VGS电压为0保持器件关断,对器件施加额定电压值,测试此时的电流。
IGSSF、IGSSR:对器件施加对应VGS电压,此时IGS相对应的漏电流值为IGSSF、IGSSR。
RDSON:导通电阻,给器件一定栅极电压,让器件流过对应电流,所测得的导通DS间电阻值。

动态测试
02
动态测试是器件在开关过程中所获得的参数,决定着器件的开关性能。
(1)Qg

Qg参数由如上电路测试得到,通过对Ig的积分,得到Qg,在绘制出Qg-VGS曲线,我们可以看到分为三个阶段,把一个向上的阶段定义为Qgs,把米勒平台阶段定义为Qgd,把整个开通阶段定义为Qg。
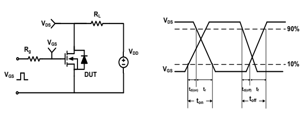
(2)开关测试

开关数据由如上电路得到,控制器件开关得到右侧波形。
开通延时:td(on)=10% VGS – 90% VDS
上升时间:tr=90%VDS – 10%VDS
关断延时:td(off)=90%VGS – 10%VDS
下降时间:tf=10%VDS – 90%VDS
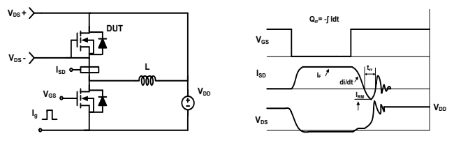
(3)二极管测试

二极管数据由如上电路中得到,测试体二极管的电压电流。
trr表示反向恢复过程的时间
Qrr表示反向恢复过程的电荷量
Irrm表示反向恢复过程的电流尖峰
(4)极限能力测试
雪崩

器件雪崩由如上电路测试获得。器件雪崩能量=电感能量=1/2LI2
短路
此外IGBT规格中有短路能力的标称,下图是规格书中短路参数

(5)可靠性测试
可靠性测试
模拟和加速半导体元器件在整个寿命周期中遭遇的各种情况(器件应用寿命长短)。
高温栅偏/高温反偏(HTGB/HTRB)
评估器件在高温和高电压情况下一段时间的耐久力。高温、高电压条件下加速其失效进程。
湿热试验(THB/H3TRB)
确定电子元器件在高温、高湿度或伴有温度湿度变化条件下工作或储存的适应能力。评估产品在高温、高湿、偏压条件下对湿气的抵抗能力,加速其失效进程。
特性曲线
03
静态参数测试条件是不变的,而在实际应用中,测试参数的静态点并不能说明问题。外部环境是实时变化的,此时静态参数只能提供一个参考的数值,这时曲线的参数测试变得更有意义。
(1)输出特性曲线

(2)参数与结温关系
![]() |
通过参数与结温曲线的关系可以发现,功率器件的参数会随着结温的变化,而呈现一定规律的变化,在实际应用中,结温变化不仅仅因为环境温度的改变,还会因为功率器件自身功耗改变。所以一定要注意结温对器件参数的影响,注重散热。 |
![]() |
|
![]() |
审核编辑:刘清
龙腾半导体SGT MOSFET LSGT085R018在智慧农业无