时间:2023-12-13 13:34
人气:
作者:admin
电动汽车车载充电机(On Board Charger,OBC)可以根据功率水平和功能采取多种形式,充电功率从微型电动汽车应用中的2KW,到高端电动汽车中的22KW不等。 通常车载充电机是单向的,但近年来,双向充电越来越受关注,本文将讨论碳化硅(SiC)在中功率6.6KW和高功率11~22KW双向车载充电机中的优势。
随着纯电动汽车市场份额的不断增加,动力电池的装机容量也在增加,消费者还要求为大容量电池提供更快的充电时间,这种需求也促使电池的工作电压从400V增加到800V。 拥有足够电池容量的电动汽车将有可能充当储能系统,实现各种车到其他用电设备的供电场景,比如车辆到家庭、车辆到电网和车辆到车辆充电等,因此OBC正在从单向拓扑向双向拓扑转变,电动汽车未来采用双向OBC是一种普遍趋势。

图1:双向OBC使用案例
电动汽车车载充电机设计需要高功率密度和高转换效率,以充分利用有限可用的整车空间并最小化体积和重量。双向OBC前端是由一个双向AC-DC转换器组成,通常是一个功率因数校正PFC电路或有源前端AFE电路,后端则是一个隔离型的双向DC-DC转换器。
01. PFC或AFE模块
在输入端,传统的PFC升压转换器是使用最广泛的单向拓扑,但它不支持双向操作,而图腾柱PFC不仅支持双向操作,还可以通过消除桥式整流器级来提高效率,将传导路径中的半导体器件数量从三个减少到两个。

图2:从传统升压拓扑(a)更改为图腾柱PFC(b)
图腾柱PFC包含两个以上不同频率工作的半桥,高频桥臂进行升压和整流,以提高频率切换,低频桥臂主要对输入电压进行整流,在50-60Hz的频率下切换。
02. DC/DC转换器模块
单向车载充电机中的DC/DC转换器通常是LLC谐振转换器,但这是一种单向拓扑,在反向工作模式下,转换器的电压增益受到限制,从而降低了其性能。因此,图3中的双向CLLC谐振转换汽车更适合双向OBC的DC/DC级,它在充电和放电模式下都具备高效率和宽电压范围。

图3:双向CLLC DCDC转换器
在电动汽车车载充电机应用中,CLLC谐振转换器采用软开关来提高效率,初级侧采用零电压开通(ZVS),次级侧采用ZVS+ZCS相结合。
03. SiC的优点
碳化硅SiC因其独特的高临界电场、高电子漂移速度、高温和高导热性组合,而成为大功率OBC的首选器件,在晶体管级别上,SiC具备低导通电阻和低开关损耗,使其成为大电流高压应用的理想选择。
除了SiC,大功率设计中的有源器件还有另外两种选择,包括硅Si MOSFET和IGBT,对于图腾柱PFC中的高功率应用,Si MOSFET二极管的反向恢复,导致连续导通模式下高功率损耗,因此其使用仅限于非连续模式操作和低功率应用。
相比之下,SiC MOSFET允许图腾柱PFC在连续导通模式下运行,以实现高效率、低EMI和更高的功率密度。
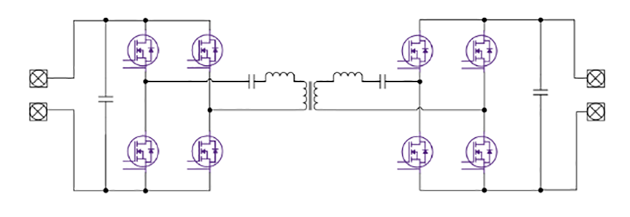
04. 中功率6.6KW双向OBC架构
中功率双向OBC通常采用单相120V或240V输入和400Vdc母线运行,拓扑前级是单相图腾柱PFC,后级是CLLC DC/DC转换器,如图4所示。

图4:使用SiC和图腾柱PFC的高效OBC架构
对于6.6KW双向OBC,PFC中可采用两个60mΩ MOSFET并联或用一个25mΩ MOSFET,DCDC中可采用一个60mΩ或一个45mΩ MOSFET,下表总结了这种双向OBC设计的器件选择。

表1:3.3KW和6.6KW双向OBC的MOSFET选择
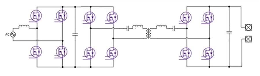
05. 高功率11KW或22KW双向OBC设计
在11KW或22KW等更高功率水平下,电池电压可以是400V或800V,目前市场正朝着800V高压平台发展,图5显示了高功率三相双向OBC的系统框图,该设计可兼容400V或800V电池。

图5:高功率三相双向OBC系统框图
11KW双向OBC设计可以将75mΩ 1200V MOSFET用于PFC和CLLC转换器的初级侧,在次级侧,800V电池应用使用与初级相同的75mΩ MOSFET,40mΩ 1200V MOSFET可用于高性能应用,对于400V电池应用,可以选择四个650V 25mΩ MOSFET作为次级侧。
22KW的设计与11KW双向OBC的设计相似,但更高的功率输出需要更低的RDS(on)器件,可用一个32mΩ 1200V MOSFET用于PFC和DCDC的初级侧,同样次级侧既可以将相同的初级侧器件用于800V母线应用。表2总结了三相大功率OBC设计的器件选择。

表2:11KW和22KW双向OBC的MOSFET选择
在许多欧洲家庭中,三相电源很容易获得,但典型的美国家庭、亚洲和南美家庭只有标准的单相240V,这种情况下,大功率22KW双向OBC需同时兼容单相和三相输入,设计人员可以对单相输入使用交错技术,把第四条桥臂添加到传统的三相PFC中。
图6显示了一个交错式图腾柱PFC,它具有三个高频桥臂和第四个低频桥臂,每个高频桥臂通过32mΩ 1200V SiC MOSFET提供6.6KW的功率,低频桥臂可以使用两个Si或IGBT来降低成本,当三相可用时,该电路可以自动重新配置为三相工作,使第四条桥臂悬空不用。

图6:用于22KW单相OBC设计的交错式图腾柱PFC
在双向OBC中,基于SiC的解决方案在成本、尺寸、重量、功率密度和效率等相关方面,都优于基于Si的解决方案。
例如,22KW双向OBC基于SiC的解决方案需要14个功率器件和14个栅极驱动器,基于Si的设计需要22个功率器件和22个栅极驱动器。在比较性能时,SiC设计实现了97%的效率和3KW/L的功率密度,而Si设计效率为95%和2KW/L的功率密度。
车载充电机是电动汽车必要的装机部件,迪龙新能源科技河北有限公司通过采用具有低导通电阻、低输出电容和低源极电感的SiC器件,完美融合了低开关损耗和低导通损耗,提高了公司OBC产品的功率密度和转换效率,拥有更高的开关频率,减少了组件数量,以及减少了电感、电容、滤波器和变压器等组件的尺寸,降低了OBC的成本。
审核编辑:刘清
龙腾半导体SGT MOSFET LSGT085R018在智慧农业无