时间:2023-11-29 16:45
人气:
作者:admin
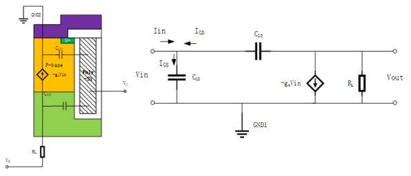
上一章我们讲到
的变化趋势,至于
,可以按照相同的方式进行分析,即 栅极与漏极极之间的电容。开通过程中,因不存在耗尽反型过程,所以
就是栅氧与N_drift区域重叠的部分所形成的电容;
但是关断过程中,因为P-base和N_drift所形成的PN结承受高压而产生耗尽区,所以也会形成一个与
串联的耗尽区电容,如图中所示,这里不再详述。
至此,我们是不是可以得出输入电容就是
和
之和呢?还差一步,因为MOS使用过程中还存在负载,对输入电容是有影响的。
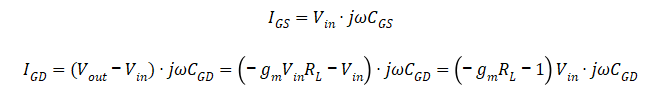
根据前面对MOS的IV特性分析,可以将MOS视为一个电压控制型电流源,其共源极等效电路如下图。

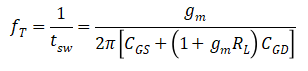
根据电路的基本原理,假设输入电容为
,那么

根据等效电路,

显然,
,综合以上几个关系式易得,

对照
,得到MOS结构的输入电容为:

定义上式右边第二项为米勒电容,
。显然米勒电容是随栅极电压变化的。
前面讲到MOS结构中电容的存在会决定器件的响应速度,即器件可工作的频率范围。从MOS的工作机制容易看出,开启过程中,电子从源极传输到漏极的时间主要由两个部分构成:
一是栅极电容的充电时间,至形成反型沟道,从而具备电子传输的通道;
二是电子从沟道中通过的时间,对于功率型MOS而言,还要包括电子通过低掺杂扩散区直到漏极的扩散时间。
对于关断过程,则与开启相反。这里我们把前者称为开关时间
,后者称为渡越时间
。
对于渡越时间
,这里将其物理过程描述如下,感兴趣的读者可以参考作推导。渡越沟道所需时间取决于沟道内的电子饱和速度和沟道长度,
,即速度取决于沟道内的迁移率和沿沟道方向的电场强度,该电场强度又取决于漏极和源极之间的电势梯度
;渡越低掺杂扩散区所需时间取决于扩散速度和扩散区深度
,即速度取决于与扩散系数和平均自由程,扩散系数同样与扩散区的迁移率相关,而平均自由程则与浓度相关。
下面对与电容充电相关的开关时间
作简要分析。随着频率的增加,输入电容的容抗减小
,所以频率响应一定存在一个极限值,这个极限值通常被定义为截止频率,对应输出电流与输入电流的增益为1时的频率。即:

化简后,

下一篇:模拟信号的输入阻抗和反射
龙腾半导体SGT MOSFET LSGT085R018在智慧农业无