时间:2023-11-03 16:36
人气:
作者:admin
这一篇,总结一下level shifter的晶体管级工作原理,就从最传统的结构讲起,详细分析这个level shifter是怎么实现电平转换功能的。

首先,level shifter是电平转换器,可以将高电压域转换到低电压域,也可以将低电压域转换到高电压域,有的level shifter可同时实现这两个功能,有的则只能实现一种,具体看designer怎么设计,下面以低电压域转换到高电压域转换电路为例,详细说明level shifter是怎么实现电平转换的,高电压域到低电压域的转换,也是同样的道理,不同电路结构可借鉴这个最传统的level shiter结构去分析,毕竟这个结构在1984年就已被发明应用。
首先说明一个知识点,MOS管进入深线性区的条件:Vds<<2(Vgs-Vth),也就是说当Vgs很大,Vds很小时,容易进入深线性区。
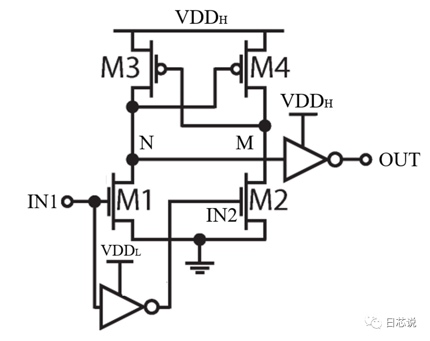
这里称低电压为VDDL,高电压为VDDH,level shifter就是实现如下图所示的高低电压之间的电平转换,一般是用在数字电路中,有时序的信号之间。
比如说我这里有一个clk信号是1.6V的swing,但是另一个模块需要用到3.3V的clk信号,那么这个时候就需要level shifter完成1.6V到3.3V的一个转换。

红色线就是电路中的IN1,黑色线就是想得到输出OUT。
一般情况下,输入IN1的swing就是0-VDDL,这里VDDL足以让M1和M2开启。
不用思考也知道,level shifter是很容易传输0电平的,当输入IN1是0V的时候,IN2是VDDL,M2开启,M点被下拉到地即0V,此时M3开启,N点被下拉到VDDH,M4关断,经过inverter输出OUT=0, 0电平就这么shift完成了,这个电路的主要分析点在于,IN1从0转到VDDL的过程,OUT输出0-VDDH的过程。
我们就假设电路的初态是IN1=0,IN2=VDDL,M=0,N=VDDH,OUT=0。
此时这个状态,M1关断,M2开启,M3在深线性区(无电流,Vds=0),M4关断。接下来,IN1由0增加到VDDL,此时IN2由VDDL减小到0,M1开启,M2关断,M1开启使得N点被下拉到地,即N点会由VDDH下降到0V,N点电压减小,使得M3的Vds由0开始增大,M3很快由深线性区进入线性区。
这一点不懂的看下图,红色圈圈是深线性区的区域,此时MOS管的Vds很小很小,管子的电流几乎可以忽略,但是当Vds稍微增大,管子就很快进入线性区(蓝色圈圈区域),瞬间有了电流,也就是说,深线性区只是一个很小的范围。

M3进入线性区有了电流,M1进入饱和区有了电流。(M1由关断到开启,肯定是先进入饱和区,因为这个临界点时,M1的Vds=VDDH>Vgs-Vth1=VDDL-Vth1,肯定是饱和区)。
从图中也可以得出,M1的饱和区电流肯定先是大于M3的线性区电流,使得N点持续由VDDH放电到地,这个过程不能使得M1电流小于M3电流,否则N点下拉失败,OUT无法输出高电平VDDH。
也就是说,这个过程中M1和M3竞争,M1要赢过M3,才会使得N点下拉成功,OUT输出VDDH。同理,M2也要赢过M4。
那么,M1是如何和M3竞争的呢?
第一种情况:当N点放电的时候,N点电压由VDDH减小,即M1的Vds减小,M3的Vds增大,M1的电流减小,M3的电流增大,那么,两者会有相等的时候吗?肯定会有,当两者电流相等的时候,如果N点电压足够高,使得M4无法导通,那么M1和M3会一直保持这个电流,N点电压保持,电路维持在这个状态。这个状态是我们不希望的。
第二种情况:当M3电流增大,M1电流减小过程中,在二者电流相等之前,N点电压就足以使得M4导通,M点被上拉到VDDH,M3关断,上拉能力很快减弱到没有,使得N点继续放电到0,输出OUT输出高电平VDDH,这种情况是我们希望的。
正反馈在哪里呢,当N点电压减小到使得M4导通,那么M点电压增大,促使M3关断,下拉能力减小,使得N点继续减小,这就是正反馈。
那么,如何才能保证是第二种状态而不是第一种呢?只要nmos的下拉大于pmos的上拉就可以了。
临界点的M1和M3的宽长比计算依据:当M1和M3电流相等时,N点电压恰好使得M4导通,即N点电压为VDDH-|Vth4|。(M3和M4的Vth相等)
具体计算过程:M1的饱和区电流和M3的线性区电流相等,即以下公式,

由Id3=Id1,得到

此值一般大于1很多,一般也不会刻意去计算这个值,只需要nmos的W/L取很大,pmos取倒比管,就能满足nmos的下拉大于pmos的上拉能力。
上一篇:晶体管级施密特触发器实用原理解析
龙腾半导体SGT MOSFET LSGT085R018在智慧农业无