时间:2023-11-08 15:15
人气:
作者:admin
一、实验目的
1.掌握用变容二极管调频电路实现FM的方法;
2.理解静态调制特性、动态调制特性概念和测试方法。
二、实验原理
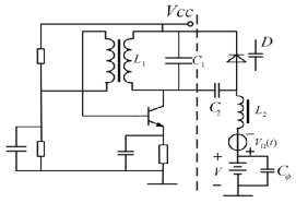
图5-1是变容二极管调频原理电路。

图5-1 变容二极管调频原理电路
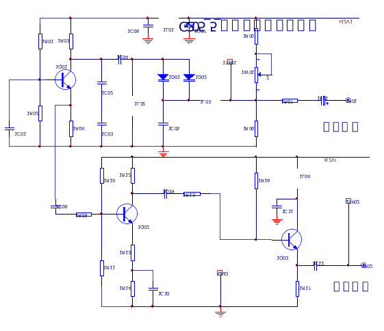
变容二极管调频电路的原理图如图5-2所示。

图5-2 变容二极管调频电路原理图
变容二极管调频电路在模块中单元标号为12,位于该子板卡上左部,如图5-3所示。

图5-3 变容二极管调频电路子板卡(左部)
图中,1Q01本身为电容三点式振荡器,它与D01、D02(变容二极管)一起组成了直接调频器。1Q02为放大器,1Q03为射级跟随器。1W01用来调节变容二极管偏压。图12-3可见,加到变容二极管上的直流偏置就是+12V经由1R05、1W01和1R06分压后,从1R06得到的电压,因而调节1W01即可调整偏压。
由图可见,该调制器本质上是一个电容三点式振荡器(共基接法),由于电容1C05对高频短路,因此变容二极管实际上与1L02相并。调整电位器1W01,可改变变容二极管的偏压,改变变容二极管的容量,从而改变振荡频率。
对输入音频信号而言,1L03短路,1C05开路,从而音频信号可加到变容二极管1D01、1D02上。当变容二极管加有音频信号时,其等效电容接音频规律变化,因而振荡频率也按音频规律变化,从而达到了调频的目的。
三、实验内容
1.观察调频器输出波形,考察各种因素对于调频器输出波形的影响;
2.变容二极管调频静态调制特性测量;
3.变容二极管调频器动态调制特性测量。
四、实验步骤
(一)模块上电
在实验箱主板上插上变容二极管调频模块、电容耦合相位鉴频与斜率鉴频模块,按下模块上电源开关,此时电源指示灯点亮。
(二)静态调制特性测量

1.输入端先不接音频信号,将示波器接1P02,用万用表测1TP01点电位,按表5-1,调节1W01,使1TP01点电位V1P02变化,并把相应的频率填入表中。
表5-1 无音频输入时的输出信号频率
2.动态调制特性测量
调整1W01使得变容二极管调频器输出频率f 0 =8MHz。以实验箱上低频信号源作为音频调制信号源,输出频率f=1KHz、峰-峰值V~p-p~=500mV(用示波器检测)的正弦波。将音频调制信号加入到调频器的音频输入端1P01,便可在调频器器的1TP02端上观察到FM波。
把调频器的调频输出端1P02连接到鉴频单元的输入端1P01,并将鉴频器的1K01拨向相位鉴频器,便可知鉴频器的输出端1P02上观察到经解调后的音频信号。如果没有波形或波形不好,应调整调频器1W01和鉴频器1W01。
将示波器CH1接调制信号源(可接在调制模块中1TP01上),CH2接鉴频输出1TP02,比较两个波形有何不同。改变调制信号源的幅度,观测鉴频器解调输出有何变化。调制信号源的频率,观察鉴频器输出波形的变化。
五、实验报告
调频FM波输出波形:

波形的中间较细,而两边较粗,说明该波形经过了调频。当增大调制信号源的幅度时,输出波形两边会变粗,说明发生了较大的频偏。
1.根据实验数据,画出静态调制特性曲线,说明曲线斜率受哪些因素的影响。

曲线斜率受变容二极管在音频信号为零时的直流电压Uo的影响,电压越大,斜率越小,电压改变则相应的电容改变,从而频率变化,则斜率变化。
2.说明1W01对于鉴频器工作的影响。
1W01对鉴频器的影响有两个:一是对调谐问题的影响,另一个是对频率振幅的干扰。
3.总结实验体会
通过对变容二极管调频电路的设计与研究,我们不仅对变容二极管的调频原理有了更深刻的了解,还对调频电路的应用进行了一定的了解,调频电路在无线电通信中是非常重要的调制方式,应用非常广泛.
龙腾半导体SGT MOSFET LSGT085R018在智慧农业无