时间:2023-11-09 14:19
人气:
作者:admin
1、三电平简介:NPC(Neutral Point Clamped)三电平拓扑结构是一种应用最为广泛的多电平拓扑结构。NPC拓扑结构最早由日本长冈科技大学学者南波江章(Akira Nabae )在80年的IAS年会上提出,并于90年代初在高压变频器上得到实际工业应用。
近年来随着电力电子技术在电力行业的发展,NPC三电平技术开始越来越多的应用到各个领域,包括光伏逆变器、风电变流器、高压变频器、UPS、APF/SVG、高频电源等都有着广泛的应用。NPC拓扑最常用的有两种结构,就是我们常说的“I”字型(也称NPC1)和“T”字型(也称NPC2)。原理图如下:

2、三电平优缺点
三电平电路具有以下优点:
①单个器件承受的电压较低,可以用在较高电压场合。
②相对于两电平,产生的电平数量较多,多电平叠加后更相似于正弦波,谐波含量小。
③电磁干扰问题减轻,三电平逆变器器件一次动作的dv/dt仅为传统两电平的二分之一。
④开关损耗显著降低,效率提高。
三电平电路的主要缺点为:
①需要较多的开关期间;
②控制算法复杂;
③功率损耗不平衡问题。
3、NPC1 三电平结构换流工作原理
①正电压,负电流(V>0,I<0)
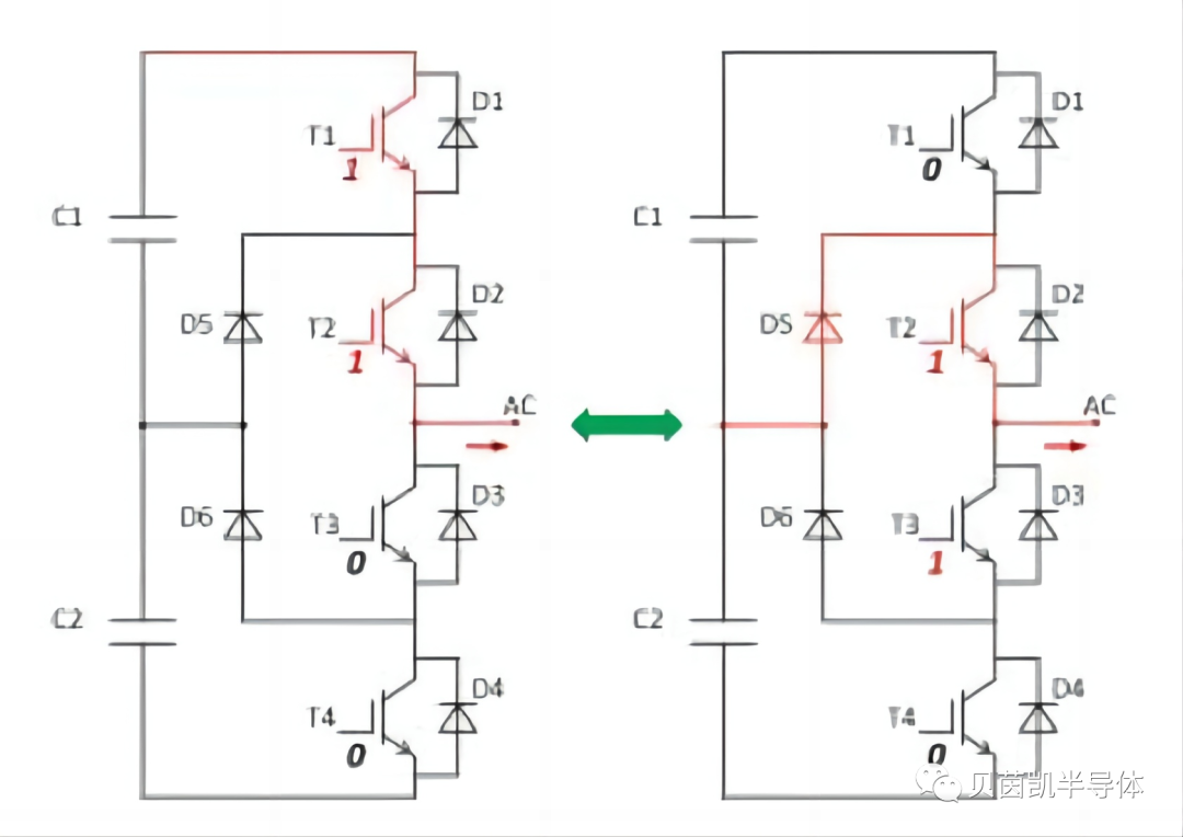
这种情况下,电压为正,电流为负,从交流端流入拓扑,当输出正脉冲的时候,电流通过二极管流向正端;当输出零脉冲的时候,电流通过T3以及二极管流入中性点。

如上图所示,对于NPC1型三电平结构,T1和T3进行开关状态切换。T3打开后,电流由T3和D6流向中性点实现换流,同时D1反向恢复;T3关断后,电流由二极管D1、D2进行续流。
②正电压,正电流(V>0,I>0)
这种情况下,电压为正,电流为正,从交流端流出拓扑,当输出正脉冲的时候,电流通过IGBT(NPC1:T1&T2)流向交流端;当输出零脉冲的时候,电流通过T2以及二极管流到交流端。

如上图所示,对于NPC1型三电平结构,T1和T3进行开关状态切换。T1关断后,电流由T2和D5流向交流端实现续流;T1打开后,电流由T1、T2进行换流,同时D5反向恢复。
③负电压,正电流(V<0,I>0)
这种情况下,电压为负,电流为正,从交流端流出拓扑,当输出负脉冲的时候,电流由负端通过二极管流出;当输出零脉冲的时候,电流通过T2以及二极管流到交流端。

如上图所示,对于NPC1型三电平结构,T2和T4进行开关状态切换。T2打开后,电流由T2和D5流向交流端实现换流,同时D4反向恢复;T2关断后,电流由二极管 D3、D4进行续流。
④负电压,负电流(V<0,I<0)
这种情况下,电压为负,电流为负,从交流端流入拓扑,当输出负脉冲的时候,电流通过IGBT流向负端;当输出零脉冲的时候,电流通过T3以及二极管流到中性点。

如上图所示,对于NPC1型三电平结构,T2和T4进行开关状态切换。T4关断后,电流由T3和D6流向中性点实现续流;T4打开后,电流由T3、T4进行换流,同时D6反向恢复。
对上面的换流过程总结可以得到输出正电压、中点电压、负电压以及加上全部关断的时候的高阻状态总共四个主要开关状态。
龙腾半导体SGT MOSFET LSGT085R018在智慧农业无