时间:2023-11-13 18:20
人气:
作者:admin
大功率电子器件应用范围十分广泛,散热会影响其可靠性,因此需要模拟元件在各种工作状态下的随时间变化的温度曲线。本文将简单介绍一种能够实时监测并预测结温的热网络模型。
大功率电力电子器件已广泛应用于电动汽车、牵引系统、轨道交通、新能源发电、柔性直流输电工程等领域的关键环节。而器件的散热是影响电力电子器件可靠性的主要因素。在器件手册中所有半导体元件都规定了最高结温,当超过该结温时,可能导致元件的破坏或永久损坏。
所以功率器件结温的准确监测,对其可靠性评估、寿命预测及所处系统的优化运行方面都有至关重要的影响。为了能够模拟元件在各种工作状态下的随时间变化的温度曲线,需要将元件的电特性模型与热特性描述进行动态耦合。相较于其他方法,热网络建模法不仅能实现结温的离线预测,而且能在一定程度上实现在线监测,因此具有广泛的应用前景。

图1:传统热阻抗模型
结温监测的方法
经过多年的研究发展,传统结温监测的方式主要可归纳为光学法、 物理接触法及电气法三种手段。其中电气法又称温敏电参数法(Temperature Sensitive Parameters,TSP),是当前在线监测结温的热门方法。常用功率器件的温度敏感性参数如表1所示:

表1:常用功率器件的温度敏感性参数
以下通过热阻测试仪T3STER来具体介绍温敏参数法的具体测试流程:
改变待测元件输入功率,元件温度随之改变:
先输入元件操作电流(大电流,大功率),待元件本身温度与温控环境达到平衡此为初始稳定状态(initial steady state)
切换成量测电流(小电流,小功率),元件降温,待元件与温控环境达到平衡。此为最终稳定状态(final steady state)
切换为小电流之瞬间即启动量测,并即时量测两个稳定状态间之温度暂态变化。

图2:测试方法
T3Ster-Master 软件将瞬态热测试结果通过数学手段转换成结构函数,帮助分析散热结构。结构函数反映了从发热源(原点)到环境(最后直线向上部分)的热流路径上的所有热容与热阻分布。根据结构函数上斜率(热容与热阻的比值)变化,可以区分出代表不同材料的段。用直观的方式,帮助分析 散热路径上不同材料的热阻与热容。
图3:结构函数
传统热网络建模理论
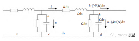
基本上,热量在系统中的传播可以以三种不同的方式进行,对流、热辐射或热传导。电子元件通常只有热传导,这在均质各向同性材料中可以用方程来描述:
为简化起见,假设是一维热流。λth为比热导,c为比热容,ρ为材料密度。T表示温度,x表示热传播方向的坐标。

图4:均匀传输线等效电路
在寻找热传导的电模拟模型时,与传输线的比较最为接近,尽管传输线的性质是用一个复杂得多的方程来描述的:
但如果不考虑传输线的电导和电感, 则传输线的微分方程可表示为:
而基尔霍夫早在1845年就指出:“当描述两种不同形式的能量的基本微分方程具有相同的形式并且初始条件和边界条件相同时,它们的行为相同”。
对比式(1)和式(3)可看出两者具有相似的结构,表2中列出的电学变量和热学变量之间存在等效性。

表2:电学变量和热学变量之间的等效关系

图5:简单结构,热等效元可以直接由物理结构确定
传输线等效电路图的参数与物理实际关系密切,这种热网络模型对应的就是传统的Cauer模型,如图5 Cauer Model 所示,当元件基本为一维热流时,可直接由元件的结构计算得到。图3是一个典型的功率晶体管的例子,带有封装与散热器——例如TO-220或D-Pak。应选择层厚的分级,以便在热传播方向上产生逐渐增大的热时间常数,如果热诱导面积小于导热材料的横截面,还应该考虑过扩大导热截面A。这时热阻R和热容C可以通过图4中给出的公式和材料特性参数计算出具体值,其中d为每一子层热流路径上的距离,A 为传热面积,λ为导热系数,c为单位体积热容,ρ为子层材料的密度。

图6:Cauer and Foster RC network
如果是更复杂的热流条件和封装,另一种解决方案是使用“有限元分析”方法(FEA)来计算热流。从Mosfet模块内部结构和材料参数出发,在有限元软件(如:Comsol, Ansys, ADS等)中建立器件的实体模型,能够较为准确地得到器件的瞬态热阻抗曲线。但是,在建立Mosfet模块的实体模型时,每一层封装材料的尺寸厚度、各层材料之间的相对位置以及它们的热导率对于建立的模型的精确度都有显著的影响,而模型的精确度直接影响热阻抗的准确性。而且当外界条件改变时必须重新设置仿真条件,模拟器件老化时甚至需重新建模,这是相当繁琐的工作。此外,采用有限元仿真非常耗时,无法满足在线分析的要求。

图7:有限元分析
更简单的方法是,根据测量和相关曲线拟合,对等效电路图的元件进行参数化,这种方法典型的热网络模型为Foster模型,如图5 Foster Model 所示,它是将热流传输路径上的所有热阻热容等效成一个一阶的传递函数。通过试验测试我们可以得到动态热阻抗曲线:

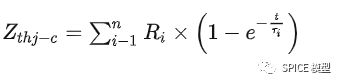
将测试得到的动态热阻抗曲线进行指数级数拟合,得到对应的阻抗参数 Ri和 τi。

热网络建模的改进
通过以上两种传统热网络模型的介绍了解到:
1)传统的 Cauer 网络物理意义明确,有利于主热路的分析及纵向温度分布的研究。集总参数法除了固有缺陷外,还将每一层处理为均匀温度的块,且未考虑横向温度分布及材料属性随温度变化的特性都会给模型引入较大的 误差。
2)传统的 Foster 网络容易拟合模型参数,对单芯片单面散热模块的结温预测有很好的适用性。但实际运用中,多为多芯片多器件的使用情况,同一模块内部不同芯片、不同模块之间难免存在耦合关系,这是无法忽略的现实问题。 针对传统热网络的缺陷,从实用性和精准性的角度考虑,多年来提出了一系列相应的改进模型,以下按照改进 后热网络的维度进行分类阐述。其中,一维热网络模型是基于传统 Cauer热网络的改进,通常是通过对子层热网络的优化,热传导角的优化,热导率的优化来改进精度。二维热网络模型是基于传统 Foster热网络的改进,增加考虑了多芯片、多器件热路之间的耦合关系,其基本原理与电路中互相耦合的节点阻抗矩阵类似。三维热网络模型采用其中的一种,在综合考虑精度及计算速率的前提下,考虑横向分布,提出了构建三维热网络模型的方案。
ICCAP中实现传统热网络模型参数抽取
由于Cauer模型在参数提取上面的困难,传统的做法是直接从封装材料特性计算得到,或者从Foster拟合参数转化得到。ICCAP是专业的建模软件,或许我们可以通过在ICCAP中搭建Foster或者Cauer电路,通过调谐R, C参数来直接拟合瞬态热阻抗曲线。
图8:Thermal Response ICCAP中实现,数据来自Datasheet: 
图9:ICCAP实现Foster热阻网络模型参数抽取
审核编辑:刘清
上一篇:MOS管和场效应管有什么关系?
下一篇:SiC国产化趋势加速!
龙腾半导体SGT MOSFET LSGT085R018在智慧农业无