时间:2023-11-24 15:51
人气:
作者:admin
引用:IGBT(Insulated Gate Bipolar Transistor),绝缘栅双极型晶体管,是由BJT(双极性三极管)和MOSFET(绝缘栅型场效应管)组成的复合全控型电压驱动式功率半导体器件。
上次从IGBT的名称入手,搞清楚了IGBT栅极和双极性所包含的背后意义。这次我们从IGBT的定义出发,来看看为什么说IGBT是由BJT和MOSFET组成的器件?它们之间有什么区别和联系?在应用的时候,什么时候能选择IGBT、什么时候选择BJT、什么时候又选择MOSFET管呢?乍看这么多问题好像很头痛,其实很简单,我们一步一步来。
1
为什么说IGBT是由BJT和MOSFET组成的器件?
要搞清楚IGBT、BJT、MOSFET之间的关系,就必须对这三者的内部结构和工作原理有大致的了解,下面我将用最简单易懂的语言来为大家逐一讲解。
BJT:
双极性晶体管,俗称三极管。内部结构(以PNP型BJT为例)如下图所示。

如同上节讲的,双极性即意味着器件内部有空穴和电子两种载流子参与导电,BJT既然叫双极性晶体管,那其内部也必然有空穴和载流子,理解这两种载流子的运动是理解BJT工作原理的关键。
由于图中 e(发射极)的P区空穴浓度要大于b(基极)的N区空穴浓度,因此会发生空穴的扩散,即空穴从P区扩散至N区。同理,e(发射极)的P区电子浓度要小于b(基极)的N区电子浓度,所以电子也会发生从N区到P区的扩散运动。
这种运动最终会造成在发射结上出现一个从N区指向P区的电场,即内建电场。该电场会阻止P区空穴继续向N区扩散。倘若我们在发射结添加一个正偏电压(p正n负),来减弱内建电场的作用,就能使得空穴能继续向N区扩散。
扩散至N区的空穴一部分与N区的多数载流子——电子发生复合,另一部分在集电结反偏(p负n正)的条件下通过漂移抵达集电极,形成集电极电流。
值得注意的是, N区本身的电子在被来自P区的空穴复合之后,并不会出现N区电子不够的情况,因为b电极(基极)会提供源源不断的电子以保证上述过程能够持续进行。 这部分的理解对后面了解IGBT与BJT的关系有很大帮助。
MOSFET:
金属-氧化物-半导体场效应晶体管,简称场效晶体管。内部结构(以N-MOSFET为例)如下图所示。

在P型半导体衬底上制作两个N+区,一个称为源区,一个称为漏区。漏、源之间是横向距离沟道区。在沟道区的表面上,有一层由热氧化生成的氧化层作为介质,称为绝缘栅。在源区、漏区和绝缘栅上蒸发一层铝作为引出电极,就是源极(S)、漏极(D)和栅极(G)。
上节我们提到过一句,MOSFET管是压控器件,它的导通关断受到栅极电压的控制。我们从图上观察,发现N-MOSFET管的源极S和漏极D之间存在两个背靠背的pn结,当栅极-源极电压VGS不加电压时,不论漏极-源极电压VDS之间加多大或什么极性的电压,总有一个pn结处于反偏状态,漏、源极间没有导电沟道,器件无法导通。
但如果VGS正向足够大,此时栅极G和衬底p之间的绝缘层中会产生一个电场,方向从栅极指向衬底,电子在该电场的作用下聚集在栅氧下表面,形成一个N型薄层(一般为几个nm),连通左右两个N+区,形成导通沟道,如图中黄色区域所示。当V DS >0V时,N-MOSFET管导通,器件工作。
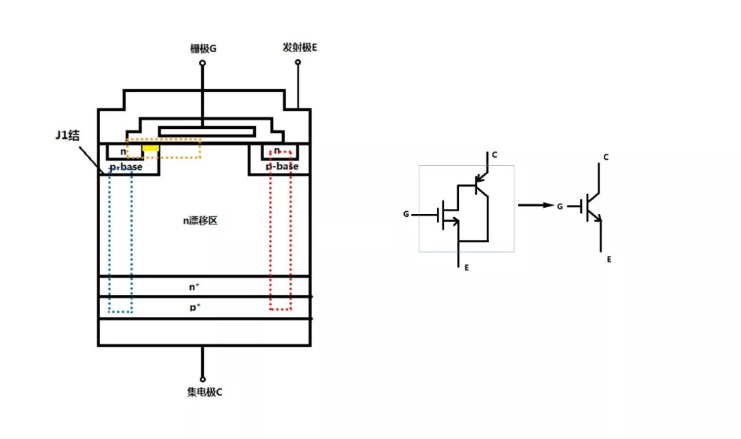
了解完以PNP为例的BJT结构和以N-MOSFET为例的MOSFET结构之后,我们再来看IGBT的结构图↓

黄色色块表示IGBT导通时形成的沟道。
首先看黄色虚线部分,细看之下是不是有一丝熟悉之感?
这部分结构和工作原理实质上和上述的N-MOSFET是一样的 。当V GE >0V,V CE >0V时,IGBT表面同样会形成沟道,电子从n区出发、流经沟道区、注入n漂移区,n漂移区就类似于N-MOSFET的漏极。
蓝色虚线部分同理于BJT结构,流入n漂移区的电子为PNP晶体管的n区持续提供电子,这就保证了PNP晶体管的基极电流。 我们给它外加正向偏压V CE ,使PNP正向导通,IGBT器件正常工作。
这就是定义中为什么说IGBT是由BJT和MOSFET组成的器件的原因。
此外,图中我还标了一个红色部分,这部分在定义当中没有被提及的原因在于它实际上是个npnp的寄生晶闸管结构,这种结构对IGBT来说是个不希望存在的结构,因为寄生晶闸管在一定的条件下会发生闩锁,让IGBT失去栅控能力,这样IGBT将无法自行关断,从而导致IGBT的损坏。具体原理在这里暂时不讲,后续再为大家更新。
2
IGBT和BJT、MOSFET之间的因果故事
BJT出现在MOSFET之前,而MOSFET出现在IGBT之前,所以我们从中间者MOSFET的出现来阐述三者的因果故事。
MOSFET的出现可以追溯到20世纪30年代初。德国科学家Lilienfeld于1930年提出的场效应晶体管概念吸引了许多该领域科学家的兴趣,贝尔实验室的Bardeem和Brattain在1947年的一次场效应管发明尝试中,意外发明了电接触双极晶体管(BJT)。
两年后,同样来自贝尔实验室的Shockley用少子注入理论阐明了BJT的工作原理,并提出了可实用化的结型晶体管概念。
1960年,埃及科学家Attala及韩裔科学家Kahng在用二氧化硅改善BJT性能的过程中意外发明了MOSFET场效应晶体管,此后MOSFET正式进入功率半导体行业,并逐渐成为其中一大主力。
**发展到现在,**MOSFET主要应用于中小功率场合如电脑功率电源、家用电器等,具有门极输入阻抗高、驱动功率小、电流关断能力强、开关速度快、开关损耗小等优点。
随着下游应用发展越来越快,MOSFET的电流能力显然已经不能满足市场需求。为了在保留MOSFET优点的前提下降低器件的导通电阻,人们曾经尝试通过提高MOSFET衬底的掺杂浓度以降低导通电阻,但衬底掺杂的提高会降低器件的耐压。这显然不是理想的改进办法。
但是如果在MOSFET结构的基础上引入一个双极型BJT结构,就不仅能够保留MOSFET原有优点,还可以通过BJT结构的少数载流子注入效应对n漂移区的电导率进行调制,从而有效降低n漂移区的电阻率,提高器件的电流能力。
经过后续不断的改进, 目前IGBT已经能够覆盖从600V—6500V的电压范围,应用涵盖从工业电源、变频器、新能源汽车、新能源发电到轨道交通、国家电网等一系列领域。 IGBT凭借其高输入阻抗、驱动电路简单、开关损耗小等优点在庞大的功率器件世界中赢得了自己的一片领域。
总体来说,BJT、MOSFET、IGBT三者的关系就像下面这匹马

更准确来说,这三者虽然在之前的基础上进行了改进,但并非是完全替代的关系,三者在功率器件市场都各有所长,应用领域也不完全重合。因此,在时间上可以将其看做祖孙三代的关系,但在技术、应用等方面更像是并列关系。
龙腾半导体SGT MOSFET LSGT085R018在智慧农业无