时间:2023-10-26 09:47
人气:
作者:admin
在伺服系统中,需要实时对电机负载的位置信息和速度信号进行检测,以实现对系统位置环和速度换的高精度控制。旋转变压器在各种伺服系统中得到了广泛的应用,它的输出是模拟量电信号,因此需要对其处理并转化为数字量才能在数字系统中应用,RDC电路就实现了这一功能。
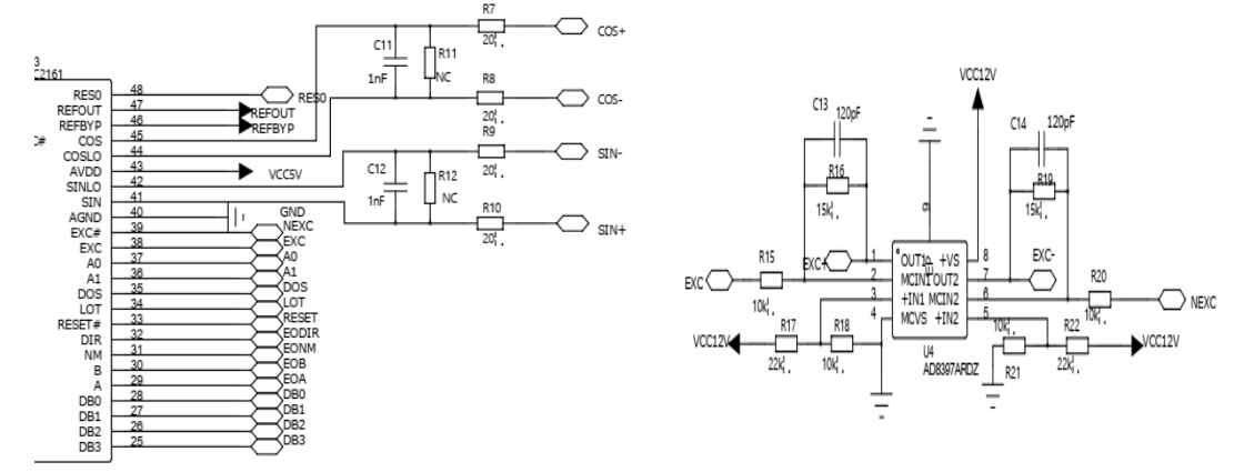
本文主要介绍一款RDC专用芯片芯炽SC2161,可实现对角度模拟信号的数字化检测。与其它方法相比,该电路具有集成度高外围分离器件少、输出角度和速度数据、分辨率可自由配置等优点,减小了系统体积和重量更节约了采购成本。相比其他RDC方案,本方案具有精度高,设计灵活,可靠性高等特点,可广泛应用于各种伺服系统中。

SC2161是一款高分辨率的RDC芯片,分辨率可达10位至16位,通过集成片上可编程正弦波振荡器,可以为旋转变压器提供正弦波激励。最大跟踪速率可达3125rps(10位分辨率),精度2.5弧分,并行和串行10位至16位数据端口,芯片额定温度范围为-40°C 至+125℃,其分辨率和激磁频率可设置,输出可选并口或SPI接口设计灵活广泛应用与各种系统中。

SC2161产品特色:
1、比率跟踪转换Type II跟踪环路能够连续输出位置数据,且没有转换延迟。它还可以抑制噪声,并提供参考和输入信号的谐波失真容限。
2、系统故障检测:故障检测电路可以检测旋变的信号丢失、超范围输入信号、输入信号失配或位置跟踪丢失。各故障检测阈值可以由用户单独编程,以便针对特定应用进行优化。
3、输入信号范围:正弦和余弦输入端支持3.15Vp−p ±27%的差分输入电压。
4、可编程激励频率:可以轻松地将激励频率设置为2kHz至20kHz范围内的多个标准频率。
5、3种格式位置数据:通过16位并行端口或4线串行接口可以访问10位至 16位绝对角位置数据。增量式编码器仿真采用标准A-quad-B格式,并提供方向输出。
6、数字速度输出:通过16位并行端口或4线串行接口可以访问10位至16 位带符号的数字量速度。

注:如涉及作品版权问题,请联系删除。
上一篇:射频PA的线性化技术
龙腾半导体SGT MOSFET LSGT085R018在智慧农业无