时间:2023-10-27 12:28
人气:
作者:admin
并网电池阵列是可行的备用电源和便携电源解决方案,专用测量IC可满足独特而复杂的要求,确保实现可靠的系统性能。使用大规模电池阵列作为备用和便携储能装置正受到越来越多的关注,在这些系统中,电池不断通过供电电网或其他电源充电,然后在用户需要时通过DC/AC逆变器将交流电源输送给用户。
使用电池作为备用电源并不新鲜,许多系统都提供从基本的120/240Vac和数百瓦(用于台式电脑短期备用),到数千瓦备用电源(用于船舶、混合动力车或纯电动汽车等特种车辆),用于电网规模电信和数据中心的备用电源则高达数百千瓦(见图1)。然而,尽管大家普遍关注电池化学技术方面的进步,但就切实可行的电池安装方案而言,电池管理系统(BMS)部分也同样重要。
在实施储能电池管理系统时存在许多挑战,其解决方案不能简单地从小规模、低容量的电池组进行扩展,而是需要新的、更复杂的战略和关键支持组件。
第一个挑战是许多重要电池电芯参数的测量需要高精度和可信度。此外,其子系统必须采用模块化设计,允许根据应用的具体需求定制配置,并考虑可能进行的扩展、整体管理问题和必要的维护。
大型存储阵列的工作环境也带来了其他重大挑战。尽管存在高电压/电流逆变器和随之产生的电流峰值,BMS仍然必须在噪声很大的高温电气环境中提供精确、一致的数据。此外,它还必须提供关于内部模块的大量精确数据和系统温度测量,这对于充电、监控和放电至关重要,而不仅仅是提供一些粗略的汇总值。
由于这些电力系统承担着基本工作任务,因此其运行可靠性至关重要。为了实现这些目标,BMS必须确保数据的准确性和完整性,同时不断进行状态评估,以便能够持续采取必要的措施。实现可靠的设计和安全性是一个多级过程,BMS必须预测问题,执行自测,并对所有子系统进行故障检测,然后在待机和操作模式下执行适当的操作。最后,由于高电压、高电流和高功率电平,BMS必须满足许多严格的监管标准。
通过系统设计将概念转化为实际方案
尽管监控可充电电池的概念很简单(只需在电池两端设置电压和电流测量电路),但BMS的实际情况完全不同,而且要复杂得多。
可靠的设计首先要全面监控单个电池电芯,这就对模拟功能有很高的要求。电芯读数需要精确到毫伏和毫安,电压和电流测量必须时间同步以计算功率。BMS还必须评估每个测量值的有效性,需要较大限度地提高数据完整性,同时必须识别错误或可疑读数。它不能忽略可能表明潜在问题的异常读数,但同时也不能基于错误的数据采取行动。
模块化BMS架构可提高稳健性、可扩展性和可靠性。模块化还有助于根据需要在数据链路的分段之间使用隔离,较大限度地减少电气噪声,提高安全性。此外,包括CRC(循环冗余校验)误差检测和链路确认协议的先进数据编码格式可确保数据完整性,以便系统管理功能确信其接收的数据就是发送的数据。
例如,Nuvation Engineering公司(加利福尼亚州滑铁卢、安大略和森尼韦尔)开发的可扩展、可自定义电池管理系统就采用了上述原则。实践证明,Nuvation BMS中的电网储能系统和备用电源设备设计非常成功,其中可靠性和坚固性至关重要。这个现成BMS的核心优势在于其包含三个子系统的分层分级拓扑(图2),每个子系统都具有独特的功能,如图3所示。

图2.Nuvation Engineering电池管理系统是交流电网和电池电芯阵列之间的接口;它提供先进的电池充电/放电监控以及DC/AC逆变器功能

图3.Nuvation BMS的三个主要子系统(电池电芯接口、电池堆栈控制器、电源接口)采用模块化分层设计,可在各种功率电平下实现可扩展性、稳健性和可靠性
电芯接口严格管理和监控电池堆栈中的每个电池电芯;系统根据需要使用尽可能多的电芯接口,具体取决于电池堆栈的数量。这些接口可根据电芯数量以菊花链形式连接,从而使堆栈电压增加。
电芯接口连接到单个堆栈控制器,该控制器监控和管理多个电芯接口单元。如果需要,可以将多个堆栈控制器连接在一起,以支持具有许多并行堆栈的大型电池组。
电源接口将堆栈控制器连接到高电压/(找元器件现货上唯样商城)电流线,同时也是连接到逆变器/充电器的接口。它将电池堆栈的高电压和高电流组件与其他模块实现物理和电气隔离。它还直接从电池堆栈为BMS供电,使BMS无需任何外部电源即可运行。
Nuvation BMS的模块化分层架构支持高达1250Vdc的电池组电压,使用电芯接口模块,每个模块都包含多达16节电芯、具有多达48个电芯接口模块的电池堆栈,以及包含多个并行堆栈的电池组。从用户的角度来看,整个阵列组件作为单个单元管理。
自下而上构建可靠的设计
模块化架构、分层拓扑和错误感知设计等因素对于Nuvation BMS的完整性和可扩展性是不可或缺的,但这些还不够。成功的实施需要高性能功能模块作为物理基础。
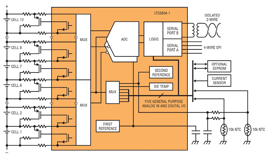
这就是 LTC6804 多电芯电池监控器IC(图4)在Nuvation BMS实施中起关键作用的原因。它专为满足BMS系统和多电芯设计需求而定制,可对多达12个串联堆叠的电池电芯进行精确测量。其测量输入不以接地作为参考,这大大地简化了这些单元的测量,而 LTC6804 本身可进行堆叠与高电压阵列一起使用(它还支持各种电芯化学特性)。它提供最大0.033%误差和16位分辨率,只需要290μs即可测量电池堆栈中的所有12个电芯。这种同步电压和电流测量对于产生有意义的功率参数分析至关重要。

图4.LTC6804多电芯电池监控器IC可对堆叠的电池电芯进行精准测量,这是成功实施BMS的起点
当然,良好的工作台原型机制作环境与在电气和环境条件不利的真实BMS设置相比,两者的实际可实现性能是不一样的。LTC6804的模拟/数字转换器(ADC)架构旨在使用专门针对功率逆变器噪声而设计的滤波器抑制并尽量减少这些不利影响。
数据接口使用单条双绞线、隔离SPI接口,支持高达1Mb的速率和长达100米的距离。为了进一步增强系统完整性,该IC还进行了一系列子系统测试。LTC6804满足严格的AEC-Q100汽车质量标准,进一步证明了其可靠性和坚固性。这款IC能取得这样的成效,是因为其设计密切关注BMS问题和环境,包括应用的独特系统级目标及其诸多挑战。
LTC6804解决的三大问题
LTC6804主要解决了影响系统性能、转换精度、电池均衡以及连接性/数据完整性考虑因素的三个方面:
转换精度
BMS应用具备短期和长期精度需求,因此使用了掩埋式齐纳转换基准电压源而非带隙基准电压源。这能够提供稳定的低漂移 (20ppm/√kHr)、低温度系数(3ppm/°C)、低滞回(20ppm)原边电压基准源以及出色的长期稳定性。这种精度和稳定性至关重要,它是所有后续电池电芯测量的基础,这些错误对所获数据的可信度、算法一致性和系统性能会产生累积影响。
虽然高精度基准电压源是确保卓越性能的必要功能,但光凭该功能还不够。模数转换器架构及其操作必须符合电噪声环境要求,这是系统大电流/电压逆变器的脉宽调制(PWM)瞬态特性的结果。准确评估电池的荷电状态(SOC)和健康状态还需要相关的电压、电流和温度测量。
为了在影响BMS性能之前减轻系统噪声,LTC6804转换器使用了一个Σ-Δ拓扑结构,并在六个由用户选择的滤波器选项辅助下处理噪声环境。通过每次转换使用多次采样的本质特性,以及采用均值滤波功能,∑-Δ方法降低了电磁干扰(EMI)和其他瞬态噪声的影响。
电池均衡
在任何使用排列为电池组或模块组的大型电池包的系统中,都不可避免地需要实现电池均衡。虽然大多数锂电池电芯在首次获取时匹配良好,但会随着老化损失容量。不同电池电芯的老化过程出于多种因素可能各有不同,如电池组温度梯度。而且,超过SOC上限工作的电池电芯将过早老化,并损失额外容量。这些容量差异以及自放电和负载电流的小差异都会导致电池不平衡。
为了解决电池不平衡问题,LTC6804直接支持被动式均衡(使用用户可设置的计时器)。被动式均衡是在电池充电周期内标准化所有电芯的SOC的简单、低成本方法。通过从较低容量的电芯中移除电荷,被动式均衡可确保这些较低容量的电芯不会过度充电。LTC6804也可用于控制主动均衡,这是一种更复杂的均衡技术,通过充电或放电循环在电芯之间传输电荷。
无论是使用主动方法还是被动方法,电池均衡都依赖于高测量精度。随着测量误差越来越大,系统所建立的操作保护等级也必须增加,因此均衡性能的有效性将受到限制。此外,由于SOC范围进一步受到限制,对这些误差的灵敏度也增加了。LTC6804的总测量误差小于1.2mV,完全符合系统级要求。
连接性/数据完整性考虑因素
电池组设计的模块化增加了可扩展性、服务能力和外形尺寸的灵活性。然而,这种模块化要求为电池组间的数据总线提供电气隔离(无电阻路径),因此任何一个电池组出现故障都不会影响系统的其他部分或对总线施加高电压。此外,电池组之间的布线必须能够承受高水平的电磁干扰。
隔离式双绞线的数据总线是一种能够以紧凑且经济高效的方式实现这些目标的可行解决方案。因此,LTC6804提供一种称为iso-SPI的隔离式SPI互联,可将时钟、数据输入、数据输出和芯片选择信号编码为差分脉冲,然后通过坚固耐用、成熟可靠的隔离元件变压器进行耦合(图5)。

图5.LTC6804支持隔离式SPI接口,可通过菊花链方式连接构成更大的阵列,从而实现可靠的抗电磁干扰互联,尽量降低布线要求,减少隔离器数量
总线上的器件可采用菊花链配置进行连接,这大大缩小了线束的尺寸,可实现大型高电压电池组模块化设计,同时保持高数据速率和低EMI敏感度(图6)。

图6.LTC6804和isoSPI接口上的测试结果显示,输入射频为200mA,isoSPI在20mA信号强度下运行时没有出现数据错误
为了验证抗扰度,还对LTC6804进行了BCI测试。包括将100mA的射频能量耦合到电池线束中,射频载波扫频范围为1MHz至400MHz,并对载波进行1kHz调幅调制。LTC6804数字滤波器的截止频率设定为1.7kHz,并添加了外部RC滤波器和铁氧体扼流圈。结果:在整个射频扫频范围内,电压读数误差低于2mV。
此外,还提供了一系列自我评估和自测功能,以增加 LTC6804 对BMS应用的适用性。这些检测包括开路检测;ADC时钟的第二个内部基准源;多路复用器自测,甚至还有其内部电源电压的测量。该器件专为符合ISO 26262和IEC 61508标准的系统而设计。
结论
用于电网级系统的备用电源和便携电源极具吸引力。它看起来很简单:只要让一组电池保持充电(无论是从交流电网侧线路,还是太阳能、风能或其他可再生能源),然后在需要时将电池与DC/AC逆变器配合使用,就可以提供与线路供电等效的交流电源。
事实上,电池的任何行为或性能特征都不简单,需要小心控制充电和放电,监控电压、电流和温度。随着功率电平的提高,实用、高效且安全的系统并非一个小设计,因此并网多电芯BMS是一个复杂的系统。许多独特的问题需要深入了解并加以解决,安全也是一个主要的问题。
成功可行的系统设计需要模块化、结构化、自上而下的架构,由LTC6804等优化组件自下而上提供支持。与先进、安全的数据采集和控制软件相结合,所构建的高性能BMS安全可靠,只需要很少的操作人员干预,并且能够自动可靠地稳定运行多年。
审核编辑:汤梓红
龙腾半导体SGT MOSFET LSGT085R018在智慧农业无