时间:2023-10-16 09:54
人气:
作者:admin
三极管驱动继电器时,为什么要在继电器线圈两端并联一个二极管呢?这到底有什么作用?很多新手并不明白其中的作用。

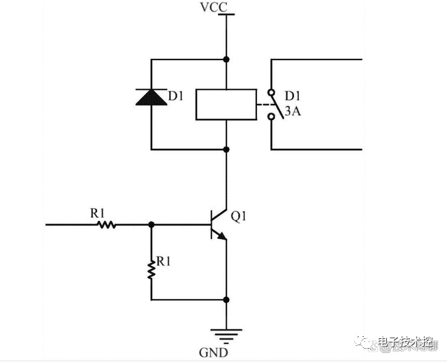
如下图为使用一个NPN三极管驱动继电器的电路图,继电器线圈会反向并联一个二极管!其电路的原理如下:当输入信号为高电平时,三极管导通,继电器线圈通电,继电器工作吸合;当输入信号为低电平或无输入时,三极管截止,继电器线圈没有电流,继电器不吸合。

那么二极管D1在电路中到底起什么作用呢?其实该二极管为续流二极管,因为继电器线圈为电感,属于感性元件,我们知道电感有个重要的特性就是电感的电流不能突变!当继电器关闭的一瞬间,继电器线圈会产生较大的反向电动势!因为线圈断开的一瞬间,线圈的电流不能突变,该二极管就是为了给线圈续流的!所以没有续流二极管,反向电动势会冲击电源和三极管,导致三极管损坏,或者电源电压波动较大,从而影响其他电路正常运行。
1、不加二极管时,如下图使用示波器测量断开时,三极管集电极的电压,可以发现断开的一瞬间,集电极有很高的尖峰电压,其尖峰电压可达2倍VCC以上!

2、加了续流二极管后,再测量,可以发现尖峰电压消失了!这就是续流二极管的作用!

审核编辑:汤梓红
上一篇:RF放大器的选择指南
龙腾半导体SGT MOSFET LSGT085R018在智慧农业无