时间:2023-09-11 16:36
人气:
作者:admin
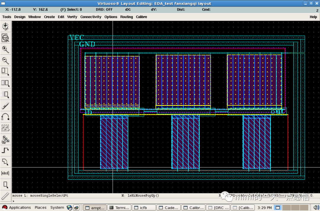
我改完之后的图:

今天的内容包括:反相器链路版图验证步骤和模拟版图验证中常见的问题及修改。
反相器链路版图验证步骤
完成反向器链路的版图设计后,还需要对版图进行验证和后仿真,主要是应用Mentor Calibre工具进行。
(1)在版图视图窗口中执行菜单命令


(2)选择运行的文件和运行的目录。


(3)单击“run Control”按钮,这时Calibre开始导出版图文件并对其进行DRC检查。

这个时候Calibre开始导出版图文件并对其进行DRC检查。Calibre DRC完成后,自动弹出输出结果。包括一个图形界面的错误文件查看器和一个文本格式文件。


一般都是间距、密度和边界的问题,间距的问题必须解决,密度和边界可以暂时忽略。打开layout图,双击错误可以定位到错误的位置,进行编辑修改就行。
直到错误修改完成。
常见的错误
错误的地方一般都会标记:

意思是这个是MOS晶体的Gate层,必须被SN或SP全部包围
查看,有2个错误

双击红色的之后,再打开版图的方框,就可以显示出错误的位置。没有被SP或者SN所包围

选择SN层,添加一个矩形,把它包围进去,这样这个错误就修复好了,同理另外一个也是


保存。

最小宽度是0.03um

拉宽
改为1个过孔

就这样一个个的改

M2金属的线宽要为0.2

间距要大于0.2
全部选择之后再移动

密度,边界的问题,现在都忽略,后期再处理。
龙腾半导体SGT MOSFET LSGT085R018在智慧农业无