时间:2023-09-15 15:40
人气:
作者:admin
4.1/ DIPIPM故障排查及失效判定
本章是DIPIPM技术讲座的第4章,前面3章中分别介绍了DIPIPM的发展历史、结构与功能、电路选型及应用。本章作为本次技术讲座的最后一章将侧重于介绍与DIPIPM失效相关内容。DIPIPM产品作为逆变电路的关键器件,当系统发生异常时,快速排查及判定模块是否失效及造成失效的初步原因,对于减少产线及市场失效率至关重要,可以大大减少因产品失效导致的损失。本节4.1将围绕如何查找DIPIPM的故障及如何迅速对DIPIPM是否损坏进行判定,以缩短DIPIPM故障分析及解决时间。
4.1.1
DIPIPM在PCB板上的故障排查
在DIPIPM设计、调试、使用中最常见的故障是DIPIPM不输出电压也无法驱动负载运转,这种情况下,工程师最想弄明白的是DIPIPM模块是否已经损坏了。如何判定在PCB上的DIPIPM是否损坏了呢?下面几个步骤将有助于回答这个问题。
步骤一:PCB断电后,进行目视检查。如果DIPIPM封装结构或端子有明显的损伤、变形、开裂、放电痕迹等可基本判定DIPIPM失效,这时不要再次上电,以防止进一步损坏。如果目视外观检查没有发现问题,可以采用万用表对DIPIPM的各端口进行通断测试,测试方法如下图1所示。

图1 DIPIPM万用表通断测试
使用万用表进行通断测试时,可以采用电阻档或二极管档进行测量,由于部分DIPIPM端口特别是输出U、V、W端子具有二极管特性,因此采用万用表的二极管档进行通断测试更有效也更直观。如果发现某一端口对地为短路或断路状态,且该端口周边元器件没有短路,则基本判定DIPIPM的这个端口损坏。如果采用万用表测量正常,则可以进入步骤二,进行DIPIPM工作波形测试。
步骤二:在用万用表初步测试正常后,可以对DIPIPM及PCB控制板上电,对工作波形进行测试。DIPIPM具有Fo(故障信号)输出功能,其目的是在DIPIPM检测到诸如控制电源欠压、过流、过温时自动切断下桥臂IGBT,并在模块Fo端口输出低电平信号来通知MCU关闭PWM信号以保护DIPIPM模块。DIPIPM Fo端口电路结构如下图2所示。

图2 DIPIPMFo端口电路结构
波形测试的目的是验证DIPIPM波形是否正常及是否存在Fo输出。波形测试通常采用示波器进行测量。首先需要测量的是DIPIPM Fo管脚在上电开机后是否存在低电平故障信号输出。正常状态下,DIPIPM Fo管脚是高电平,在发生故障时,DIPIPM管脚会输出低电平信号。图3是一个模块DIPIPM Fo管脚输出故障信号的波形例。

图3 DIPIPM输出故障信号例
如果用示波器检测到了如图3所示的Fo管脚的下拉信号,则说明DIPIPM不输出是因为DIPIPM自身检测到了异常,触发了Fo信号,DIPIPM关闭了下桥臂的3路IGBT,从而导致DIPIPM无输出。检测到了故障信号,再进一步需要通过示波器测量是哪些因素导致的Fo故障信号输出。通常对于DIPIPM有3个因素可以导致Fo故障信号输出,过电流、控制电源欠压、过温。下面分别对这几个因素进行分析。
A 过电流
过电流是最常见的导致DIPIPM产生Fo故障信号的原因。DIPIPM内部配置的LVIC具有短路电平检测功能,当流过旁路电阻的电流超过其保护电流限值(如1.7倍的额定电流)时,会在旁路电阻上产生压降,该电压经过RC滤波器输入到DIPIPM的电平检测端口Cin,当电压幅度超过一定限值(如0.48V),DIPIPM将输出Fo故障信号。下图4是过电流检测的硬件电路。过电流检测电路中的RC滤波器有助于滤除线路产生的噪声,当线路布线电感较大时,容易在线路上引入噪声,该噪声也容易使Cin端口电压超过过电流检测限值,从而导致误触发,误触发可以通过示波器检测主回路电流来排除。图5是过电流保护的动作时序图。采用示波器测试时,需要同时监控Fo故障信号和流过IGBT的电流,当输出Fo故障信号的时刻同时出现IGBT电流上升超过设定过电流保护限值的情况下,可以判定故障信号Fo是由过电流保护引起。

图4 DIPIPM过电流保护电路

图5 DIPIPM过电流保护动作时序图
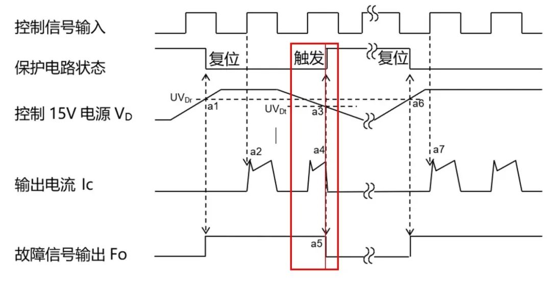
B 控制电源欠压
电源的稳定性对于DIPIPM的可靠运行至关重要。当15V控制电源异常时,DIPIPM内部的IGBT运行状态会受到很大影响,某些情况下,会导致DIPIPM的损坏。DIPIPM内部的LVIC具备欠压保护功能,当15V控制电源低于限值时,DIPIPM会进入保护状态,关闭下桥臂3个IGBT的同时输出Fo故障信号。下图6是控制电源欠压的控制保护时序图。需要注意的是对于上桥臂自举电压欠压保护,不会产生故障信号Fo输出。采用示波器测试时,需要同时监控Fo故障信号和控制15V电源电压,当输出Fo故障信号的时刻同时出现15V电源电压下降到欠压保护触发电平的情况,可以判定故障信号Fo是由15V电源欠压引起。

图6 DIPIPM控制电源欠压保护时序图
C 过温保护
为了使DIPIPM模块温升不超过IGBT结温最大值,DIPIPM具备温度输出保护功能。对于三菱电机不同系列的产品温度保护的方式不同。部分产品具有温度保护功能;部分产品具有温度模拟量输出功能;部分产品同时具有温度保护和温度模拟量输出功能(如SLIMDIP系列)。只有具备温度保护功能的模块具有过温保护故障信号输出功能,而仅具有温度模拟量输出功能的模块不具有过温保护故障信号输出功能(如PSS**S92F6-AG)。采用示波器测试时,需要同时监控Fo故障信号和LVIC或Tc(壳温)温度,当输出Fo故障信号的时刻同时出现 LVIC或Tc(壳温)温度上升至保护触发温度的情况,可以判定故障信号Fo是由过温引起。下图7是过温保护触发Fo故障信号的动作时序图。

图7 DIPIPM温度保护动作时序图
通过示波器测试DIPIPM工作波形可以对故障信号Fo产生的原因进行判定,一般来说,过流引起的Fo故障存在两种情况,一种情况是误动作或干扰,这种情况下,DIPIPM没有损坏;另外一种情况是DIPIPM发生了物理性损坏,物理性损坏的大多情况下,用万用表可以测量出来。对于控制电源欠压引起的故障信号Fo,DIPIPM一般不会损坏;对于过温引起的故障信号Fo,DIPIPM可能存在过温损坏的情况,即使DIPIPM可以正常工作,也不建议继续使用这个模块。
4.1.2
DIPIPM单体测试
当DIPIPM在PCB板上采用万用表测试,发现DIPIPM端口阻值异常时,无法准确判定到底是DIPIPM本身损坏还是PCB上的其他线路异常导致,这时需要将DIPIPM从线路板上拆下,使用万用表进行单独阻值测量对比,来更准确地测量DIPIPM是否损坏。测量方法是根据图1中所示管脚方式,测量阻值并与确定的良品对应管脚阻值进行比较。由于不同的样品偏差,同时不同类型的万用表可能内置电源电压不同,因此参考的对比偏差在50%~100%以内可以认为是正常的。
表1 管脚阻值测量比较法

以上的方式已经能够对大部分失效品做基础的判定了,某些特殊情况下,例如静电导致的微小损坏,需要进行额外的功能测试来对DIPIPM的好坏进行判定。这个时候我们还需要一个直流电源,通常大家都有低压可调的直流电源,如下图8所示。

图8 测试用电源及万用表
主要的功能测试项目如下表2所列,如果能够从系统报警中判断固定相位或功能故障,则可以直接测试对应的功能项目。
表2 功能测试简易方法

上述测量方法旨在通过给DIPIPM施加相应的电源和控制信号,采用万用表检测模块输出是否正常,来判断模块是否损坏。这种基本的功能测试使用的是常用的检测设备,方便快捷。
4.1.3
DIPIPM故障排查及失效判定总结
在DIPIPM设计、评价及使用过程中出现的故障,通过示波器、直流电源及万用表等简单仪器可以基本判断出DIPIPM是否损坏。在实际应用中也确实存在采用上述方法无法判定DIPIPM是否损坏的情形,这种情况往往发生在DIPIPM的损坏极其微小,采用常规仪器无法判定的情况,这种情况下,可以将样品返还给生产商采用更专业的设备进行分析。对于DIPIPM发生的故障,判定DIPIPM是否损坏只是解决问题的第一步,造成故障的根本原因及如何解决才是最终目的,接下来的章节将继续围绕故障原因分析及解决措施展开讲座。敬请期待。
审核编辑:刘清
下一篇:TVS保护原理和参数解读
龙腾半导体SGT MOSFET LSGT085R018在智慧农业无