时间:2023-09-29 09:54
人气:
作者:admin
今天继续和大家分享升降压斩波电路:
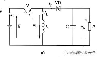
升降压斩波电路原理如图所示:

上图中电感L值很大,电容C值也很大。使电感电流iL和电容电压即负载电压Uo基本为恒值。
升降压斩波电路的基本工作原理:
状态1:可控开关V处于导通状态时,电源E经过V向电感L供电使其储存能量,此时电流为iL,此时电容C为负载R提供的电压基本恒定。如下图:

状态2:开关V切换到关断状态,电感需要找到回路来释放能量,因此i2电流所在通路便是电感能量释放的通路,此时负载电压极性与电源电压极性相反,因此该电路也称为反极性斩波电路。如下图:

下面给出电流i1和i2波形图:

稳态时,一个周期T内电感L两端电压UL对时间积分为0,即:

当V处于导通状态时,UL=E;当V处于断态期间,UL=-Uo,于是:

因此输出电压为:

从公式中可以看出,这里改变占空比α,输出电压既可以比电源电压高,也可以比电源电压低,
0<α<1/2时,降压
1/2<α<1时,升压
因此也称这种变换电路为buck boost变换器(Buck-Boost Converter)。
编辑:黄飞
龙腾半导体SGT MOSFET LSGT085R018在智慧农业无