时间:2023-09-07 16:13
人气:
作者:admin
硅碳化物(SiC)技术已经达到了临界点,即无可否认的优势推动一项技术快速被采用的状态。
如今,为了保持竞争力并降低长期系统成本,设计师们出于诸多原因转向SiC基技术,包括以下几点:
降低总拥有成本:SiC基设计虽然需要前期投资,但通过能效、更小的系统尺寸和可靠性,可以实现系统成本的降低。
克服设计挑战:SiC的特性使设计师能够开发更小、运行温度更低、切换更快且在更高电压下操作的设备。
提高可靠性和性能:随着更小、温度更低的设备,设计师们可以自由地做出更多创新的设计选择,更容易地满足市场需求。
如今,大多数电子产品仍然依赖于1959年在贝尔实验室发明的金属氧化物半导体场效应晶体管(MOSFET),并在上世纪60年代初广泛采用。MOSFET通过改变施加在栅极端子上的电压来控制器件通道的电导率,从而实现信号放大、开关和功率处理。
硅(Si)仍然是构建MOSFET的主要材料,但今天的设备性能要求正在将Si技术推向材料极限。
SiC相对传统Si的优势
能源使用及其从源头到最终应用的转换,从马力恰好意味着这一点开始发展,而犁的设计对于准备耕地需要多少天至关重要。
今天,我们更多地关注电能和从发电机输出到一系列应用的终端电压的转换,无论是0.6VDC的处理器、24VDC到500VAC的工业电机驱动还是400VDC的电动汽车电池充电。转换过程不可避免地使用功率半导体开关,而Si基类型在形式上主导了几十年,如Si-MOSFET和IGBT。
这些开关的损耗使它们的效率低于SiC。减少功率浪费和热量是降低运营成本、实现能效的主要关注点。
近年来,作为硅的替代材料,SiC和氮化镓(GaN)在形式上已经成为可行选择。这两种宽禁带器件具有使功率转换效率显著提高的特性。这些宽禁带器件并不是对Si的简单替代品,应用电路设计必须匹配以提取出全部性能优势。(图1显示了这些材料之间的主要差异。)

Si、SiC和GaN – 传导损耗
Si-IGBT的基本上恒定的导通状态集电极-发射极饱和电压,随集电流设置导通损耗。Si-MOSFET具有导通电阻,使得功率损耗为I.R(ON)2,表示为: ,在高电流水平时可能是禁制的。
在低电压和低到中功率下,具有低R(ON)的Si-MOSFET的导通损耗可能比IGBT的少。SiC和GaN材料的临界击穿电压远高于Si,允许更薄的漂移层和更高的掺杂浓度。这导致在给定的晶片面积和电压等级下,导通电阻更低,通过降低功率损耗提供更高的效率。
此外,SiC的热导率比Si高三倍多,使得可以使用更小的晶片来实现相同的温升。SiC和GaN还通过具有更高的最大工作温度而在效率上优于Si,限制器件应力。
Si、SiC和GaN - 开关损耗
高变换器开关频率是一种可取的特性,因为相关元件,特别是磁性元件,可以更小,从而获得微型化的益处和成本节省。然而,所有器件的开关损耗与频率直接成比例。IGBT很少在20kHz以上运行,因为由于“尾电流”,必须有遏制电容器以及高器件电容的充电/放电,会导致功率损失。Si-MOSFET可以在数百kHz下切换,但能量损失,输出电容中储存的能量(EOSS),在循环电流到输出电容时会成为频率上升的限制因素。SiC和GaN具有更高的电子饱和速度和更低的电容,从而在更高速的开关和减少功率损耗方面提供了实质性的优势。

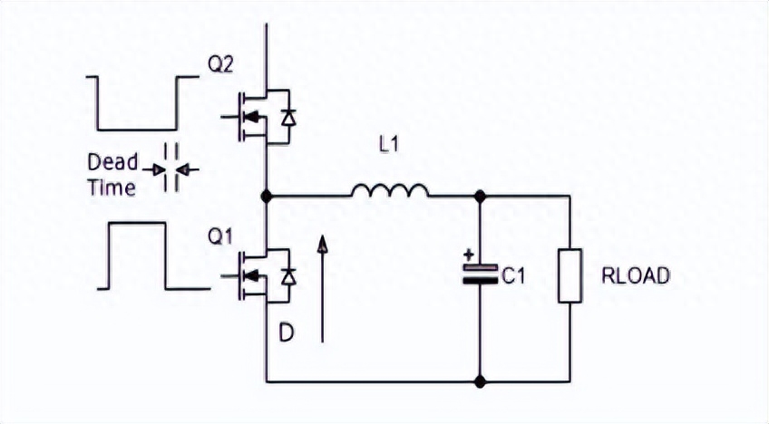
器件在“第三象限”中的特性也很重要,当导电通道被反偏时。例如,通过半桥驱动感应负载时会出现这种情况(见图2)。IGBT不会再反向导电,因此它们需要一个反并联二极管,这必须是一个具有低电压降的快速恢复型。Si-和SiC-MOSFET具有固有的快速本体二极管,但可以通过它们的通道进行反向导电,损失小且在通过它们的栅极开关ON时没有反向恢复效应。
即使MOSFET在第三象限中被主动开启,当两个开关都关闭时,本体二极管会短暂导电,以防止半桥中的射频电流。这就是所谓的“死时间”,当本体二极管导电时,由于相对较高的正向电压降和反向恢复需要切断二极管。SiC和GaN的更快的过渡时间使得死时间和相关的损耗变小。
配置为高电子迁移率晶体管(HEMTs)的GaN开关没有本体二极管。与MOSFET类似,HEMT通道可以反向导电,但在任何死时间内也存在本体二极管效应。这会在2V范围内产生一个与栅极阈值电压大致相等的电压降。除非通道被主动打开,否则这可能会导致功耗。
其他要点:
1. SiC将很快超越Si,成为电压等级高于600V的功率器件的主要半导体材料。
2. 其关键优势包括提供更高的电压操作、更宽的温度范围以及与现有Si技术相比的增加的开关频率。
3. SiC的优势还包括通过微型化进步、降低散热要求以及在Si材料上最多降低10-20%的整体系统成本来获得显着的效率提升。
深圳市浮思特科技有限公司,专注在新能源汽车、电力新能源、家用电器、触控显示,4大领域,并已有大量的成熟方案储备,为客户提供从方案研发到产品选型采购的一站式服务。是SK PowerTech一级代理。
SK PowerTech,热销品牌型号有:
PD010065LP-G
PD020065LC1-G-3L
PD020065LP-G-2L
PD008065LP-G
PD005120FD-G
PD020120FH_U
PD040120LH2-G-2L
PD020120LH-G-2L等
审核编辑:汤梓红
下一篇:mos管并联后电流增加多少
龙腾半导体SGT MOSFET LSGT085R018在智慧农业无