时间:2023-09-04 11:10
人气:
作者:admin
高性能,低功耗:越来越多的应用需要满足这一需求,尤其是由电池供电的移动设备。特别是在物联网、工业4.0和数字化时代,这些手持设备大大方便了人们的日常生活。从移动生命体征监测到工业环境中的机器和系统监测,很多应用纷纷受益。智能手机和可穿戴设备等终端用户产品也要求更高的性能和更长的电池寿命。
因为提供电源的电池电能有限,所以需要在使用消耗电流最小的元件时,以最大限度延长设备的运行时间。或者,通过降低功耗,使低容量电池也可以实现相同的电池寿命,同时减小尺寸、重量和成本。温度管理同样不容忽视。同样,更高效的元件也起积极作用。冷却管理需要占用空间,如果产生的热量减少,占用的空间也会减少。目前,市面上提供多种低功耗,甚至是超低功耗(ULP)元件。本文着重探讨低功耗运算放大器。
功耗与性能的权衡
在选择合适的放大器时,往往需要考虑运算放大器的功耗,并做出权衡。
低功耗往往也意味着低带宽。但是,这也取决于给定的放大器架构和稳定性要求。寄生电容和电感越高,通常带宽越低。例如,电流反馈放大器提供相对较高的带宽,但精准度较低。我们可以使用一些技巧来提高带宽-功率比。
例如,增益带宽积(GBW)一般如下:

Gm表示跨导,或者是输出电流和输入电压之比(IOUT/VIN),C表示内部补偿电容。
增加带宽的典型方法是增加偏置电流,这会使Gm增加,但会消耗更多功率。为了保持低功率,我们不愿意如此。
通常,补偿电容会设置主极点,所以理想情况下,负载电容根本不会影响带宽。
受放大器的物理特性限制,电容较低时,通常可以获得更高带宽,但这也会影响稳定性,在低噪声增益下,其稳定性会得到提高。但是,实际上,我们无法在更低噪声增益下驱动大型的纯电容负载。
在使用低功耗运算放大器时,需要权衡的另一因素是通常较高的电压噪声。但是,输入电压噪声是放大器最主要的噪声(占总输出宽带噪声的一部分),但也可能是电阻噪声。总噪声最主要的部分可能来自于输入级中的噪声源(例如,集电极产生散射噪声,漏极产生热噪声)。1/f噪声(闪烁噪声)因架构而异,是由元件材料中的特殊缺陷引起的。所以,它一般取决于元件的大小。相反,电流噪声在更低的功率电平下通常更低。但也不容忽视,尤其是在双极放大器中。在1/f区域,1/f电流噪声是放大器输出端的总1/f噪声的主要来源。其他权衡因素包括失真性能和漂移值。低功耗运算放大器通常表现出更高的总谐波失真(THD),但是和电流噪声一样,双极放大器中的输入偏置和失调电流会随着电源电流降低而降低。失调电压是运算放大器的另一个重要指标。一般可通过调整输入端元件来降低影响,因此不会在低功率下导致性能大幅降低,所以VOS和VOS漂移在功率范围内是恒定的。外部电路和反馈电阻(RF)也会影响运算放大器的性能。电阻值较高时,动态功率和谐波失真会降低,但它们会增大输出噪声,以及与偏置电流相关的误差。
为了进一步降低功耗,许多设备都提供待机或睡眠功能。这样重要设备功能在闲置时可以停用,根据需要重新激活。低功耗放大器的唤醒时间通常更长。表1对前文所述的权衡因素进行了归纳和汇总。

表1. 低功耗运算放大器的权衡
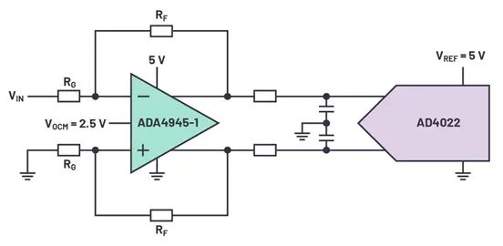
ADA4945-1 双极性差分放大器妥善地权衡了上述这些特性。它具有低直流失调、失调温漂和出色的动态性能,非常适合多种高分辨率、功能强大的数据采集和信号处理应用,这些应用通常需要使用驱动器来驱动ADC,如图1所示,由ADA4945-1驱动 AD4022 ADC。ADA4945-1可配置多种功率模式,您可以在特定转换器上更好地权衡性能与功率。例如,在全功率模式下,可与AD4020配对,降低至低功耗模式后,可以适应 AD4021 或AD4022的低采样速率。

图1. 高分辨率数据采集系统的简化信号链示例。
龙腾半导体SGT MOSFET LSGT085R018在智慧农业无