时间:2023-08-24 15:44
人气:
作者:admin
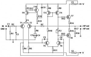
这种基本 MOSFET 放大器的构建非常简单且成本低廉。非常适合 Hi-Fi 放大器和乐器放大器(吉他、键盘……)。 8 欧姆负载时输出功率为+/- 100 Wrms,4 欧姆负载以下为+/- 160 Wrms。该电路的简单性导致失真+/-0.1%。 -3 dB 时的带宽为 4 Hz 至 96 Khz,受 C1、R1、R2 和 C2 限制。

晶体管 T1 和 T2 构成第一差分级,+/-1 mA 的电流源由 R3 设置。 P1 允许微调放大器输出处的直流电压。首次通电时将 P1 置于半值,然后缓慢转动以获得最低的直流输出电压。建议使用优质组件。
输入灵敏度为 1.2 伏。 27x 的增益由 R7/R6 实现。可以通过改变R7值来修改它。晶体管T5和T6构成第二个差分级。晶体管T3和T4用作电流镜源。它们推动第二个差分级消耗相等的电流。这样做我们可以获得高增益和出色的线性度。输出MOSFET晶体管工作在AB类,其静态电流通过P2设置为50至100mA。要设置静态电流,必须将 P2 设置为最小电阻,将万用表置于 R14 或 R15 引线的 mV DC 范围内,缓慢转动螺钉,直到读取 16.5 mV 值,该值对应于 50 mA 静态电流。 F1和F2用作基本输出短路保护。

电源电压必须介于 45 至 55 伏直流电(正和负)之间。需要一个热阻小于 2° C/W 的散热器。所有电阻均为 1% 金属膜 1/4 瓦。
注意:
在放大器输出端连接扬声器之前,请在输出端连接万用表并查看直流输出电压。该电平绝不能大于 50 mV。如果是这样,请检查所有放大器是否有错误。另外,将 T2 更换为其他设备并再次检查。
零件清单:
C1 = 2.2uF MKP、MKT 100V
C2 = 330 pF 陶瓷 50 V
C3 = 100nF MKP、MKT 100V
C4 = 40 uF 100 V 电化学
C5、C6 = 18 pF 陶瓷 50 V
C7 = 100nF MKP、MKT 250V
C8 = 47uF 100V)
R1 = 47K
R 3 = 470 欧姆
R2 = 2K2
R4、R5 = 3K9
R6=1K
R7=27K
R8、R9、R11 = 100 欧姆
R10 = 10K
R12、R13 = 470 欧姆
R14、R15 = 0.33 欧姆 5 瓦
R16=10欧姆3瓦
R17=1K
R18、R19 = 10K
T1、T2、T9、T10 = 2N5401、ZTX558、BC556B(注意不同的引脚排列 - 请注意引脚布局)
T3、T4 = BF470、MJE350、2SB649
T5、T6 = BF469、MJE340、2SD669
T7 = IRFP240、2SK1530、2SJ162、BUZ900DP、BUZ901DP(注意不同的引脚排列 - 请注意引脚布局:GDS GSD)
T8 = IRFP9240、2SJ201、2SK1058、BUZ905DP、BUZ906DP(注意不同的引脚排列 - 请注意引脚布局:GDS GSD)
P1 = 100 欧姆(25 圈 - 25 圈)
P2 = 2K5(25 圈 - 25 圈)
F1、F2 = 3 TA
下一篇:肖特基二极管反向恢复时间如何理解
龙腾半导体SGT MOSFET LSGT085R018在智慧农业无