时间:2023-08-24 15:47
人气:
作者:admin
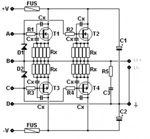
这里介绍的电路是使用 MOSFET 输出级的放大器电路,作为基于双极晶体管的输出级的替代品。该项目适合那些想要尝试功率 MOSFET 的人。无需赘述,MOSFET 具有真空管和双极晶体管特有的声音。 MOSFET放大器的主要优点:操作简单、数百瓦的简单并联、负温度系数和快速开关时间。主要缺点:输入电容高达 500 至 1000 pF,对静电放电敏感。

MOSFET 的种类非常广泛,有 PNP 和 NPN,电压从 100 到 200 伏或更高,还有附加型号(如双极型)。功放常用型号有10N16、10P16、IRFP140、IRFP9140、IRFP240、IRFP9240、2SK135、2SJ50、2SK1530、2SJ201。在这个项目中,A点和C点连接到驱动级的输出,B点连接到反作用,D点连接到质量驱动器。电路板计划的外壳为TO3P晶体管,将脚稍微弯曲为TO220型封装。

通过放置在 A 点和 C 点之间的 250 欧姆可调电位器来设置静态电流(每个 MOSFET 约为 100 mA),无需任何其他复杂操作。始终可以使用其他传统系统。齐纳二极管用于通过非常简单的系统保护 MOSFET,为了获得更好的系统,您可以尝试更复杂的系统(+ 串联 1N4148 齐纳齐纳二极管 + 串联电阻,...)。传统的 Rx 电阻器线绕 0.22 欧姆 5 瓦电阻器被替换为 5 至 1.2 欧姆 1 瓦碳层并联,以避免自身影响。 Cx 电容器应根据将要进行的补偿来放置,所有情况均提供 PCB。
| IRF530(红外) | 670 | 250 | 190 |
| IRF9530(红外) | 860 | 340 | |
| IRF540(红外) | 1700 | 第560章 | |
| IRF9540(红外) | 1400 | 590 | 300 |
| IRFP140(红外) | 1700 | 550 | |
| IRFP9140(红外) | 1400 | 590 | 300 |
| IRFP240(红外) | 1300 | 400 | |
| IRFP9240(红外) | 1200 | 370 | 100 |
| IRFP240(哈里斯) | 第1275章 | 500 | 125 |
| IRFP9240(哈里斯) | 1400 | 350 | |
| 参考 | 输入容量(pF) | pF 输出容量 | 补偿pF输入/输出 |
|---|
零件清单:
R1、R2、R3、R4 = 100 至 470 欧姆 1 / 4 W 金属膜
R5 = 10 欧姆 1 瓦碳
Rx = 1.2 欧姆 1 W 碳
C1、C2 = 100 uF 100 伏
C3 = 220 nF 100 伏
Cx = 陶瓷电容器(值取决于要进行的补偿,见表)
D1、D2 = 10 伏齐纳二极管 400 mW
T1、T2 = 示例 IRFP140 (100 V)、IRFP240 (200 V)
T3、T4 = 示例 IRFP9140 (100 V)五)、IRFP9240(200V)
注意:该项目尚未经过测试。
龙腾半导体SGT MOSFET LSGT085R018在智慧农业无